Запчасти Case 550E (2-08) - TURBOCHARGER SYSTEM, 4T-390 ENGINE (02) - ENGINE

Схема запчастей Case 550E - (2-08) - TURBOCHARGER SYSTEM, 4T-390 ENGINE (02) - ENGINE
2
5
11
14
3
14
8
3
17
16
1
16
15
9
10
18
2
13
12
4
15
3
6
7
FIT
1:1
100%

Артикул

Название

Примечание

Количество

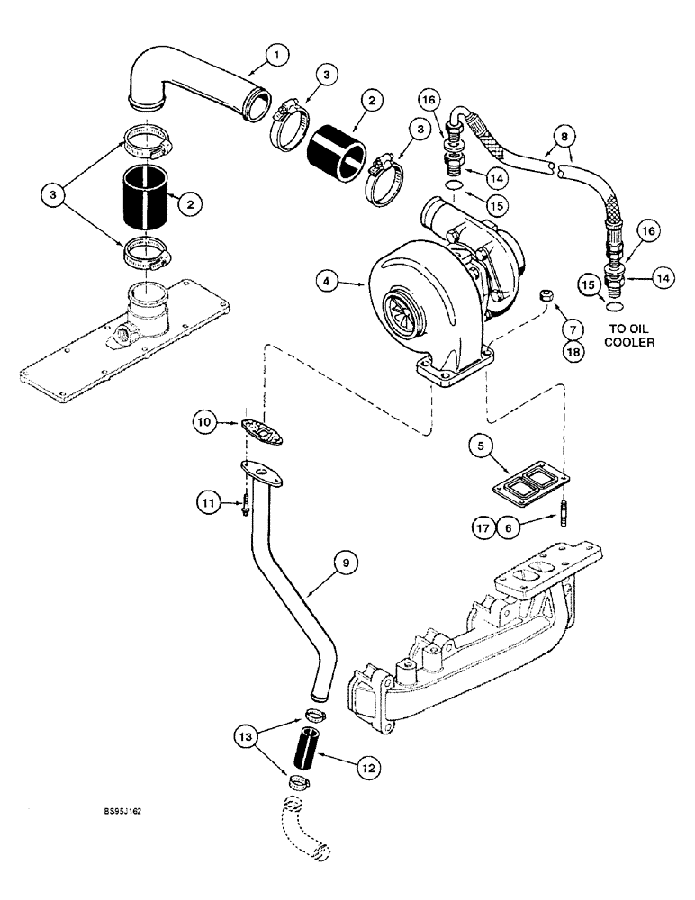
1

J906623

TUBE,2 mm OD x 299.8 mm L

- crossover

1шт.

2

J916166

INTAKE AIR HOSE

HOSE - 2-3/4 inch (71 mm) long, air intake

2шт.

3

214-1428

HOSE CLAMP,#28, 1.31" - 2.25", Type F Worm

CLAMP, HOSE, , Adjustable #28, 1.31/2.25 Type F Worm

4шт.

4

REF

INSTRUCTION

TURBOCHARGER ASSEMBLY - engine, see figure 2-10 for correct assembly and parts list

1шт.

5

J901356

GASKET,0.5mm Thk

-, Serial Range: turbocharger-manifold

1шт.

6

J905417

STUD

- turbocharger mounting, used with item 7 nut only, if used

4шт.

7

J901961

NUT

- hex, special, 10 mm - 1.25, used with item 6 stud only, if used

4шт.

8

J913759

HOSE

Turbocharger Oil Supply

1шт.

9

J903740

TUBE

- turbocharger oil drain

1шт.

10

J914388

GASKET

- turbo oil drain tube

1шт.

11

845-8020

BOLT,Hvy Hex, M8 x 20mm, Cl 8.8

- heavy hex flange, 8 - 1.25 x 20 mm

2шт.

12

J903745

LARGE HOSE

HOSE - 3 inch (76 mm) long, turbocharger oil drain

1шт.

13

214-1416

HOSE CLAMP,#16, 0.81" - 1.5", Type F Worm

CLAMP, HOSE, , Adj. #16, 0.81/1.50 Type F Worm

2шт.

14

J919687

HYD CONNECTOR

ADAPTER - female hex, special, one used to connect turbocharger oil supply hose to J919129 turbocharger

2шт.

15

238-5013

O-RING,0.07" Thk x 0.426" ID, -13, Cl 5, 75 Duro

-013, 70 Duro, .426" ID x .070" Thk

1шт.

16

222-993

GASKET,3/8 Tube, Fl, Copper

2шт.

17

J818823

STUD

- turbocharger mounting, used with item 18 nut only, if used

4шт.

18

J818824

FLANGE NUT

- hex flange, special, 10 mm - 1.5, used with item 17 stud only, if used

4шт.

Выбрано товаров: 18