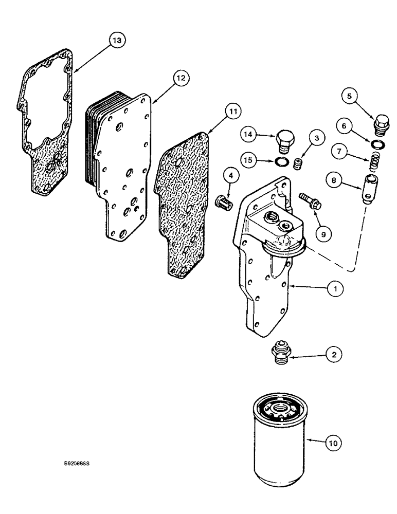
Запчасти Case 550E (2-12) - OIL FILTER AND COOLER, 4-390 ENGINE, 4T-390 ENGINE (02) - ENGINE

Схема запчастей Case 550E - (2-12) - OIL FILTER AND COOLER, 4-390 ENGINE, 4T-390 ENGINE (02) - ENGINE
14
8
3
12
10
2
1
5
7
13
4
11
15
9
6
FIT
1:1
100%

Артикул

Название

Примечание

Количество

J918954

HEAD

ASSEMBLY - oil filter and cooler

1шт.

1

NSS

NOT SOLD SEPARAT

HEAD - lube oil filter

1шт.

2

J909355

ADAPTER

- filter head

1шт.

3

J906619

PLUG,1/8" - 27

- hex, 1/8 inch PT

1шт.

4

J902338

VALVE, PRESSURE RELI

VALVE - relief, pressure

1шт.

5

J915787

PLUG

- threaded, pipe

1шт.

6

238-5115

O-RING,0.103" Thk x 0.674" ID, -115, Cl 5, 75 Duro

(Replaces J909397) -115, 70 Duro, .674" ID x .103" Thk

1шт.

7

J918427

SPRING

- compression, 54 mm free length, 16-1/2 coils

1шт.

8

J918428

PLUNGER

- regulator, pressure

1шт.

9

845-8035

BOLT,Hvy Hex, M8 x 35mm, Cl 8.8

- heavy hex flange, 8 - 1.25 x 35 mm

14шт.

10

J908616

ENGINE OIL FILTER,Single pkg qty. For multi pkg [qty.12] order J908616MP

FILTER - engine oil, cartridge

1шт.

11

J918257

GASKET

- filter head

1шт.

12

J921557

COOLER

CORE - cooler, oil

1шт.

13

J926760

GASKET

- oil cooler core (order J918256 until depleted)

1шт.

14

J919686

PLUG

ASSEMBLY - hex, 12 mm threaded, used on engines without a turbocharger

1шт.

15

238-5013

O-RING,0.07" Thk x 0.426" ID, -13, Cl 5, 75 Duro

-013, 70 Duro, .426" ID x .070" Thk

1шт.

Выбрано товаров: 16