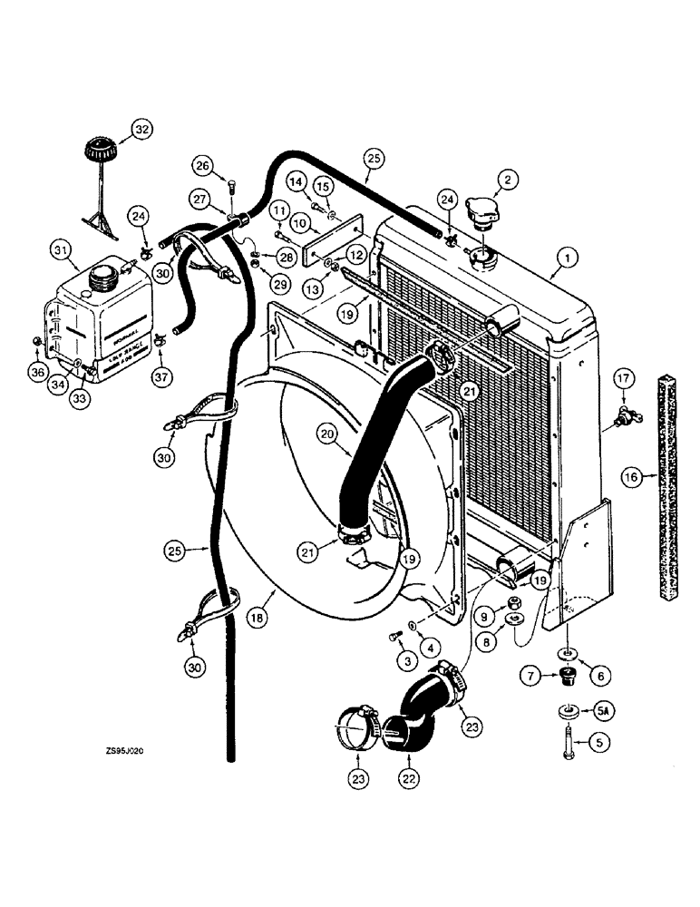
Запчасти Case 550E (2-46) - RADIATOR, HOSES, AND COOLANT BOTTLE (02) - ENGINE

Схема запчастей Case 550E - (2-46) - RADIATOR, HOSES, AND COOLANT BOTTLE (02) - ENGINE
20
23
14
19
27
6
24
37
26
25
16
10
22
31
4
24
21
33
8
36
5a
29
30
13
9
30
28
17
30
34
7
23
15
24
19
19
18
12
1
3
32
5
11
2
25
FIT
1:1
100%

Артикул

Название

Примечание

Количество

1

A172867

RADIATOR

- standard, if used

1шт.

1

A172869

RADIATOR

- anti-sandblast, if used

1шт.

2

A170241

RADIATOR CAP

CAP, RADIATOR, Filler, 15 psi

1шт.

3

614-8016

BOLT,Hex, M8 x 1.25 x 16mm, Cl 8.8, Full Thd

- hex, full threads, 8 - 1.25 x 16 mm

8шт.

4

H272880

WASHER

- flat, special

8шт.

5

413-836

BOLT,Hex, 1/2" - 13 x 2-1/4", Gr 5

- hex, 1/2 NC x 2-1/4 inch

2шт.

5a

D25022

WASHER

- flat, special, radiator mounting

2шт.

6

R40262

WASHER,13.11mm ID x 47.75mm OD x 2.38mm Thk

- flat, special

2шт.

7

R29799

SHOCK ABSORBER

INSULATOR - rubber

2шт.

8

496-21053

WASHER,17/32" x 1 1/16" x .134"

- flat, 17/32 x 1-1/16 x 1/8 inch, hardened

2шт.

9

231-4118

LOCK NUT,1/2"-13, GB

NUT - hex, self-locking, 1/2 inch NC

2шт.

10

A170665

STABILIZER

STRAP - radiator mounting

2шт.

11

413-620

BOLT,Hex, 3/8" - 16 x 1-1/4", Gr 5

- hex, 3/8 NC x 1-1/4 inch

2шт.

12

39519

WASHER,10.31mm ID x 34.9mm OD x 3.57mm Thk

- flat, special

2шт.

13

230-4216

LOCK NUT,3/8"-16, GA

NUT - hex, self-locking, 3/8 inch NC

2шт.

14

613-8020

BOLT,Hex, M8 x 1.25 x 20mm, Cl 8.8, Full Thd

- hex, full threads, 8 - 1.25 x 20 mm, Use with Loctite 242

2шт.

15

495-21038

WASHER,5/16"

(flat, 3/8 x 7/8 x 3/32") 5/16"

2шт.

16

R53691

FILLING STRIP

PAD - 23-13/16 inch (580 mm) long, cut from A139751 bulk pad, see below

2шт.

17

217-92

COCK

VALVE - 1/4 inch PT

1шт.

18

A173459

SHROUD

- fan

1шт.

19

178769A1

SEAL

- fan shroud, adhesive-backed

2шт.

20

A170239

RADIATOR HOSE,45.00 mm ID x 265.00 mm, SAE 20R4 CLASS C PER SAE J20 OR SAE 20R4 CLASS D1

45.00 mm ID x 265.00 mm , SAE 20R4, Upper

1шт.

21

214-3132

HOSE CLAMP,1-1/4" - 2-1/8", HD Worm

CLAMP - adj, 1-1/4 - 2-1/8 inch dia, upper radiator hose

2шт.

22

A170633

RADIATOR HOSE,58.00 mm ID x 220.00 mm, SAE 20R4 PER SAE J20 OR SAE 20R4 CLASS D1

58.00 mm ID x 220.00 mm, SAE 20R4 per SAE J20, Lower

1шт.

23

214-3148

HOSE CLAMP,2-1/4" - 3-1/8", HD Worm

CLAMP - adj, 2-1/4 - 3-1/8 inch dia, lower radiator hose

2шт.

24

A171099

HOSE CLAMP,13.2mm - 15.4mm

CLAMP - coolant bottle hoses

2шт.

25

A171872

HOSE,8.30 mm ID x 1000.00 mm, SAE J30, SAE 20R4 PER SAE j20e

7.50 mm ID, 8.30 mm ID x 1000.00 mm, SAE J30 - Cut from L126767 hose, Radiator to Coolant Bottle and Bottle Overflow

2шт.

26

413-616

BOLT,Hex, 3/8" - 16 x 1", Gr 5

- hex, 3/8 NC x 1 inch

1шт.

27

515-23127

CLAMP,1/2", Insul, 3/8" Bolt

P-type, at hood and side shield support 1/2", Insul, 3/8" Bolt

1шт.

28

492-11038

LOCK WASHER,3/8"

1шт.

29

425-106

NUT,3/8"-16, Cl 5

1шт.

30

L18337

CABLE TIE,9.95"-12.1" lg

STRAP - tie, 15 inch, nylon

1шт.

31

L127093

RESERVOIR

RESERVOIR - coolant

1шт.

32

1547924C1

CAP

- coolant recovery bottle, with tether

1шт.

33

121-107

SERRATED BOLT,Hex, 5/16" - 18 x 1", Gr 5

4шт.

34

495-11034

WASHER,5/16", SAE

5/16" SAE (flat, 11/32 x 11/16 x 1/16")

4шт.

36

231-1445

NUT,5/16"-18, GB

NUT - hex, self-locking, 5/16 inch NC

4шт.

37

214-1404

HOSE CLAMP,#04, 0.25" - 0.62", Type F Worm

CLAMP - adj, 1/4 - 5/8 inch dia, Type F, coolant bottle inlet

1шт.

A139751

FILLING STRIP

FOAM - bulk, 75 inch (1905 mm) long

1шт.

L126767

HOSE,7.9mm ID x 2336mm L, SAE 30R6

1шт.

Выбрано товаров: 40