Запчасти Case 550E (8-08) - EQUIPMENT HYDRAULIC PUMP (08) - HYDRAULICS

Схема запчастей Case 550E - (8-08) - EQUIPMENT HYDRAULIC PUMP (08) - HYDRAULICS
a
a
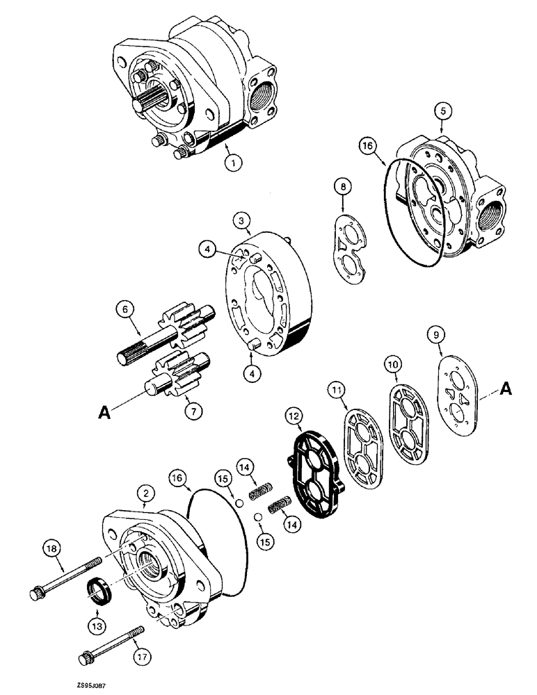
1
6
10
11
14
16
17
8
15
18
12
9
13
4
7
15
16
2
3
14
5
4
FIT
1:1
100%

Артикул

Название

Примечание

Количество

1

R43429

PUMP

ASSEMBLY - equipment, new, Cessna No. 24503-LAY

1шт.

1

RR43429

REMAN-HYD PUMP

PUMP ASSEMBLY - equipment, remanufactured, component parts shown on this figure do not apply to the remanufactured assembly

1шт.

1

RC43429

CORE-HYDRAULIC PUMP

RETURN NUMBER - use this part number to return pump core for credit when using a remanufactured assembly

1шт.

1

87644730R

REMAN-HYD PUMP

550E CASE LONG TRACK CRAWLER TRACTOR, PUMP ASSEMBLY - equipment, new, Cessna No. 24503-LAY, Reman for New PN R43429

1шт.

1

87644730C

CORE-HYDRAULIC PUMP

Return Number

1шт.

2

D48879

COVER

- drive shaft end

1шт.

N6022

HOUSING

KIT - body

1шт.

3

NSS

NOT SOLD SEPARAT

BODY - pump center

1шт.

4

A43667

DOWEL

PIN - dowel

2шт.

5

D48883

COVER

- port end

1шт.

6

N6021

PINION

GEAR - drive, includes shaft

1шт.

7

N6020

PINION

GEAR - idler, includes shaft

1шт.

D59656

GASKET KIT

KIT - seal

1шт.

8

A45358

PLATE

- thrust

1шт.

9

H335331

DIAPHRAGM

- pump

1шт.

10

H260935

GASKET

- protector

1шт.

11

H260927

GASKET

- backup

1шт.

12

H273912

SEAL

- diaphragm

1шт.

13

A25139

SEAL,22.22mm ID x 35.08mm OD x 6.91mm Thk

- drive shaft

1шт.

14

D31403

SPRING

- ball retaing

2шт.

15

211-1013

BALL,10.31mm OD, Gr 24

- chrome alloy steel, 13/32 inch, grade 24

2шт.

16

238-6159

O-RING,0.103" Thk x 4.977" ID, -159, Cl 6, 90 Duro

Pump -159, 90 Duro, 4.977" ID x .103" Thk

2шт.

17

166-53

SCREW,Flg, 3/8" - 16 x 3", Gr 8

BOLT - 12 point flange, 3/8 NC x 3 inch, grade 8

4шт.

18

166-54

12 PT SCREW,Flg, 3/8" - 16 x 3 1/4", Gr 8

BOLT - 12 point flange, 3/8 NC x 3-1/4 inch, grade 8

4шт.

Выбрано товаров: 24