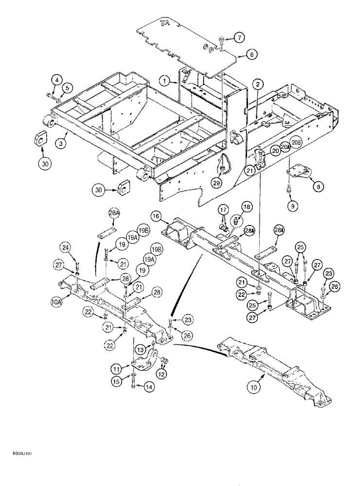
Запчасти Case 550G (9-10) - MAIN, ENGINE, SEAT AND TANK FRAMES (05) - UPPERSTRUCTURE CHASSIS

Схема запчастей Case 550G - (9-10) - MAIN, ENGINE, SEAT AND TANK FRAMES (05) - UPPERSTRUCTURE CHASSIS
21
30
12
23
29
28
3
27
20a
19a
26
13
8
6
22
17
7
21
20b
21
1
22
18
11
9
27
16
25
10a
21
20
27
21
5
28a
19a
28a
19b
19
30
22
25
14
28
28a
19
23
15
2
4
26
19b
27
10
24
FIT
1:1
100%

Артикул

Название

Примечание

Количество

1

R58613

FRAME

main and engine

1шт.

2

224-28010

SQUARE NUT,Sq, 5/8"-11, G2, Hvy

heavy square, 5/8" NC, weld-on, for undercarriage guards

10шт.

3

R58150

FRAME

seat and tank

1шт.

4

426-1228

BOLT,Hex, 3/4" - 10 x 1-3/4", Gr 8

hex, 3/4" NC x 1-3/4", grade 8

8шт.

5

T53681

WASHER,19.84mm ID x 44.5mm OD x 5.559mm Thk

flat, hardened, special

8шт.

6

R58655

PLATE

floor

1шт.

7

160-107

BOLT,Hex, 1/2" - 13 x 1 1/4", Gr 8, Full Thd

5шт.

8

R50469

HOOK

pull, if used

1шт.

9

160-108

BOLT,Hex, 1/2" - 13 x 1 1/2", Gr 8, Full Thd

hex flange, 1/2" NC x 1-1/2", grade 8

6шт.

10

224060A2

MEMBER

cross, front, has built-in spacers, production only, service with Ref. 10A and 28A

1шт.

10a

R47683

LARGE PLATE

PLATE, LARGE CROSSMEMBER front, 53" gauge long track models

1шт.

For models P.I.N. JJG0215598 and after, also order (2) Ref. 28A, 136061A1 spacers.

1шт.

11

R55861

BRACKET

C-frame mounting, 53" gauge long track and rubber track models, Includes: Ref. 12

2шт.

12

D30930

BUSHING,38.33mm ID x 47.63mm OD x 17.53mm L

bracket, 1-1/2" ID x 1-7/8" O.D. x 11/16" long

2шт.

13

219-1

LUBE NIPPLE,1/8" - 27 NPTF

C-frame mounting lug

2шт.

14

326-1252

BOLT,Hex, 3/4" - 10 x 3-1/4", Gr 8

53" gauge long track models

8шт.

15

D34666

WASHER,33.34mm ID x 63.5mm OD x 2.38mm Thk

flat, hardened, special, 53" gauge long track models, 3/4"

8шт.

16

R54432

DRAWBAR

CROSSMEMBER front, 64" gauge LGP models, Includes: Ref. 17

1шт.

17

D30930

BUSHING,38.33mm ID x 47.63mm OD x 17.53mm L

C-frame mounting lug, 1-1/2" ID x 1-7/8" O.D. x 11/16" long

4шт.

18

219-1

LUBE NIPPLE,1/8" - 27 NPTF

C-frame mounting lug

2шт.

19

326-1256

BOLT,Hex, 3/4" - 10 x 3-1/2", Gr 8

Used on models without Ref. 28 spacer, Serial Range: -JJG0215598

4шт.

19a

326-1268

BOLT,Hex, 3/4" - 10 x 4-1/4", Gr 8

Used on 53" gauge long track models with Ref. 28A spacer, or built-in spacers, Start Serial: JJG0215598

4шт.

19b

326-1280

BOLT,Hex, 3/4" - 10 x 5", Gr 8

Used on 53" gauge units with ELT or rubber track, Start Serial: JJG0215598

4шт.

20

326-1248

BOLT,Hex, 3/4" - 10 x 3", Gr 8

Used on 64" gauge LGP models without Ref. 28 spacer, Serial Range: -JJG0215598

4шт.

20a

326-1276

BOLT,Hex, 3/4" - 10 x 4-3/4", Gr 8

Used on 64" gauge LGP models with Ref. 28A spacer, Start Serial: JJG0215598

4шт.

20b

326-1288

BOLT,Hex, 3/4" - 10 x 5-1/2", Gr 8

Used on 64" gauge units with ELT chain, Start Serial: JJG0215598

4шт.

21

D34666

WASHER,33.34mm ID x 63.5mm OD x 2.38mm Thk

flat, special, 3/4"

8шт.

22

232-41112

NUT,3/4"-10, GC

4шт.

23

113-2714

LOCK BOLT,Locking, 3/4"-10 x 2", G8

Outer holes

4шт.

24

326-1252

BOLT,Hex, 3/4" - 10 x 3-1/4", Gr 8

Inner holes, 53" gauge long track models, use with B17577 blue Loctite No. 242, shown below

4шт.

25

113-2719

LOCK BOLT,Locking, 3/4"-10 x 3", G8

Inner holes, 64" gauge LGP models

6шт.

26

D34666

WASHER,33.34mm ID x 63.5mm OD x 2.38mm Thk

flat, special, outer holes, 3/4"

4шт.

27

R30398

SPACER

four used on 53" gauge long track models, six used on 64" gauge LGP models

4-6шт.

28

R58320

SPACER

3" x 9-3/8" x 1-1/4", rubber track models only, Serial Range: -JJG0215598

2шт.

28a

136061A1

SPACER

rubber, 3" x 9-3/8" x 5/8", LGP and extended life track models only, Start Serial: JJG0215598

2шт.

29

231-5148

FLANGE NUT,Flg, USR, 1/2"-13

2шт.

30

R40957

BRACKET lift, part is welded on

2шт.

B17577

LOCTITE

blue, No. 242, 6 ml tube, see Ref. 24

1шт.

Выбрано товаров: 38