Запчасти Case 550G (8-08) - EQUIPMENT PUMP ASSEMBLY (07) - HYDRAULIC SYSTEM

Схема запчастей Case 550G - (8-08) - EQUIPMENT PUMP ASSEMBLY (07) - HYDRAULIC SYSTEM
4
17
15
9
15
14
2
1
13
11
18
12
6
5
8
14
7
4
10
3
16
16
FIT
1:1
100%

Артикул

Название

Примечание

Количество

1

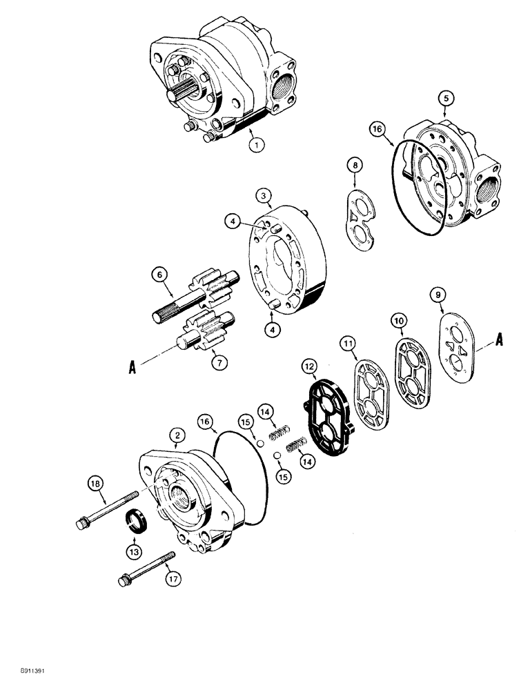
R43429

PUMP

ASSY. equipment, new, Includes: Ref. 2 - 18

1шт.

1

RR43429

REMAN-HYD PUMP

ASSY. equipment, component parts shown in this figure do not apply to the remanufactured assembly, Includes: Ref. 2 - 18

1шт.

1

RC43429

CORE-HYDRAULIC PUMP

RETURN NUMBER, use this part number to return pump core for credit when using a remanufactured assembly, Includes: Ref. 2 - 18

1шт.

1

87644730R

REMAN-HYD PUMP

550G CASE LONG TRACK CRAWLER TRACTOR, PUMP ASSY. equipment, new (2/95-), Reman for New PN R43429

1шт.

1

87644730C

CORE-HYDRAULIC PUMP

Return Number

1шт.

2

D48879

COVER

drive shaft end

1шт.

N6022

HOUSING

KIT body, Includes: Ref. 3 and 4

1шт.

3

NSS

NOT SOLD SEPARAT

HOUSING gear

1шт.

4

A43667

DOWEL

PIN

2шт.

5

D48883

COVER

port end

1шт.

6

N6021

PINION

GEAR drive, includes shaft

1шт.

7

N6020

PINION

GEAR idler, includes shaft

1шт.

D59656

GASKET KIT

seal, Includes: Ref. 8 - 16

1шт.

8

A45358

PLATE

thrust

1шт.

9

H335331

DIAPHRAGM

pump

1шт.

10

H260935

GASKET

protector

1шт.

11

H260927

GASKET

backup

1шт.

12

H273912

SEAL

diaphragm

1шт.

13

A25139

SEAL,22.22mm ID x 35.08mm OD x 6.91mm Thk

shaft

1шт.

14

D31403

SPRING

ball retaining

2шт.

15

211-1013

BALL,10.31mm OD, Gr 24

chrome alloy steel, 13/32", grade 24

2шт.

16

238-6159

O-RING,0.103" Thk x 4.977" ID, -159, Cl 6, 90 Duro

2шт.

17

166-53

SCREW,Flg, 3/8" - 16 x 3", Gr 8

12-point flange, 3/8" NC x 3", grade 8

4шт.

18

166-54

12 PT SCREW,Flg, 3/8" - 16 x 3 1/4", Gr 8

12-point flange, 3/8" NC x 3-1/4", grade 8

4шт.

Выбрано товаров: 24