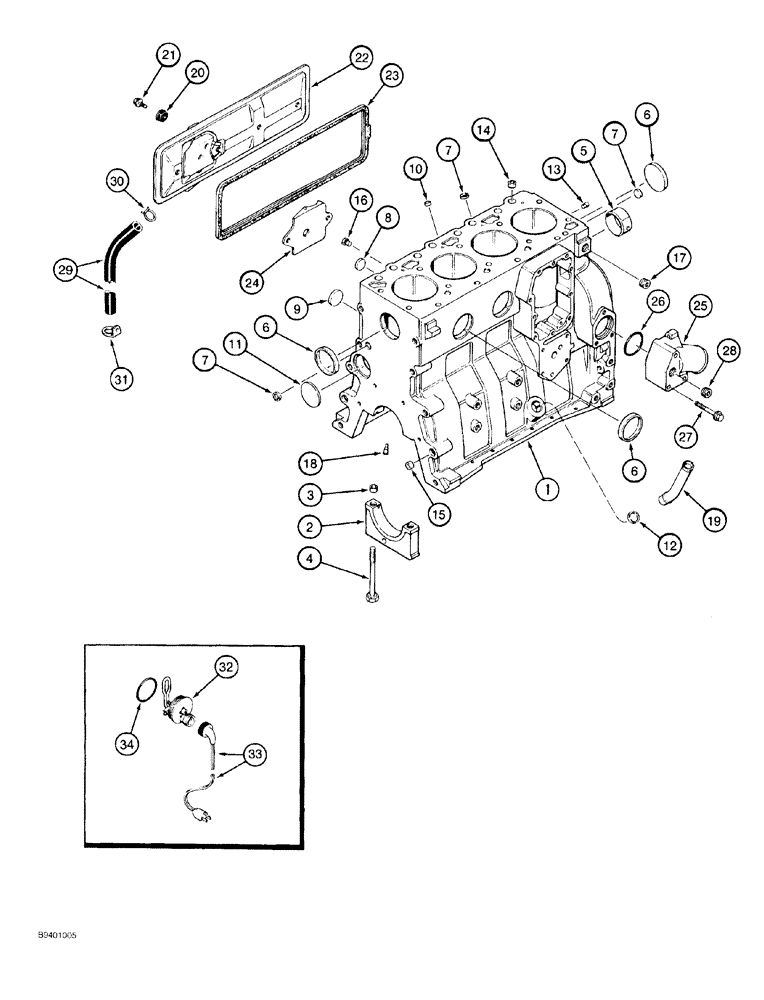
Запчасти Case 550G (2-45A) - CYLINDER BLOCK, 4T-390 ENGINE, PRIOR TO P.I.N. JJG0255794, PRIOR TO ENGINE S/N 45537238 (01) - ENGINE

Схема запчастей Case 550G - (2-45A) - CYLINDER BLOCK, 4T-390 ENGINE, PRIOR TO P.I.N. JJG0255794, PRIOR TO ENGINE S/N 45537238 (01) - ENGINE
34
13
1
4
23
5
22
26
33
28
32
6
19
29
11
7
17
7
21
30
18
24
31
25
7
27
8
15
6
6
3
14
20
12
16
10
9
2
FIT
1:1
100%

Артикул

Название

Примечание

Количество

1989047C3

ENGINE ASSEMBLY

ENGINE ASSY complete, 4T-390, includes all parts except starter, alternator, fan, fan belt, air cleaner, muffler and exhaust pipe, for service order basic engine below, Replaces: 1989047C2, Includes: Ref. 1 - 8

1шт.

1989092C3

BASIC ENGINE

Incl. 1 - 8

1шт.

Incl. all parts except starter, alternator, fan, fan belt, air cleaner, muffler, exhaust manifold, flywheel and housing, oil fill and dipstick, fuel injection pump, injectors and lines, front pulley, belt tensioner, turbocharger and aftercooler, Replaces: 1989092C2; See Note

1шт.

47465924R

REMAN-BASIC ENGINE

Remanufactured Basic Engine Assembly, assembly includes short block assembly, cylinder head, valve cover, front cover, oil pan, water pump, thermostat and gasket kit to transfer trim parts

1шт.

47465924C

CORE-BASIC ENGINE

Return Part Number

1шт.

JR933236

REMAN-SHORT ENGINE

Block Assembly. short, remanufactured, component parts in this figure do not apply to the remanufactured assembly, Replaces: AR77759 and JR920387, Includes: Ref. 1 - 8

1шт.

JC933236

CORE-SHORT ENGINE

Return Part Number

1шт.

AR77758

BLOCK ASSY.

1шт.

AC77758

CORE-ENGINE

Return Part Number, use this part number to return short block core for credit when using a remanufactured assembly, Includes: Ref. 1 - 8

1шт.

J920387

SKELETON ENGINE

BLOCK ASSY. short, new, includes stripped block, pistons, connecting rods and bearings, crankshaft and bearings, no longer used, order J933236 shown below, Includes: Ref. 1 - 8

1шт.

Order J920399 hardware kit when ordering J920387 block assembly or J916254 stripped block.

1шт.

J933236

SHORT ENGINE

BLOCK ASSY. new, includes stripped block, pistons, connecting rods & bearings, crankshaft & bearings, Replaces: J920387, (1) J933220 hardware kit, (2) 250838A2 connectors use for adapting the oil pressure switch to new cylinder block, Includes: Ref. 1 - 8

1шт.

JR933236

REMAN-SHORT ENGINE

1шт.

JC933236

CORE-SHORT ENGINE

Return Part Number

1шт.

1

J916254

BLOCK ASSY.

stripped, engine, no longer available, order J933236 short block assembly or 1989092C3 basic engine shown above, Includes: Ref. 2 - 8

1шт.

Order J920399 hardware kit when ordering J920387 block assembly or J916254 stripped block.

1шт.

2

J900967

BEARING CAP

CAP main

5шт.

3

J900068

BEARING WASHER

RING dowel, main bearing cap to block, 18 mm O.D.

10шт.

4

J904217

BOLT,Hex, M14 x 2 x 119mm, Cl 12.9

main bearing cap, special

10шт.

5

REF

INSTRUCTION

BUSHING camshaft front, see Figure 2-40, Ref. 2

1шт.

6

A77782

PLUG

expansion, 58 mm O.D.

1шт.

7

J900956

PLUG

expansion, 18 mm O.D.

3шт.

8

41-1616

PLUG,Cup, 1", Stainless

Expansion

2шт.

J802641

PACKAGE, REPAIR

KIT block hardware, not used with J933236 short block, order J933220, see Figure 2-45E, Includes: Ref. 9 - 18

1шт.

Order J920399 hardware kit when ordering J920387 block assembly or J916254 stripped block.

1шт.

9

J900958

PLUG

expansion, 32 mm O.D.

2шт.

10

J900955

PLUG

expansion, 10 mm O.D.

1шт.

11

172599

PLUG,Exp, 2 3/8"

expansion, welch, 60 mm O.D.

1шт.

12

J920706

PLUG

expansion, 22 mm O.D., not used in this application, Ref. 19, J903744 turbocharger oil drain tube is installed in this port

1шт.

13

J900257

PIN,10.01mm OD x 16mm L

dowel, locating, 16 mm long

2шт.

14

J902343

DOWEL

RING, 16 mm O.D.

2шт.

15

J900068

BEARING WASHER

RING dowel, 18 mm O.D.

2шт.

16

J906619

PLUG,1/8" - 27

hex, 1/8" PT

2шт.

17

A77429

PLUG

hex socket, 1/2" PT

1шт.

18

J919002

NOZZLE CAP

piston cooling

4шт.

19

J903744

PIPE FITTING,22.42 mm ID x 28 mm OD x 90.2, 64 mm L

turbocharger oil drain

1шт.

20

J900267

SEAL

cover bolt

4шт.

21

845-8020

BOLT,Hvy Hex, M8 x 20mm, Cl 8.8

2шт.

22

J925680

COVER

tappet

1шт.

23

J928831

GASKET

tappet cover, Replaces: J922078

1шт.

24

J907586

BAFFLE

tappet cover

1шт.

25

J934877

HYD CONNECTOR

water inlet, Replaces: J903102

1шт.

26

J906697

SEAL,Square, 5.16mm Thk x 50.17mm ID

O-RING, 50 mm ID

1шт.

27

854-10075

BOLT,Hvy Hex, M10 x 75mm, Cl 10.9

Heavy

3шт.

28

A77429

PLUG

hex socket, 1/2" PT

2шт.

29

J918612

TUBE,360.00 mm

Breather

1шт.

30

J904230

CLAMP,25.4mm

spring, hose

1шт.

31

J909670

CLIP

retaining

1шт.

196803A1

KIT

engine block heater, Replaces: A77634, Includes: Ref. 32 - 34

1шт.

32

NSS

NOT SOLD SEPARAT

ELEMENT engine block heater, 120 volt

1шт.

33

196466A1

ELECTRIC CABLE

engine block heater, Replaces: J905113

1шт.

34

J910517

O-RING

heater sealing, engine block

1шт.

Выбрано товаров: 52