Запчасти Case 550G (6-06) - TRANSMISSION MOUNTING, BREATHER AND DIPSTICK (03) - TRANSMISSION

Схема запчастей Case 550G - (6-06) - TRANSMISSION MOUNTING, BREATHER AND DIPSTICK (03) - TRANSMISSION
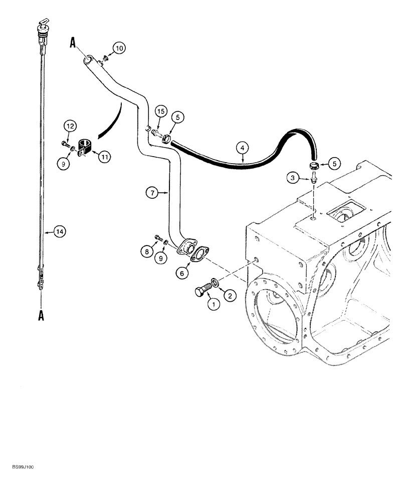
9
2
5
8
1
5
3
14
6
12
9
15
4
11
10
7
FIT
1:1
100%

Артикул

Название

Примечание

Количество

1

107-91228

LOCK BOLT,Locking, 3/4"-10 x 1 3/4", G8, Full Thd

Mounts transmission to main frame and seat and tank frame

8шт.

2

T53681

WASHER,19.84mm ID x 44.5mm OD x 5.559mm Thk

flat, hardened, special

8шт.

3

217-209

FITTING

ADAPTER straight, brake dump and breather hose, 1/4" stem x 3/8" PT

1шт.

4

H435604

FUEL HOSE,6.35 mm ID x 381.00 mm, SAE 30R6, SAE 30R7

Cut from Bulk Hose

1шт.

5

214-1404

HOSE CLAMP,#04, 0.25" - 0.62", Type F Worm

Adj

2шт.

6

R47073

GASKET

dipstick tube

1шт.

Part of Transmission Seal Kit P/N 138971A1

1шт.

7

R49304

TUBE,1.5" OD

dipstick

1шт.

8

413-616

BOLT,Hex, 3/8" - 16 x 1", Gr 5

2шт.

9

492-11038

LOCK WASHER,3/8"

3шт.

10

D63543

BREATHER

dipstick tube

1шт.

11

515-23381

CLAMP,1 1/2", Insul, 3/8" Bolt

P-type, To hydraulic reservoir, Replaces S86530

1шт.

12

413-610

BOLT,Hex, 3/8" - 16 x 5/8", Gr 5

1шт.

14

R52797

DIPSTICK

transmission

1шт.

15

217-150

FITTING,1/4" Hose Barb x 1/8" Male NPTF

ADAPTER straight, 1/4" stem end x 1/8" PT

1шт.

427683C1

HOSE,6.35mm ID x 7620mm L, SAE 30R7

bulk, 6 mm (1/4") x 13 mm (1/2") x 15240 mm (600") long, sold by the foot, see Ref. 4

1шт.

138971A1

SEAL KIT

KIT transmission

1шт.

Includes: Ref. 6 in Figure 6-06, Ref. 3's, 4, 24 and 26 in Figure 6-08, Ref. 6, 9, 12, 14, 16A's and 23 in Figure 6-10, Ref. 2, 5's, 8, 9, 11 - 14, 24, 32 - 35 and 44 in this figure, Ref. 1, 2, 14 - 17, and 29's in Figure 6-14, Ref. 37 (P/N A50199 and A50198) in Figure 6-16, Ref. 37 (P/N A50199 and A50198) in Figure 6-18, and Ref. 15 in Figure 6-20, plus an additional gasket not used in this application

1шт.

Выбрано товаров: 0