Запчасти Case 550G (1-10) - PICTORIAL INDEX, TRANSMISSION HYDRAULIC CIRCUIT (00) - PICTORIAL INDEX

Схема запчастей Case 550G - (1-10) - PICTORIAL INDEX, TRANSMISSION HYDRAULIC CIRCUIT (00) - PICTORIAL INDEX
6
1
10
7
5
8
9
2
11
12
4
3
FIT
1:1
100%

Артикул

Название

Примечание

Количество

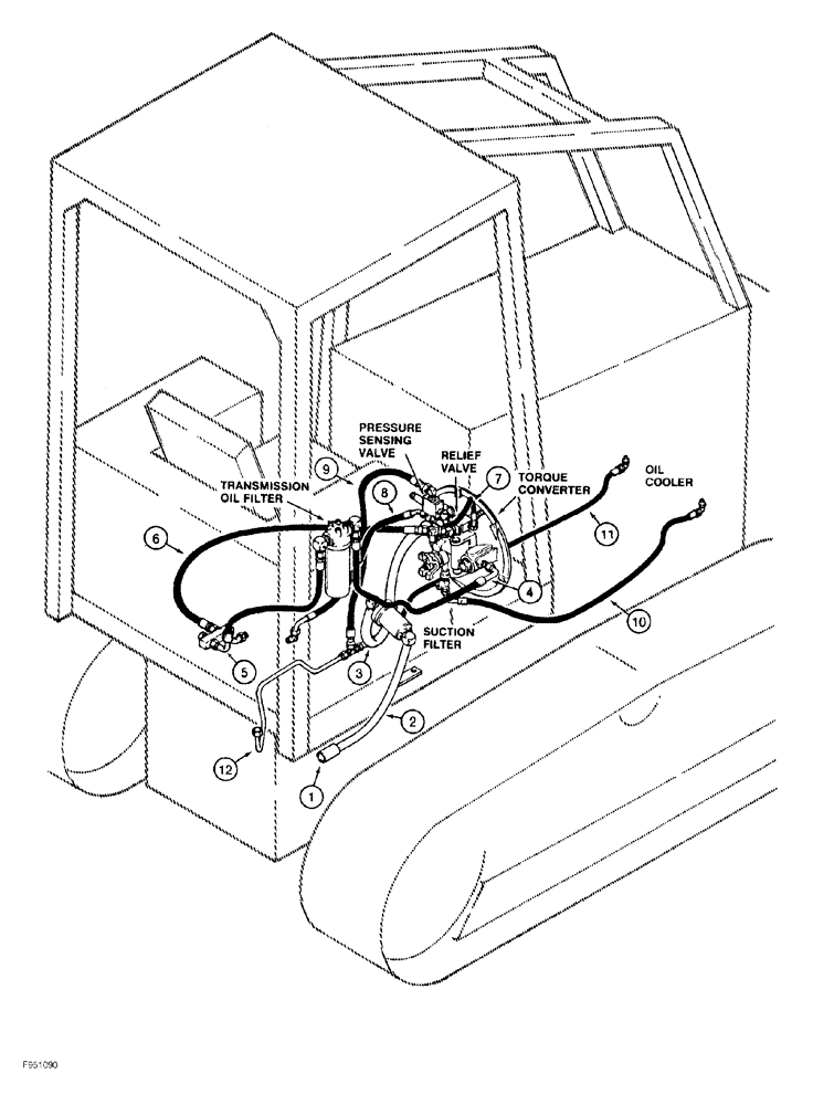
1

Suction hose at transmission, Page 6-29

1шт.

2

Suction tube from transmission to suction filter, Page 6-29

1шт.

3

Suction hose from filter to torque converter, Page 6-29

1шт.

4

Supply hose at torque converter to filter, Page 6-27

1шт.

5

Supply hose at control valve from filter, Page 6-27

1шт.

6

Supply hose at relief valve from control valve, Page 6-27

1шт.

7

Supply hose at pressure sensing valve to transmission, Page 6-27

1шт.

8

Return hose from pressure sensing valve to transmission, Page 6-31

1шт.

9

Cooling circuit hose at pressure sensing valve, Page 6-31

1шт.

10

Cooling circuit hose from torque converter to oil cooler, Page 6-31

1шт.

11

Return hose from oil cooler to transmission, Page 6-31

1шт.

12

Return tube from oil cooler hose to transmission, Page 6-31

1шт.

Выбрано товаров: 12