Запчасти Case 550H (9-13) - GUARD, RADIATOR - GRILLE AND SCREEN (09) - CHASSIS/ATTACHMENTS

Схема запчастей Case 550H - (9-13) - GUARD, RADIATOR - GRILLE AND SCREEN (09) - CHASSIS/ATTACHMENTS
19
4
3
18
22
18
16
5
7
20
19
13
21
11
14
18
10
7
7
15
17
16
12
3
6
8
9
2
19
1
3
10
7
8
8
11
8
FIT
1:1
100%

Артикул

Название

Примечание

Количество

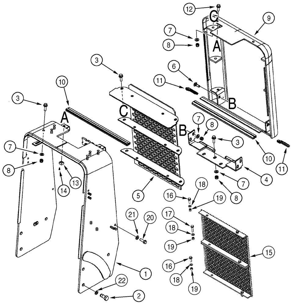
1

316626A1

FRAME ASSY

Guard Radiator

1шт.

2

107-91228

LOCK BOLT,Locking, 3/4"-10 x 1 3/4", G8, Full Thd

6шт.

3

160-108

BOLT,Hex, 1/2" - 13 x 1 1/2", Gr 8, Full Thd

Bolt, Flange 1/2 x 1-1/2; 8

15шт.

4

363645A1

SLIDE

Hinge Grille

1шт.

5

348493A1

GRILLE

1шт.

6

433-824

CARRIAGE BOLT,Sq Nk, 1/2" - 13 x 1 1/2", Gr 5

4шт.

7

496-21053

WASHER,17/32" x 1 1/16" x .134"

19шт.

8

231-1448

NUT,1/2"-13, GB

19шт.

9

348310A1

FRAME ASSY

1шт.

10

305241A1

SEAL

Rubber 596 mm (23-1/2 in)

2шт.

11

332501A1

SEAL

Rubber 118 mm (4-3/4 in)

2шт.

12

160-107

BOLT,Hex, 1/2" - 13 x 1 1/4", Gr 8, Full Thd

2шт.

13

224-2808

SQUARE NUT,Sq, 1/2"-13, G2, Hvy

2шт.

14

336371A1

PIN,4.88mm OD x 14.23mm L

2шт.

15

364060A1

SCREEN

Radiator Brush If Equipped

2шт.

16

160-103

BOLT,Hex, 3/8" - 16 x 1 1/4", Gr 8, Full Thd

4шт.

17

160-104

BOLT,Hex, 3/8" - 16 x 1 3/4", Gr 8

Flange 1/2 x 1-1/4; 8

2шт.

18

496-11041

WASHER,13/32" x 13/16" x .065", HDN

3/8

6шт.

19

231-1446

NUT,3/8" - 16, Gr 5

6шт.

20

413-824

BOLT,Hex, 1/2" - 13 x 1-1/2", Gr 5

2шт.

21

496-21053

WASHER,17/32" x 1 1/16" x .134"

2шт.

22

D34666

WASHER,33.34mm ID x 63.5mm OD x 2.38mm Thk

Special

6шт.

Выбрано товаров: 22