Запчасти Case 550H (5-03) - TRACK ADJUSTER AND IDLER, MOUNTING (11) - TRACKS/STEERING

Схема запчастей Case 550H - (5-03) - TRACK ADJUSTER AND IDLER, MOUNTING (11) - TRACKS/STEERING
15
9
18
6
4
17
3
5
16
7
11
1
2
10
12
8
FIT
1:1
100%

Артикул

Название

Примечание

Количество

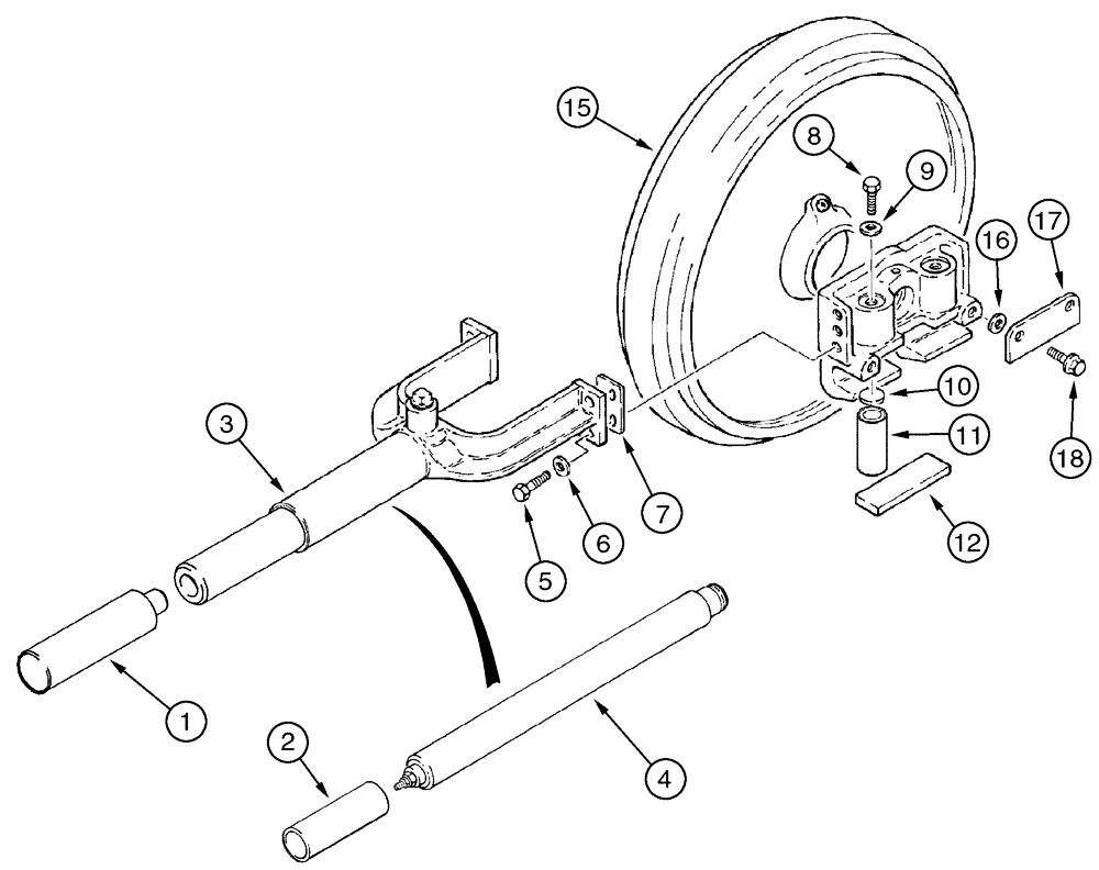
1

R58451

SPACER

Used on Models With Steel Tracks

2шт.

2

125061A1

TUBE,39.7 mm ID, 54 mm OD

Spacer Used on Models With Rubber Tracks

2шт.

3

R58480

FORK

Adjuster Assy Used on Models With Steel Tracks See Figure(s) : 5-04

2шт.

4

125636A1

CYLINDER ASSY.

Adjuster Assy Used on Models With Rubber Tracks See Figure(s) : 5-04

2шт.

5

413-820

BOLT,Hex, 1/2" - 13 x 1-1/4", Gr 5

8шт.

6

496-21053

WASHER,17/32" x 1 1/16" x .134"

8шт.

7

R37875

SHIM,0.813mm Thk

(.032")

1шт.

297032A1

KIT

Mounting Idler Consists Of : 8 - 14

1шт.

8

413-614

BOLT,Hex, 3/8" - 16 x 7/8", Gr 5

8шт.

9

495-21044

WASHER,3/8"

(7/16 x 1 x 5/64)

8шт.

10

R33245

SPRING SEAT

8шт.

11

188866A1

SHOCK ABSORBER

Spring

8шт.

12

R58720

LARGE PLATE

PLATE, LARGE Wear

4шт.

13

R58373

BAR

Plate, Wear Not Illustrated See Figure(s) : 5-01

4шт.

14

R58722

SHIM,0.81mm Thk

Not Illustrated, See Figure(s) 5-01

4шт.

15

329712A1

FRONT IDLER

See Figure(s) : 5-05

2шт.

16

D44330

SHIM,.031" Thk

1шт.

17

R49772

LARGE PLATE

PLATE, LARGE Guide

4шт.

18

413-1024

BOLT,Hex, 5/8" - 11 x 1-1/2", Gr 5

8шт.

Выбрано товаров: 19