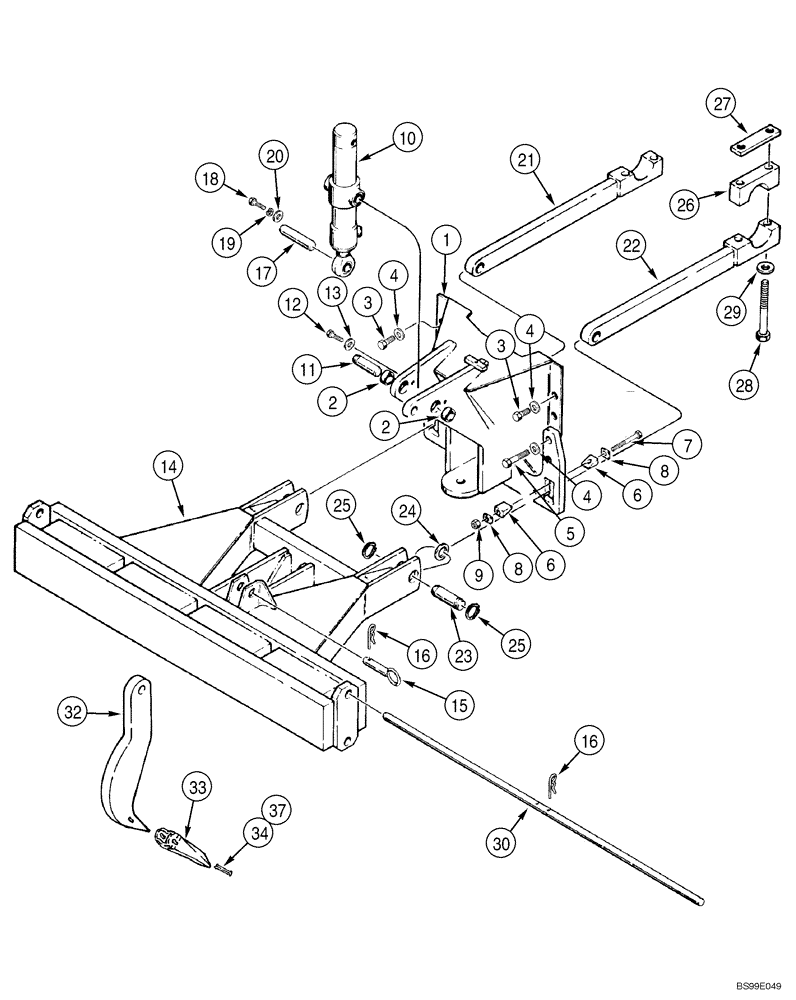
Запчасти Case 550H-IND (09-05) - RIPPER (09) - CHASSIS/ATTACHMENTS

Схема запчастей Case 550H-IND - (09-05) - RIPPER (09) - CHASSIS/ATTACHMENTS
10
27
13
8
14
3
28
32
22
7
29
6
16
34
12
25
16
30
21
19
4
3
18
33
26
11
2
1
37
25
17
8
20
9
5
23
4
4
2
24
15
6
FIT
1:1
100%

Артикул

Название

Примечание

Количество

1

R54403

LARGE PLATE

PLATE, LARGE Includes Ref. 2

1шт.

2

D32890

BUSHING

2шт.

3

326-1220

BOLT,Hex, 3/4" - 10 x 1-1/4", Gr 8

4шт.

4

D34666

WASHER,33.34mm ID x 63.5mm OD x 2.38mm Thk

Special

8шт.

5

326-1236

BOLT,Hex, 3/4" - 10 x 2-1/4", Gr 8

4шт.

6

D34678

BLOCK

4шт.

7

413-836

BOLT,Hex, 1/2" - 13 x 2-1/4", Gr 5

2шт.

8

D34705

WASHER

Special

4шт.

9

231-4118

LOCK NUT,1/2"-13, GB

1/2

2шт.

10

G101230

HYDRAULIC CYLINDER,Double Acting, 38.1mm Rod, 266.7mm Stroke

76 ID x 267 mm Strk Ripper See Figure(s) : 08-12

1шт.

11

D34706

PIN,31.75mm OD x 60.33mm L

2шт.

12

413-1016

BOLT,Hex, 5/8" - 11 x 1", Gr 5

5/8 x 1

2шт.

13

419223A1

WASHER

Finish Zinc Plated, Replaces 70523 Washer Plain ( 5/8 in ) Used On Some Models

2шт.

14

D35886

FRAME

1шт.

15

D34715

PIN

Lock

1шт.

16

136-162

HAIR PIN COTTER,Int, 1/2" x .250"

Pin, Cotter 1/2 x 3-1/4

3шт.

17

D36174

AXLE PIN,31.75mm OD x 123.83mm L

1шт.

18

413-812

BOLT,Hex, 1/2" - 13 x 3/4", Gr 5

1/2 x 3/4

2шт.

19

80679

LOCK WASHER,1/20.507 CST ZND

2шт.

20

D25022

WASHER

Special

2шт.

21

R47375

ARM

Left Hand

1шт.

22

R47376

ARM

Right Hand

1шт.

23

D36614

PIN,38.1mm OD x 107.95mm L

2шт.

24

R15389

SPACER

Spacer

2шт.

25

103-16125

SNAP RING,#125, Ext

4шт.

26

D34663

CLAMP

4шт.

27

D34722

BLOCK

Mounting

2шт.

28

413-14120

BOLT,Hex, 7/8" - 9 x 7-1/2", Gr 5

7/8 x 7-1/2 Use Loctite No. 242

4шт.

B17577

LOCTITE

No. 242, 6 ml

1шт.

29

D34667

WASHER,23.02mm ID x 38.1mm OD x 3.57mm Thk

Special

4шт.

30

D35900

ROD

Connecting

3шт.

31

D43403

LINING

Trim, 127 mm (5 inch) Cut From : F42827 Hose Guard At Ripper Support Not Illustrated

1шт.

221536A1

SHANK

Not Illustrated : 32 - 34 Manufactured By : H & L Tooth Not Available as an Assembly Order Components Order Instruction Sheet : 7-51140

3шт.

32

87435670

SHANK

Replaces 221535A1

1шт.

33

R54258

POINT

Tip, Tooth

1шт.

34

D39448

PIN

1шт.

258717A1

Shank Assy Optional : 35 - 37 Manufactured By : Esco Not Available As An Assembly Order Components Order Instruction Sheet : 7-51140

3шт.

35

258718A1

SHANK

Not Illustrated

1шт.

36

258719A1

TOOTH

Not Illustrated

1шт.

37

D39448

PIN

1шт.

Выбрано товаров: 40