Запчасти Case 550H-IND (05-09) - TRACK CHAIN, CASE LUBRICATED, EACH MASTER LINK HAS ONE BOLT HOLE (11) - TRACKS/STEERING

Схема запчастей Case 550H-IND - (05-09) - TRACK CHAIN, CASE LUBRICATED, EACH MASTER LINK HAS ONE BOLT HOLE (11) - TRACKS/STEERING
23
26
24
14
15
25
16
1
9
26
21
13
6
12
8
7
3
2
24
18
17
22
20
19
5
4
FIT
1:1
100%

Артикул

Название

Примечание

Количество

R57372

CHAIN (CE)

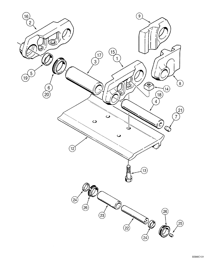
Track Case Lubricated Consists Of : 1 - 11

2шт.

1

R57404

CHAIN LINK

RH

36шт.

2

R57403

CHAIN LINK

LH

36шт.

3

R57369

BUSHING

47 mm (1-7/8 in) OD

37шт.

4

R57368

PIN

37шт.

5

R57377

RING

Spacer

74шт.

6

R57370

SEAL

74шт.

7

R54334

PLUG,16mm

37шт.

R57406

CHAIN LINK

Master Right Hand Consists Of : 8, 9

1шт.

8

NSS

NOT SOLD SEPARAT

Link Fits Over Track Pin on Outside of Regular Track Link

1шт.

9

NSS

NOT SOLD SEPARAT

Link Fits Over Bushing on Inside of Regular Track Link

1шт.

R57405

CHAIN LINK

Master Left Hand Consists Of : 10, 11

1шт.

10

NSS

NOT SOLD SEPARAT

Link Fits Over Track Pin on Outside of Regular Track Link Not Illustrated

1шт.

R57405

CHAIN LINK

1шт.

11

NSS

NOT SOLD SEPARAT

Link Fits Over Bushing on Inside of Regular Track Link Not Illustrated

1шт.

12

335447A1

TRACK SHOE

406 mm (16 in)

74шт.

12

335450A1

TRACK SHOE

508 mm (20 in)

74шт.

12

357468A1

TRACK SHOE

660 mm (26 in)

74шт.

12

335452A1

TRACK SHOE

711 mm (28 in)

74шт.

13

R57374

BOLT

9/16 NF x 1-25/32

296шт.

14

R57375

SQUARE NUT

Square, 9/16 NF Not Used on Master Link Bolts

288шт.

248109A1

Kit Includes Instructions Consists Of : 15 - 21, Chain Unit Kit

1шт.

15

R57404

CHAIN LINK

RH, Unit Kit

1шт.

16

R57403

CHAIN LINK

LH, Unit Kit

1шт.

17

R57369

BUSHING

47 mm (1-7/8 in) OD, Chain Unit Kit

1шт.

18

R57368

PIN

Chain Unit Kit

2шт.

19

R57377

RING

Spacer, Chain Unit Kit

4шт.

20

R57370

SEAL

Chain Unit Kit

4шт.

21

R54334

PLUG,16mm

Chain Unit Kit

2шт.

R57415

PIN

Kit Pin and Bushing Includes Instructions Consists Of : 22 - 27, services complete track chain for both sides of tractor

1шт.

22

R57368

PIN

Pin and bushing kit services complete track chain for both sides of tractor

74шт.

23

R57369

BUSHING

47 mm (1-7/8 in) OD, pin and bushing kit services complete track chain for both sides of tractor

74шт.

24

R57377

RING

Spacer, pin and bushing kit services complete track chain for both sides of tractor

148шт.

25

R54334

PLUG,16mm

pin and bushing kit services complete track chain for both sides of tractor

74шт.

26

R57370

SEAL

pin and bushing kit services complete track chain for both sides of tractor

148шт.

27

345-140

SEALANT

No. 847, 1 Pint For Link Pin Bores Not Illustrated, pin and bushing kit services complete track chain for both sides of tractor

1шт.

Выбрано товаров: 36