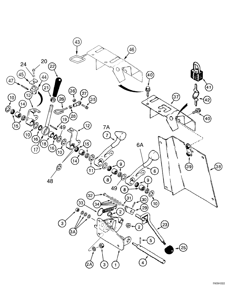
Запчасти Case 550H-IND (06-17) - CONTROLS, TRANSMISSION, CONTROL LEVERS AND CONSOLE COVERS, MODELS W/ OPTIONAL LINEAR SHIFT PATTERNS (06) - POWER TRAIN

Схема запчастей Case 550H-IND - (06-17) - CONTROLS, TRANSMISSION, CONTROL LEVERS AND CONSOLE COVERS, MODELS W/ OPTIONAL LINEAR SHIFT PATTERNS (06) - POWER TRAIN
40
18
37
17
36
26
20
48
47
12
35
10
13
19
6
30
10
2a
27
45
10
40
33
3
34
9
49
16
7
44
32
8
2
28
22
15
8
14
21
10
4
9
15
1
46
43
49
39
41
29
24
11
38
31
42
3a
2
16
5
3
25
23
14
7a
6a
FIT
1:1
100%

Артикул

Название

Примечание

Количество

1

106584A2

BRACKET

Throttle and Transmission Controls, Includes : 2

1шт.

2

R58311

BRONZE BUSHING

Bushing

2шт.

2a

495-11041

WASHER,0.406" ID x 0.812" OD x 0.065" W

(13/32 x 13/16 x 1/16")

3шт.

3

231-1446

NUT,3/8" - 16, Gr 5

4шт.

3a

R58742

WASHER

Belleville

3шт.

4

R57937

SHAFT

Lever

1шт.

5

38-11632

LOCK PIN,1/4" x 2", Slotted

1шт.

6

R58134

LEVER

Track Speed Right Hand, Includes : 8, 9; No Longer Available, Order 436824A1 Ref. 6A

1шт.

6a

436824A1

LEVER ASSY.

Track Speed Right Hand, Includes : 8, 9

1шт.

7

R58135

LEVER

Track Speed Left Hand, Includes : 8, 9; No Longer Available, Order 436821A1 Ref. 7A

1шт.

7a

436821A1

LEVER ASSY.

Track Speed Left Hand, Includes : 8, 9

1шт.

8

377133R91

ROLLER BEARING,Needle, 19.04mm ID x 25.41mm OD x 19.05mm W

Roller

1шт.

9

A32309

SEAL,18.8mm ID x 25.5mm OD x 3.1mm Thk

Oil, Replaces 65457C1

2шт.

10

1960614C1

WASHER,20mm ID x 35mm OD x 1.58mm Thk

Special Used As Shim

4шт.

11

R58209

SPACER

Nylon

2шт.

12

106582A1

LEVER

Bellcrank Forward Control, Includes : 14, 15

1шт.

13

106583A1

LEVER

Bellcrank Reverse Control, Includes : 14, 15

1шт.

14

377133R91

ROLLER BEARING,Needle, 19.04mm ID x 25.41mm OD x 19.05mm W

Roller

1шт.

15

A32309

SEAL,18.8mm ID x 25.5mm OD x 3.1mm Thk

Oil, Replaces 65457C1

2шт.

16

R57931

SPACER

2шт.

334479A1

LEVER

Forward/Neutral/Reverse Consists Of : 17 - 19

1шт.

17

NSS

NOT SOLD SEPARAT

Lever

1шт.

18

R58306

SPHERICAL BEARING,19.05mm ID x 31.75mm OD x 16.66mm W

Bearing, Pivot

1шт.

19

38-1822

PIN,1/8" OD x 1-3/8" L, Slotted

1/8" x 1 3/8", Slotted

1шт.

20

461-7258

HEX SOC SCREW,Btn Hd, 1/4"-20 x 1/2"

Socket 1/4 x 1/2, For Models With Optional Linear Shift Pattern

1шт.

21

425-1510

JAM NUT,Jam, 5/8"-18, G5

1шт.

22

441869A1

HANDLE GRIP

Replaces L55721 Handle Control

1шт.

23

R57938

LEVER

Neutral Start

1шт.

24

492-11025

LOCK WASHER,1/4"

For Models With Optional Linear Shift Pattern

1шт.

25

70213

KNOB

1шт.

26

R58266

LINK

1шт.

27

L53928

BALL JOINT

Rod

1шт.

28

425-154

JAM NUT,Jam, 1/4"-28, G5

1шт.

29

108505A1

ARM

1шт.

30

435-1416

GROOVED PIN,1/8" x 1", Type A

1/8" x 1", Type A

1шт.

31

38-11212

LOCK PIN,3/16" x 3/4", Slotted

3/16 x 3/4, Slotted Spring HVY. PLN, Replaces 138-92, , 3/16" x 3/4", Slotted

1шт.

32

413-524

BOLT,Hex, 5/16" - 18 x 1-1/2", Gr 5

Use Loctite No. 242

1шт.

B17577

LOCTITE

No. 242, 6 ml

1шт.

33

101993A1

SPRING

Tension

1шт.

34

495-81020

WASHER,17/32" x 1" x .030"

17/32 x 1 x 1/32

4шт.

35

461-32512

HEX SOC SCREW,1/4"-20 x 3/4"

Socket 1/4 x 3/4

1шт.

36

425-144

JAM NUT,Jam, 1/4"-20, G5

1шт.

37

106610A1

COVER

Console Upper

1шт.

38

R58656

COVER

Console Front

1шт.

39

R58703

PLATE

Bracket

1шт.

40

160-101

BOLT,Hex, 3/8" - 16 x 3/4", Gr 8, Full Thd

Flange 3/8 x 3/4; 8

8шт.

41

D93753

PADLOCK

Includes : 42; If Used

1шт.

42

R29555

KEY

For Master Padlock Only

2шт.

42

D93751

SET OF 2 KEYS

For Yale Padlock Only

2шт.

43

R58821

LINK

Lever Neutral Start, For Models With Optional Linear Shift Pattern

1шт.

44

R58819

SHAFT

For Models With Optional Linear Shift Pattern

1шт.

45

R58820

LARGE PLATE

PLATE, LARGE For Models With Optional Linear Shift Pattern

1шт.

46

R58816

COVER

Console Upper, For Models With Optional Linear Shift Pattern

1шт.

47

38-1814

LOCK PIN,1/8" x 7/8", Slotted

For Models With Optional Linear Shift Pattern 1/8" x 7/8", Slotted

1шт.

48

R58209

SPACER

Nylon

1шт.

49

1960614C1

WASHER,20mm ID x 35mm OD x 1.58mm Thk

Special; No Longer Available, Order R58209 Ref. 48

2шт.

Выбрано товаров: 56