Запчасти Case 400 (192) - 35738 HYDRAULIC PUMP (30 G.P.M.) (07) - HYDRAULIC SYSTEM

Схема запчастей Case 400 - (192) - 35738 HYDRAULIC PUMP (30 G.P.M.) (07) - HYDRAULIC SYSTEM
FIT
1:1
100%

Артикул

Название

Примечание

Количество

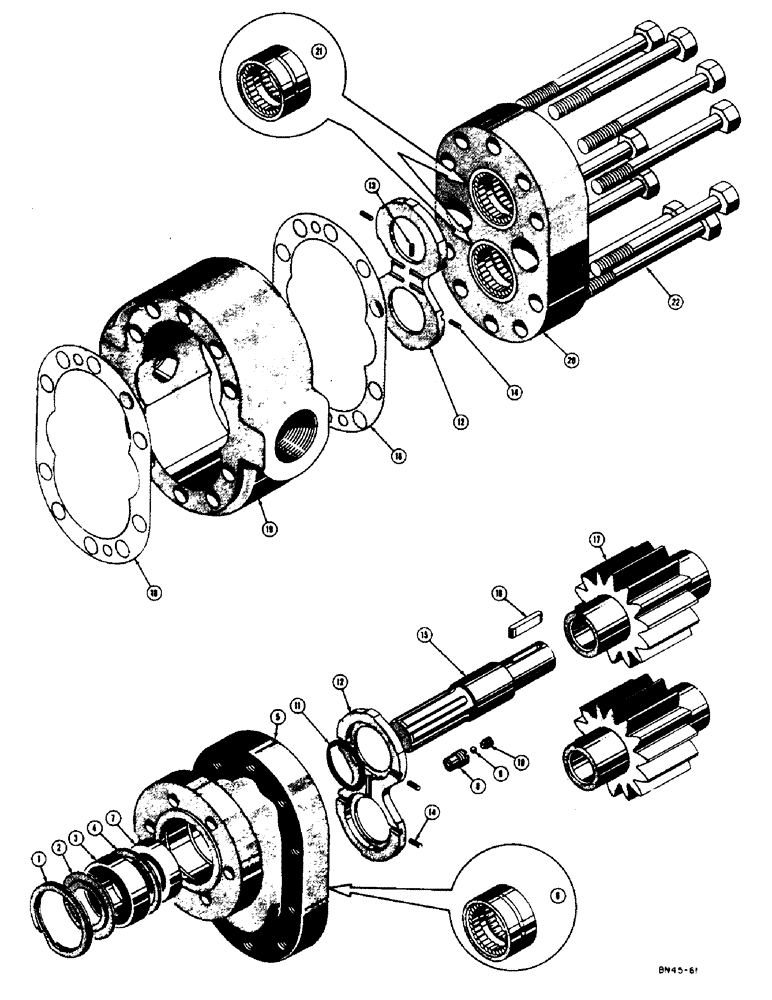
35738

DRAWBAR

PUMP - hydraulic

1шт.

Service is provided on component parts only - for a replacement pump use 74838.

1шт.

1

71466

SNAP RING,#206, 2.190", Int, Spiral

RING - retaining

1шт.

2

71429

BEARING COVER

SHIELD - bearing

1шт.

3

295109R91

BALL BEARING

- ball, drive shaft

1шт.

4

72730

SPACER

- bearing

1шт.

5

73199

COVER - pump, front

1шт.

6

71435

BEARING

- roller

1шт.

7

72731

SEAL

- oil

1шт.

8

71430

TOOL

SEAT - check valve

2шт.

9

A7456

X

BALL - check (3/16" dia.)

2шт.

10

71432

TOOL

RETAINER - check ball

2шт.

11

A27355

O-RING,0.139" Thk x 1.17" ID, -217, Cl 5, 75 Duro

"O" RING - seal

2шт.

12

71442

LARGE PLATE

PLATE - thrust

2шт.

13

D35673

SEAL

- pocket

2шт.

14

71441

SEAL - pocket

8шт.

15

71437

SHAFT - pump drive

1шт.

16

72737

KEY - gear

1шт.

17

5464

GEAR

S - set of, drive and driven

1шт.

18

NLS

NO LONGER SERVICED

- covers to gear housing

2шт.

19

71439

HOUSING - gear

1шт.

20

D24722

X

COVER - pump, rear

1шт.

21

71435

BEARING

- roller

2шт.

22

NLS

NO LONGER SERVICED

HHCS - 1/2 - 13 NC x 4-1/4

10шт.

Выбрано товаров: 24