Запчасти Case 400 (216) - MECHANICAL CROWNING BULLDOZER (05) - UPPERSTRUCTURE CHASSIS

Схема запчастей Case 400 - (216) - MECHANICAL CROWNING BULLDOZER (05) - UPPERSTRUCTURE CHASSIS
FIT
1:1
100%

Артикул

Название

Примечание

Количество

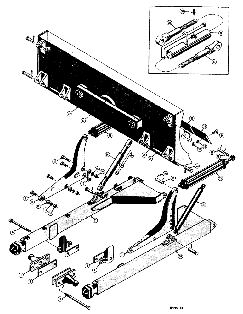
1

1327359C1

BAR

TRUNNION - push

2шт.

2

34043

SPACER,12.95mm ID x 19.05mm OD x 17.47mm L

- push trunnion

2шт.

3

14-12192

BOLT,Hex, 3/4" - 16 x 12", Gr 5

HHCS - 3/4 - 16 NF x 12

4шт.

4

37992

PLATE - rub, push beam

2шт.

5

34047

LEVER

SPACER - rub plate

2шт.

6

14-12192

BOLT,Hex, 3/4" - 16 x 12", Gr 5

HHCS - 3/4 - 16 NF x 12

4шт.

7

16692

BRACKET - cylinder, R.H.

1шт.

8

16693

CLAMP

BRACKET - cylinder, L.H.

1шт.

9

414-1032

BOLT,Hex, 5/8" - 18 x 2", Gr 5

HHCS - 5/8 - 18 NF x 2

6шт.

10

32799

SPACER - cylinder bracket

4шт.

11

414-1040

BOLT,Hex, 5/8" - 18 x 2-1/2", Gr 5

HHCS - 5/8 - 18 NF x 2-1/2

4шт.

12

17803

PLATE - reinforcing, cylinder bracket

2шт.

13

492-11062

BEARING WASHER,5/8"

WASHER, LOCK, 5/8"

8шт.

14

425-1110

NUT,5/8"-18, G5

8шт.

15

17751

CYLINDER - hydraulic, dozer lift (See figure 242 for breakdown)

2шт.

16

17631

BUSHING - lower cylinder mounting pin

2шт.

17

18743

PIN - mounting, cylinder (Lower)

2шт.

18

16726

PIN - mounting, cylinder (Upper)

2шт.

19

132-154

COTTER PIN,1/4" x 2"

Pin, Split (Cotter), 1/4" x 2"

8шт.

20

126632A1

CONDUIT

BEAM - push, R.H.

1шт.

21

131590A1

TUBE,225 mm Length

BEAM - push, L.H.

1шт.

22

37927

MOLDBOARD - dozer

1шт.

23

R18864

PIN

- push beam to moldboard, outer

2шт.

24

37990

PIN - push beam, R.H. and L.H.

6шт.

25

138-178

LOCK PIN,3/8" x 2 1/4", Slotted

PIN, 3/8" x 2 1/4", Slotted

8шт.

26

38884

STRUT ASS'Y - L.H. push, Serial Range: beam-moldboard

1шт.

27

39040

CONNECTING ROD

SCREW ASS'Y - strut, top

1шт.

28

38063

TURNBUCKLE - strut

1шт.

29

38041

SCREW ASS'Y - strut, bottom

1шт.

30

80710

LUBE NIPPLE,1/8” – 27 Dryseal PTF

NIPPLE, LUBE, , NPT (Lincoln #5000) 1/8"-27 x .66 lg

1шт.

31

37896

SUPPORT

STRUT - R.H. push, Serial Range: beam-moldboard

1шт.

32

NLS

NO LONGER SERVICED

BLADE - cutting, center

1шт.

33

NLS

NO LONGER SERVICED

BLADE - cutting, end

2шт.

34

419-3828

CARRIAGE BOLT,1/2” - 13 x 1-3/4” L, Gr 5

BOLT - plow (1/2 - 13 NC x 1-3/4)

19шт.

35

192-23

LOCK WASHER,1/2"

WASHER, LOCK, 1/2"

19шт.

36

425-108

NUT,1/2" - 13, Gr 5

NUT, , Hex 1/2"-13, G5

19шт.

37

219-55

LUBE NIPPLE,90 Degree Elbow, 1/8" - 27 NPTF

NIPPLE, LUBE, (Lincoln #5400) 90º, 1/8" NPT x .84" lg

1шт.

Выбрано товаров: 37