Запчасти Case 420B (148) - WINCH CASE (18) - ATTACHMENT ACCESSORIES

Схема запчастей Case 420B - (148) - WINCH CASE (18) - ATTACHMENT ACCESSORIES
FIT
1:1
100%

Артикул

Название

Примечание

Количество

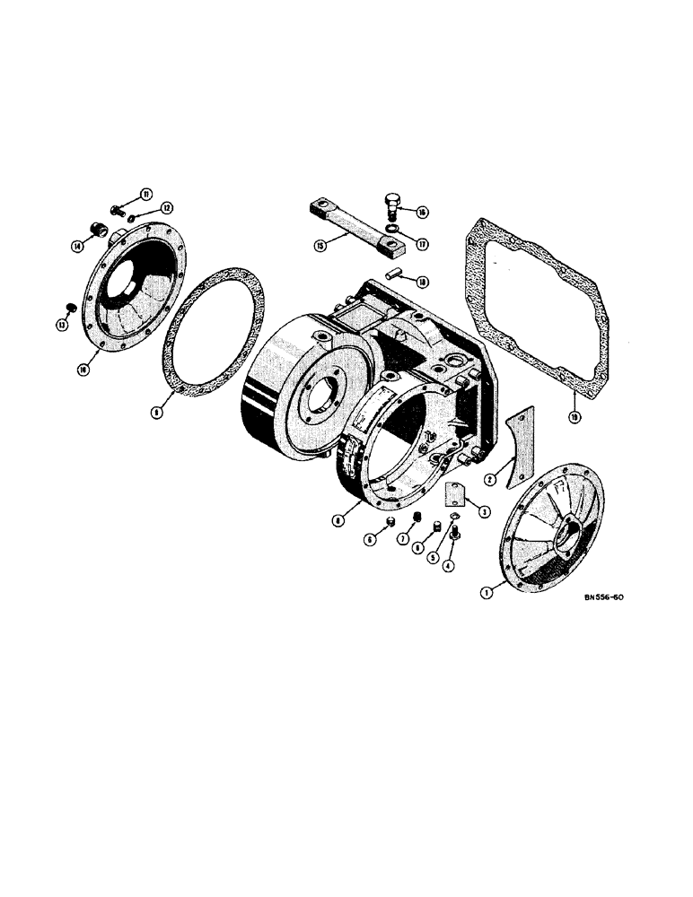
1

D26539

COVER - brake side

1шт.

2

D26540

COVER - brake adjustment

1шт.

3

D26542

COVER - brake hole

1шт.

4

14-614

SCREW,Hex, 3/8" - 24 x 7/8", Gr 5

HHCS - 3/8 - 24 NF x 7/8

14шт.

5

92-6

LOCK WASHER,3/8"

14шт.

6

D26541

SCREW - set, Nylock socket hd. (3/4 - 16 NF x 3/4)

3шт.

7

D26543

PLUG - pipe, magnetic (1/2 NPT ext. sq. hd.)

1шт.

8

D26544

CASE - winch

1шт.

9

D26546

GASKET - gear side cover

1шт.

10

D26547

COVER - gear side

1шт.

11

14-614

SCREW,Hex, 3/8" - 24 x 7/8", Gr 5

HHCS - 3/8 - 24 NF x 7/8

12шт.

12

92-6

LOCK WASHER,3/8"

12шт.

13

221-4

DRAIN PLUG,Sq Hd, 1/2"-14 NPTF

PLUG - pipe (1/2 NPT ext. sq. hd.)

1шт.

14

D26548

PLUG - breather

1шт.

15

D26549

GUARD - cable

1шт.

16

14-1228

BOLT,Hex, 3/4" - 16 x 1-3/4", Gr 5

HHCS - 3/4 - 16 NF x 1-3/4

2шт.

17

92-12

LOCK WASHER,3/4"

WASHER, LOCK, 3/4"

2шт.

18

38812

ARM

PIN - dowel (1/2" dia. x 1-1/4")

2шт.

19

38820

GASKET

GASKET - winch to adapter plate

1шт.

Выбрано товаров: 19