Запчасти Case 420B (152) - WINCH HYDRAULIC PUMP (18) - ATTACHMENT ACCESSORIES

Схема запчастей Case 420B - (152) - WINCH HYDRAULIC PUMP (18) - ATTACHMENT ACCESSORIES
FIT
1:1
100%

Артикул

Название

Примечание

Количество

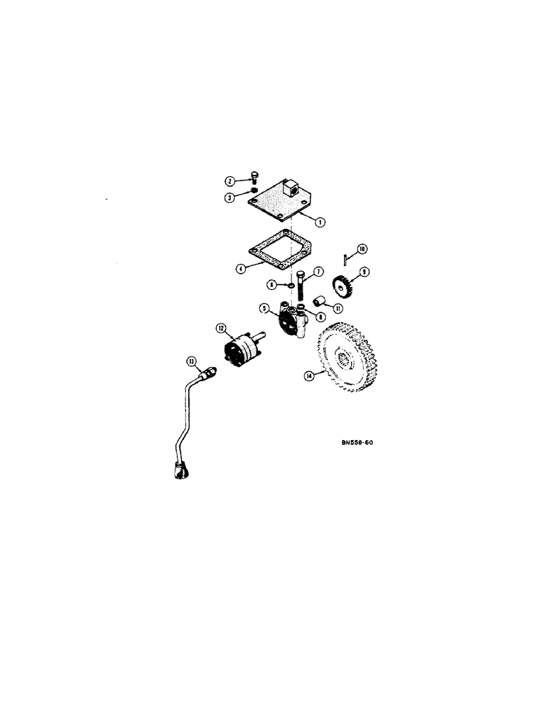
1

D26590

COVER - pump hole

1шт.

2

14-614

SCREW,Hex, 3/8" - 24 x 7/8", Gr 5

HHCS - 3/8 - 24 NF x 7/8

4шт.

3

92-6

LOCK WASHER,3/8"

4шт.

4

D27714

GASKET - pump hole cover

1шт.

5

D26593

ADAPTER - pump

1шт.

6

D26592

O-RING

SEAL - "O" ring, Serial Range: adapter-cover

1шт.

7

14-648

CAPSCREW,Hex, 3/8" - 24 x 3", Gr 5

HHCS - 3/8 - 24 NF x 3

2шт.

8

92-6

LOCK WASHER,3/8"

2шт.

9

D27713

GEAR - pump drive

1шт.

10

D27715

PIN - Driv-lok (5/32 x 1-1/4)

1шт.

11

08089AB

BEARING - needle

1шт.

12

D26594

PUMP - hydraulic

1шт.

D28799

X

SNAP RING - (Not shown)

2шт.

D28800

WASHER - fiber (3/8" I.D. x 5/8" O.D. x 1/32" thick) (Not shown)

4шт.

D28801

GASKET - pump to adapter (Not shown)

1шт.

D28802

VALVE - relief (Not shown)

1шт.

13

D26595

INTAKE ASS'Y - oil

1шт.

14

38829

GEAR - driven

1шт.

D26614

X

VALVE - control, complete

1шт.

Выбрано товаров: 19