Запчасти Case 420B (026) - STARTER, GENERATOR, BATTERY, AND WIRING (06) - ELECTRICAL SYSTEMS

Схема запчастей Case 420B - (026) - STARTER, GENERATOR, BATTERY, AND WIRING (06) - ELECTRICAL SYSTEMS
FIT
1:1
100%

Артикул

Название

Примечание

Количество

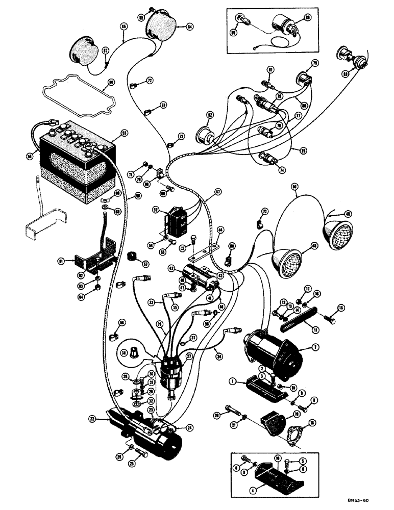
1

G2131

X

BRACKET - generator (Used on all models except dozer models - early production) Use D26162

1шт.

13-524

BOLT,Hex, 5/16" - 18 x 1-1/2", Gr 5

1шт.

3

92-5

LOCK WASHER,5/16"

2шт.

4

D26162

SPARE PART Generator (See G2131)

1шт.

5

13-512

BOLT,Hex, 5/16" - 18 x 3/4", Gr 5

2шт.

6

92-5

LOCK WASHER,5/16"

2шт.

7

G44879

SPARE PART 12 volt (Auto-Lite #GJT7104A)

1шт.

8

13-520

BOLT,Hex, 5/16" - 18 x 1-1/4", Gr 5

2шт.

9

92-5

LOCK WASHER,5/16"

2шт.

10

9635082

NUT,5/16" - 18, Gr 5

2шт.

11

G11344

SPARE PART Generator adjusting

1шт.

12

13-516

BOLT,Hex, 5/16" - 18 x 1", Gr 5

1шт.

13

92-5

LOCK WASHER,5/16"

1шт.

14

95-5

WASHER,3/8" x 7/8" x .083"

WASHER - plain (5/16)

1шт.

15

14-620

BOLT,Hex, 3/8" - 24 x 1-1/4", Gr 5

1шт.

16

92-6

LOCK WASHER,3/8"

1шт.

17

25-116

NUT,Hex, 3/8"-24, G5

1шт.

18

VT3691

X

GASKET - adapter

1шт.

19

G2098

SPARE PART ADAPTER - generator, Serial Range: bracket-block

1шт.

20

13-652

BOLT,Hex, 3/8" - 16 x 3-1/4", Gr 5

3шт.

21

92-6

LOCK WASHER,3/8"

3шт.

22

G44888

X

MOTOR - starting (Auto-Lite #MDU7104)

1шт.

23

G44892

SPARE PART SOLENOID - starting (Auto-Lite #SAE - 4006)

1шт.

24

G46297

CONNECTOR, ELEC

CONNECTOR BAR - connecting, solenoid to starter (Auto-Lite #SS-6L)

1шт.

129-27

NUT,Hex, #10 - 32

Not shown

1шт.

92-3

LOCK WASHER,#10

Not shown

1шт.

25

413-632

BOLT,Hex, 3/8" - 16 x 2", Gr 5

3шт.

26

92-6

LOCK WASHER,3/8"

3шт.

27

G11051

DISTRIBUTOR

(Auto-Lite IAD-6003-2J) See figure 30 F for breakdown

1шт.

28

VT5060

X

WASHER - thrust, distributor advance arm

1шт.

29

VTA2775

X

ARM - distributor advance (Auto-Lite #IG1860-A1)

1шт.

30

13-48

BOLT,Hex, 1/4" - 20 x 1/2", Gr 5

1шт.

31

92-4

LOCK WASHER,1/4"

1шт.

32

VT4593

X

SEAL -, Serial Range: distributor-block

1шт.

33

VTA3354

X

WIRE - #2 and #3 spark plugs to distributor cap

2шт.

34

VT2879

X

WIRE - #1 and #4 spark plugs to distributor cap

2шт.

35

G44840

SPARK PLUG

(Champion #D-16 18MM)

4шт.

36

G46839

GASKET

Spark plug

1шт.

37

V20356

NUT

WASHER - rubber, spark plug wire retaining

1шт.

38

VT3561

X

NIPPLE - rubber, spark plug wires and coil cable at distributor

5шт.

39

G13085

ELECTRICAL WIRE

WIRE, Serial Range: Coil-distributor

1шт.

40

VT3534

X

CABLE - distributor to coil (11" long)

1шт.

41

G46803

BOOT

NIPPLE - rubber, coil cable at coil

1шт.

42

G44808

X

COIL - ignition (Auto-Lite #CAG-4002A)

1шт.

43

G46106

BRACKET

BAND - mounting, coil

1шт.

44

G11705

BRACKET

STRAP - mounting, coil to valve cover stud

1шт.

45

14-512

BOLT,Hex, 5/16" - 24 x 3/4", Gr 5, Full Thd

2шт.

46

92-5

LOCK WASHER,5/16"

2шт.

47

25-115

NUT,5/16"-24, G5

2шт.

48

REF

INSTRUCTION

LIGHT - head (See figure 32, ref. #17)

2шт.

49

33705

GLASS

WIRE Ground, head light

2шт.

173-75

SCREW,Sl Rnd Hd, #8 - 32 x 3/8"

Ground wire, Not shown

2шт.

193-5

LOCK WASHER,Ext Tooth, #8

Shakeproof lock, Not shown

2шт.

50

D25753

JUMPER - RH head light to LH head light

1шт.

52

G44878

REGULATOR

Voltage (Auto-Lite #VBO-6201C-1)

1шт.

53

71-46

SCREW - fillister hd. mach. (1/4 - 20 NC x 3/8)

3шт.

54

92-4

LOCK WASHER,1/4"

3шт.

55

G44805

X

BATTERY - 12 volt (Exide #SS-2SM-50) (Used up to S/N 3014009)

1шт.

D27292

BATTERY - 12 volt (Auto-Lite #11GSA50) (Used from S/N 3014009)

1шт.

56

32375

CABLE

SPARE PART Battery, hot

1шт.

A21753

CAP

NIPPLE - rubber, starter solenoid terminal (Not shown)

1шт.

57

49562

GROMMET,11/16" ID x 1" Groove Dia

Rubber

1шт.

58

49836

CLAMP

CLIP - wire, battery cable

3шт.

59

38478

SPARE PART CABLE - battery, ground (Used up to S/N 3014009)

1шт.

D27497

SPARE PART Battery, ground (Used from S/N 3014009)

1шт.

Выбрано товаров: 65