Запчасти Case 420C (208) - HYDRAULIC CROWN TILT BULLDOZER (07) - HYDRAULIC SYSTEM

Схема запчастей Case 420C - (208) - HYDRAULIC CROWN TILT BULLDOZER (07) - HYDRAULIC SYSTEM
FIT
1:1
100%

Артикул

Название

Примечание

Количество

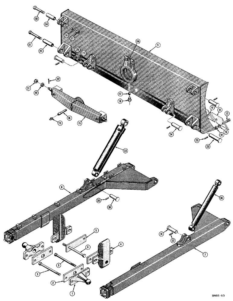
1

37775

BAR

TRUNNION - pivot, dozer attaching

2шт.

2

34043

SPACER,12.95mm ID x 19.05mm OD x 17.47mm L

- trunnion

2шт.

3

16-12192

BOLT (MACHINE)

HHCS - 3/4 - 16 NF x 12

4шт.

4

37992

PLATE - rub

2шт.

5

34047

LEVER

SPACER - rub plate

2шт.

6

16-12192

BOLT (MACHINE)

HHCS - 3/4 - 16 NF x 12

4шт.

7

37881

CONDUIT

BEAM - push, R.H.

1шт.

8

37997

FORK

BEAM - push, L.H.

1шт.

9

D25701

MOLDBOARD - hydraulic crown tilt bulldozer

1шт.

9a

D27109

TRUNNION - outer race

1шт.

10

16452

EDGE

BLADE - cutting, center

1шт.

11

16187

GUARD

BLADE - cutting, end

2шт.

12

19-828

BOLT,1/2"-13 x 1 3/4", G5

- plow (1/2" - 13 NC x 1-3/4")

19шт.

13

92-8

LOCK WASHER,1/2"

19шт.

14

25-108

NUT,1/2"-13, G5

- hex. (1/2 - 13 NC)

19шт.

15

D257022

LEVELING ASS'Y - moldboard

1шт.

16

D25736

PIPE - lubrication, leveling assembly

1шт.

17

211-17

BALL,3/4" Dia

- steel (.) 3/4" Dia

19шт.

18

D24506

PLUG

- special (7/8" - 14 NF)

1шт.

19

219-1

LUBE NIPPLE,1/8" - 27 NPTF

FITTING - grease, straight (1/8" NPT)

1шт.

20

D25704

SPACER

2шт.

21

25-1212

NUT - hex. slotted (3/4" - 10 NC) 3/4"-10, G5

2шт.

22

132-152

PIN

- cotter, 1/8" x 1-1/2"

2шт.

23

39222

PIN - R.H. push beam to moldboard, outer

1шт.

24

37990

PIN - push beam to moldboard, inner

2шт.

25

138-180

LOCK PIN,3/8" x 2 1/2", Slotted

PIN, , 39222 and 27990 pins 3/8" x 2 1/2", Slotted

3шт.

26

D20149

PIN - L.H. push beam to moldboard, outer

1шт.

27

13-896

BOLT,Hex, 1/2" - 13 x 6", Gr 5

1шт.

28

92-8

LOCK WASHER,1/2"

1шт.

29

25-108

NUT,1/2"-13, G5

- hex. (1/2 - 13 NC)

1шт.

30

38158

STRUT - R.H. push, Serial Range: beam-moldboard

1шт.

31

37990

PIN - mounting, strut (Upper and lower)

2шт.

32

138-180

LOCK PIN,3/8" x 2 1/2", Slotted

PIN, , 37990 pin 3/8" x 2 1/2", Slotted

2шт.

33

38160

LINE

CYLINDER - dozer lift, hydraulic (With tie rods) See Figure 224 for breakdown (When stock is exhausted, order D28218 cylinder, 218-5060 connector, and D23973 elbow)

1шт.

33

D28218

CYLINDER ASSY.

CYLINDER - dozer tilt, hydraulic (Without tie rods) See Figure 224 for breakdown (See 38160)

1шт.

218-5060

HYD CONNECTOR,3/4" - 16 Male JIC x 7/8" - 14 Male ORB

- male (1/2" JIC x 5/8" JIC) Used in front port of tilt cylinder when replacing 38160 cylinder with D28218 cylinder only (Not shown) 3/4"-16, 37º x 7/8"-14, O-Ring

1шт.

237-6010

O-RING,0.097" Thk x 0.755" ID, -910, Cl 6, 90 Duro

SEAL - "O"ring, 218-5060 connector (Not shown)

1шт.

D23973

ELBOW - male, 90 degrees (Rear tilt cylinder port) (1/2" JIC x 5/8" JIC) cylinder without tie rods only (Not shown)

1шт.

237-6010

O-RING,0.097" Thk x 0.755" ID, -910, Cl 6, 90 Duro

SEAL - "O"ring, D23973 elbow (Not shown)

1шт.

34

D20188

PIN - tilt, Serial Range: cylinder-moldboard

1шт.

35

13-888

BOLT,Hex, 1/2" - 13 x 5-1/2", Gr 5

1шт.

36

92-8

LOCK WASHER,1/2"

1шт.

37

25-108

NUT,1/2"-13, G5

- hex. (1/2 - 13 NC)

1шт.

38

37990

PIN - tilt cylinder to L.H. push beam

1шт.

39

138-180

LOCK PIN,3/8" x 2 1/2", Slotted

PIN, , 37990 pin 3/8" x 2 1/2", Slotted

1шт.

Выбрано товаров: 45