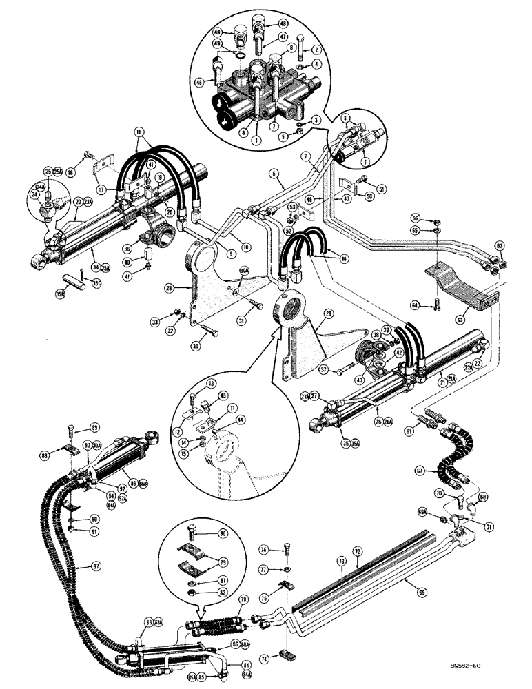
Запчасти Case 420C (218) - HYDRAULIC ANGLING DOZER HYDRAULICS, LIFT CYLINDER HYDRAULICS (07) - HYDRAULIC SYSTEM

Схема запчастей Case 420C - (218) - HYDRAULIC ANGLING DOZER HYDRAULICS, LIFT CYLINDER HYDRAULICS (07) - HYDRAULIC SYSTEM
FIT
1:1
100%

Артикул

Название

Примечание

Количество

1

D25450

VALVE - control (See Figure 160 for breakdown)

1шт.

2

13-636

BOLT,Hex, 3/8" - 16 x 2-1/4", Gr 5

3шт.

3

92-6

LOCK WASHER,3/8"

3шт.

4

95-6

WASHER,3/8"

- standard wrot (7/16" I.D. x 1" O.D. x 5/64" thick)

3шт.

5

25-106

NUT,3/8"-16, G5

- hex. (3/8 - 16 NC)

3шт.

6

D26741

TUBE - L.H. front control valve port to front manifold tube

1шт.

7

D26743

TUBE - L.H. rear control valve port to rear manifold tube

1шт.

8

218-5107

90 ELBOW,90 Degree Elbow, 7/8" - 14 Male JIC x 7/8" - 14 Male ORB

- male, 90 degrees (5/8" JIC x 5/8" JIC)

2шт.

237-6010

O-RING,0.097" Thk x 0.755" ID, -910, Cl 6, 90 Duro

SEAL - "O"ring, 218-5107 elbow (Not shown)

1шт.

9

D26745

TUBE - manifold, front

1шт.

10

D26748

TUBE - manifold, rear

1шт.

11

D26751

BRACKET - tube

2шт.

12

38843

PLATE - clamp, when stock is exhausted, order 38331

1шт.

38331

PLATE

- clamp

2шт.

13

13-528

BOLT,Hex, 5/16" - 18 x 1-3/4", Gr 5

HHCS - 5/16 - 18 NC x 1-3/4

2шт.

14

92-5

LOCK WASHER,5/16"

2шт.

15

9635082

NUT,5/16" - 18, Gr 5

- hex. (5/16 - 18 NC)

2шт.

16

D26792

HOSE - manifold to lift cylinder (1/2" I.D. x 7/8" O.D. x 26")

4шт.

17

31665

COLLAR CLAMP

PLATE - clamp

4шт.

18

13-528

BOLT,Hex, 5/16" - 18 x 1-3/4", Gr 5

HHCS - 5/16 - 18 NC x 1-3/4

2шт.

19

92-5

LOCK WASHER,5/16"

2шт.

20

9635082

NUT,5/16" - 18, Gr 5

- hex. (5/16 - 18 NC)

2шт.

21

D25574

TUBE - hose to rear lift cylinder port (Cylinder with tie rods only) See D27785

2шт.

21a

D27785

TUBE - hose to rear lift cylinder port (Cylinders without tie rods only) See D25574

2шт.

22

218-485

ELBOW,90 Degree Elbow, 7/8" - 14 Male JIC x 1/2" - 14 Male NPTF

- male, 90 degrees (Cylinder with tie rods only) (1/2" NPT x 5/8" JIC) See 218-5107

2шт.

22a

218-5107

90 ELBOW,90 Degree Elbow, 7/8" - 14 Male JIC x 7/8" - 14 Male ORB

- male, 90 degrees (Cylinder without tie rods only) (5/8" JIC x 5/8" JIC) See 218-485

2шт.

237-6010

O-RING,0.097" Thk x 0.755" ID, -910, Cl 6, 90 Duro

SEAL - "O"ring, 218-5107 elbow (Not shown)

1шт.

23

D25570

TUBE

- hose to front R.H. lift cylinder port (Cylinder with tie rods only) See D27783

1шт.

23a

D27783

TUBE - hose to front R.H. lift cylinder port (Cylinder without tie rods only) See D25570

1шт.

24

33888

ELBOW - special, R.H. cylinder front port (1/2" NPT male x 5/8" JIC male x 1/8" NPT female) (Cylinder with tie rods only) See D27782

1шт.

24a

D27782

X

ELBOW - special, R.H. cylinder front port (5/8" JIC male x 5/8" JIC male x 1/4" NPT female) (Cylinder without tie rods only) See 33888

1шт.

237-6010

O-RING,0.097" Thk x 0.755" ID, -910, Cl 6, 90 Duro

SEAL - "O"ring, D27782 elbow (Not shown)

1шт.

25

221-1

DRAIN PLUG,Sq Hd, 1/8"-27 NPTF

PLUG - pipe, 1/8" NPT square head (33888 elbow)

1шт.

25a

221-2

DRAIN PLUG,Sq Hd, 1/4"-18 NPTF

PLUG - pipe, 1/4" NPT square head (D27782 elbow)

1шт.

26

D25572

TUBE - hose to front L.H. lift cylinder port (Cylinder with tie rods only) See D27783

1шт.

26a

D27783

TUBE - hose to front L.H. lift cylinder port (Cylinder without tie rods only) See D25572

1шт.

27

218-485

ELBOW,90 Degree Elbow, 7/8" - 14 Male JIC x 1/2" - 14 Male NPTF

- male, 90 degrees (L.H. cylinder front port) (1/2" NPT x 5/8" JIC) cylinder with tie rods only (See 218-5107)

1шт.

27a

218-5107

90 ELBOW,90 Degree Elbow, 7/8" - 14 Male JIC x 7/8" - 14 Male ORB

- male, 90 degrees (L.H. cylinder front port) (5/8" JIC x 5/8" JIC) cylinder without tie rods only (See 218-485)

1шт.

237-6010

O-RING,0.097" Thk x 0.755" ID, -910, Cl 6, 90 Duro

SEAL - "O"ring, 218-5107 elbow (Not shown)

1шт.

28

D24502

BRACKET - cylinder, R.H.

1шт.

29

D24501

BRACKET - cylinder, L.H.

1шт.

30

13-1036

BOLT,Hex, 5/8" - 11 x 2-1/4", Gr 5

2шт.

30a

95-10

WASHER,5/8"

- standard wrot (11/16" I.D. x 1-3/4" O.D. x 9/64" thick) R.H. cylinder bracket upper mounting bolts (Diesel models only)

2шт.

31

13-1024

BOLT,Hex, 5/8" - 11 x 1-1/2", Gr 5, Full Thd

8шт.

32

92-10

LOCK WASHER,5/8"

WASHER, LOCK, 5/8"

10шт.

33

25-1010

NUT,5/8"-11, G5

10шт.

34

D25937

CYLINDER - dozer lift, hydraulic (R.H.) with tie rods (See Figure 204 for breakdown) when stock is exhausted, order D27826 cylinder, D27785 tube, 218-507 elbow, D27783 tube, D27782 elbow, and 221-2 pipe plug (See D27826)

1шт.

35

D25936

CYLINDER - dozer lift, hydraulic (L.H.) with tie rods (See Figure 204 for breakdown) when stock is exhausted, order D27826 cylinder, D27785 tube, 218-5107 elbow, and D27783 tube (See D27826)

1шт.

35a

D27826

CYLINDER - dozer lift, hydraulic (Without tie rods) See Figure 204 for breakdown (See D25937 and D25936)

2шт.

35b

16726

PIN - mounting, lift cylinder to "C" frame

2шт.

35c

132-154

COTTER PIN,1/4" x 2"

Pin, Split (Cotter), , 16726 1/4" x 2"

4шт.

36

D24497

TRUNNION

- inner race

2шт.

219-1

LUBE NIPPLE,1/8" - 27 NPTF

FITTING - grease, straight (1/8" NPT)

2шт.

37

13-848

BOLT,Hex, 1/2" - 13 x 3", Gr 5

HHCS - 1/2 - 13 NC x 3

4шт.

38

92-6

LOCK WASHER,3/8"

4шт.

39

25-106

NUT,3/8"-16, G5

- hex. (3/8 - 16 NC)

4шт.

40

D24508

PIN,31.74mm OD x 50.8mm L

- mounting, Serial Range: cylinder-trunnion

4шт.

41

219-1

LUBE NIPPLE,1/8" - 27 NPTF

FITTING - grease, straight (1/8" NPT)

4шт.

42

D24516

WASHER

- thrust, bottom (1-9/32" I.D x 2-1/4" O.D.x 3/16" thick)

2шт.

43

32625

WASHER - thrust, top (1-9/32' I.D. x 2-1/2" O.D. x 11/64" thick) (Use D24516)

2шт.

44

211-17

BALL,3/4" Dia

- steel (.) 3/4" Dia

38шт.

45

D24506

PLUG

- special (7/8" - 14 NF)

2шт.

46

D26739

TUBE - R.H. front control valve port to front bulkhead union, angling cylinder hydraulics

1шт.

47

D26737

TUBE - R.H. rear control valve port to rear bulkhead union, angling cylinder hydraulics

1шт.

48

D25667

ELBOW

- male, 90 degrees (1/2" JIC x 5/8" JIC), angling cylinder hydraulics

2шт.

49

237-6010

O-RING,0.097" Thk x 0.755" ID, -910, Cl 6, 90 Duro

SEAL - "O"ring, D25667 elbow, angling cylinder hydraulics

1шт.

50

32978

PLATE ASSY.

PLATE - clamp, angling cylinder hydraulics

2шт.

51

13-520

BOLT,Hex, 5/16" - 18 x 1-1/4", Gr 5

HHCS - 5/16 - 18 NC x 1-1/4, angling cylinder hydraulics

1шт.

52

92-5

LOCK WASHER,5/16"

angling cylinder hydraulics 5/16"

1шт.

53

9635082

NUT,5/16" - 18, Gr 5

- hex. (5/16 - 18 NC), angling cylinder hydraulics

1шт.

61

50883

UNION - special bulkhead, angling cylinger hydraulics

2шт.

62

25-1112

NUT,3/4"-16, G5

- hex. (3/4 - 16 NF), angling cylinder hydraulics

2шт.

63

39046

GUARD - tubing, angling cylinder hydraulics

1шт.

64

13-820

BOLT,Hex, 1/2" - 13 x 1-1/4", Gr 5, Full Thd

Angling cylinder hydraulics Hex, 1/2"-13 x 1 1/4", G5, Full Thd

1шт.

65

92-8

LOCK WASHER,1/2"

angling cylinder hydraulics 1/2"

1шт.

66

25-108

NUT,1/2"-13, G5

- hex. (1/2 - 13 NC), angling cylinder hydraulics

1шт.

67

D20176

HOSE - bulkhead union to junction block and tube ass'y (1/2" I.D. x 7/8" O.D. x 15-3/4"), angling cylinder hydraulics

2шт.

68

D23906

ELBOW

- street, 45 degrees (3/8" NPT), angling cylinder hydraulics

2шт.

69

D28039

BLOCK

JUNCTION BLOCK AND TUBE ASS'Y, angling cylinder hydraulics

1шт.

69a

221-2

DRAIN PLUG,Sq Hd, 1/4"-18 NPTF

PLUG - pipe, square head (1/4" NPT), angling cylinder hydraulics

1шт.

70

14-828

BOLT,Hex, 1/2" - 20 x 1-3/4", Gr 5

HHCS - 1/2 - 13 NC x 1-3/4, angling cylinder hydraulics

2шт.

71

92-8

LOCK WASHER,1/2"

angling cylinder hydraulics 1/2"

2шт.

72

39610

GUARD - tubing, inside (Tack welded over inside tube of junction block and tube ass'y), angling cylinder hydraulics

1шт.

73

39611

FINGER

GUARD - tubing, outside (Tack welded over outside tube of junction block and tube ass'y), angling cylinder hydraulics

1шт.

74

39607

SPACER - tube clamp, angling cylinder hydraulics

1шт.

75

D20369

CLAMP

PLATE - clamp, angling cylinder hydraulics

1шт.

76

14-836

BOLT,Hex, 1/2" - 20 x 2-1/4", Gr 5

HHCS - 1/2 - 20 NC x 2-1/4, angling cylinder hydraulics

1шт.

77

92-8

LOCK WASHER,1/2"

angling cylinder hydraulics 1/2"

1шт.

78

38614

CLIP

HOSE - junction block and tube ass'y to L.H. angling cylinder (1/2" I.D. x 7/8" O.D. x 12-5/8"), hydraulics

2шт.

79

31665

COLLAR CLAMP

PLATE - clamp, angling cylinder hydraulics

2шт.

80

13-528

BOLT,Hex, 5/16" - 18 x 1-3/4", Gr 5

HHCS - 5/16 - 18 NC x 1-3/4, angling cylinder hydraulics

1шт.

81

92-5

LOCK WASHER,5/16"

angling cylinder hydraulics 5/16"

1шт.

82

9635082

NUT,5/16" - 18, Gr 5

- hex. (5/16 - 18 NC), angling cylinder hydraulics

1шт.

83

38326

BUSHING,1.875, 1.125" Length

TUBE - hose to L.H. angling cylinder, front port (Cylinder with tie rods only) See D28201, hydraulics

1шт.

83a

D28201

TUBE - hose to L.H. angling cylinder, front port (Cylinder without tie rods only) See 38326, hydraulics

1шт.

84

38324

TUBE - hose to L.H. angling cylinder, rear port (Cylinder with tie rods only) See D28203, hydraulics

1шт.

84a

D28203

TUBE ASSY.

TUBE - hose to L.H. angling cylinder, rear port (Cylinder without tie rods only) See 38324, hydraulics

1шт.

85

218-493

ELBOW,90 Degree Elbow, 3/4" - 16 Male JIC x 1/2" - 14 Male NPTF

- male, 90 degrees (1/2" NPT x 1/2" JIC) cylinder with tie rods only (See D25667), angling hydraulics

2шт.

85a

D25667

ELBOW

- male, 90 degrees (1/2" JIC x 5/8" JIC) cylinder without tie rods only (See 218-493), angling hyfraulics

2шт.

237-6010

O-RING,0.097" Thk x 0.755" ID, -910, Cl 6, 90 Duro

SEAL - "O"ring, D25667 elbow (Not shown), angling cylinder hydraulics

1шт.

86

37932

angling cylinder hydraulics

2шт.

CYLINDER - dozer angling, hydraulic (With tie rods) See Figure 226 for breakdown (When stock is exhausted, for L.H. cylinder order 1 - D28163 cylinder and 2 - D25667 elbows; for R.H. cylinder order 1 - D29919 cylinder, 2 - D25667 elbows, 2 - D29915 hoses, 1 - D28207 tube, and 1 - D28205 tube)

1шт.

86a

D28163

CYLINDER - dozer angling, hydraulic (L.H.) without tie rods (See Figure 226 for breakdown) See 37932

1шт.

86b

D29919

CYLINDER

- dozer angling, hydraulic (R.H.) without tie rods (See Figure 226 for breakdown) See 37932

1шт.

87

39637

LINE

HOSE - L.H. angling cylinder to R.H. angling cylinder (1/2" I.D. x 7/8" O.D. x 45") cylinder with tie rods only (See D29915)

2шт.

D29915

HOSE - L.H. angling cylinder to R.H. angling cylinder (1/2" I.D. x 7/8" O.D. x 48") cylinder without tie rods only (See 39637)

2шт.

88

31665

COLLAR CLAMP

PLATE - clamp, angling cylinder hydraulics

4шт.

89

13-528

BOLT,Hex, 5/16" - 18 x 1-3/4", Gr 5

HHCS - 5/16 - 18 NC x 1-3/4, angling cylinder hydraulics

2шт.

90

92-5

LOCK WASHER,5/16"

angling cylinder hydraulics 5/16"

2шт.

91

9635082

NUT,5/16" - 18, Gr 5

- hex. (5/16 - 18 NC), angling cylinder hydraulics

2шт.

92

38328

TUBE - hose to R.H. angling cylinder, front port (Cylinder with tie rods only) See D28205, hydraulics

1шт.

92a

D28205

PIPE

TUBE - hose to R.H. angling cylinder, front port (Cylinder without tie rods only) See 38328, hydraulics

1шт.

93

38322

TUBE - hose to R.H. angling cylinder, rear port (Cylinder with tie rods only) See D28207, hydraulics

1шт.

93a

D28207

TUBE - hose to R.H. angling cylinder, rear port (Cylinder without tie rods only) See 38322, hydraulics

1шт.

94

218-493

ELBOW,90 Degree Elbow, 3/4" - 16 Male JIC x 1/2" - 14 Male NPTF

- male, 90 degrees (1/2" NPT x 1/2" JIC) (Cylinder with tie rods only) See D25667, angling hydraulics

2шт.

94a

D25667

ELBOW

- male, 90 degrees (1/2" JIC x 5/8" JIC) (Cylinder without tie rods only) See 218-493, angling hydraulics

2шт.

237-6010

O-RING,0.097" Thk x 0.755" ID, -910, Cl 6, 90 Duro

SEAL - "O"ring, D25667 elbow (Not shown), angling cylinder hydraulics

1шт.

Выбрано товаров: 117