Запчасти Case 420C (006) - ENGINE FRAME, TORQUE TUBE, DRAWBAR, AND ENGINE SUPPORTS (01) - ENGINE

Схема запчастей Case 420C - (006) - ENGINE FRAME, TORQUE TUBE, DRAWBAR, AND ENGINE SUPPORTS (01) - ENGINE
FIT
1:1
100%

Артикул

Название

Примечание

Количество

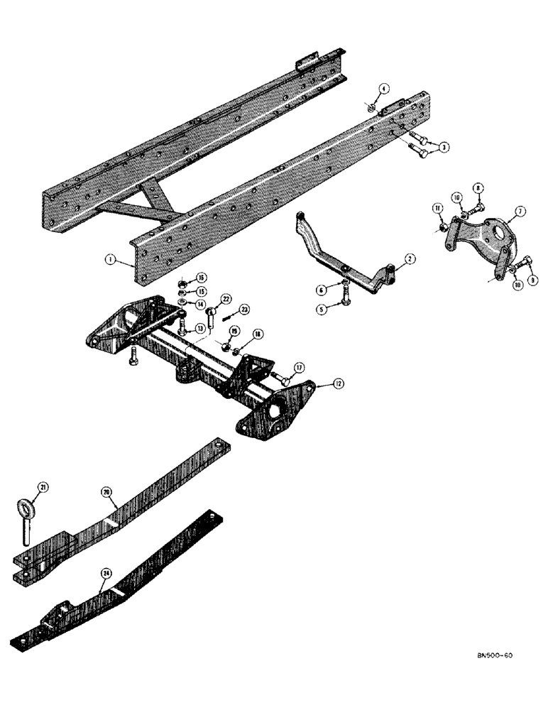
1

D26340

1шт.

FRAME - engine, original equipment (When stock is exhausted, for drawbar or dozer models order 1 - D29722, 8 - 14-1228, 2 - 13-1228, 10 - 92-12, 8 - 25-1112, and 2 - 25-1012; for loader models order 1 - d29722, 2 - 14-1228, 2 - 13-1236, 2 - 13-1244, 6 - 13-1248, 12 - 92-12, 2 - 25-1112, and 10 - 25-1012; for drawbar or dozer models with three point hitch order 1 - D29722, 2 - 13-1228, 4 - 14-1228, 4 - 14-1244, 10 - 92-12, 2 - 25-1012, and 8 - 25-1112) See D28468 and D29948

1шт.

D29722

FRAME - engine, replacement (See D26340, D28468, and D29948)

1шт.

D28468

FRAME - engine, backhoe models only (Original equipment) when stock is exhausted order 1 - D29948, 2 - 13-1236, 2 - 13-1248, 4 - 14-1228, 12 - 92-12, 8 - 25-1012, and 4 - 25-1112 (See D26340 and D29722)

1шт.

D29948

FRAME - engine, backhoe models only (See D26340, D29722, and D28468)

1шт.

2

35838

SPINDLE

MOUNT - engine (Use up stock on gas models, then order D28503)

1шт.

D28503

MOUNTING PARTS

MOUNT - engine (Gas and diesel) See 35838

1шт.

3

13-820

BOLT,Hex, 1/2" - 13 x 1-1/4", Gr 5, Full Thd

4шт.

4

92-8

LOCK WASHER,1/2"

4шт.

5

13-1044

BOLT,Hex, 5/8" - 11 x 2-3/4", Gr 5

HHCS - 5/8" - 11 NC x 2-3/4"

1шт.

6

92-10

LOCK WASHER,5/8"

WASHER, LOCK, 5/8"

1шт.

7

G1212

MOUNT - engine, front

1шт.

8

G49039

BOLT

- ground body (5/8" - 18 NF x 2-1/2")

2шт.

9

13-1032

BOLT,Hex, 5/8" - 11 x 2", Gr 5

2шт.

10

92-10

LOCK WASHER,5/8"

WASHER, LOCK, 5/8"

4шт.

11

25-1010

NUT,5/8"-11, G5

4шт.

12

D26514

TUBE - torque, 48" gauge tractor (Original equipment) when stock is exhausted, for drawbar or dozer models order 1 - D29574, 2 - 13-1228, 2 - 92-12, and 2 - 25-1012; for loader models order 1 - D29574, 2 - 13-1248, 2 - 92-12, and 2 - 25-1012

1шт.

D29754

TUBE - torque, 48" gauge tractor (Replacement) See D26514

1шт.

D26803

TUBE - torque, 42" gauge tractor (Original equipment) when stock is exhausted for drawbar models order 1 - D29753, 2 - 13-1228, 2 - 92-12, and 2 - 25-1012; for loader models order 1 - D29753, 2 - 13-1248, 2 - 92-12, and 2 - 25-1012

1шт.

D29753

TUBE - torque, 42" gauge tractor (Replacement) See D26803

1шт.

D26809

TUBE - torque, 72" gauge tractor (Original equipment) when stock is exhausted, order 1 - d29756, 2 - 13-1228, 2 - 92-12, and 2 - 25-1012

1шт.

D29756

TUBE - torque, 72" gauge tractor (Replacement) See D26809

1шт.

13

13-836

BOLT,Hex, 1/2" - 13 x 2-1/4", Gr 5

HHCS - 1/2" - 13 NC x 2-1/4"

4шт.

14

NLS

NO LONGER SERVICED

SHIM - torque tube to engine frame

1шт.

15

92-8

LOCK WASHER,1/2"

4шт.

16

25-108

NUT,1/2"-13, G5

- hex. (1/2" - 13NC)

4шт.

17

13-1028

BOLT,Hex, 5/8" - 11 x 1-3/4", Gr 5, Full Thd

(Used with original equipment frame and torque tube only) See 13-1228 Hex, 5/8"-11 x 1 3/4", G5, Full Thd

2шт.

18

92-10

LOCK WASHER,5/8"

WASHER, LOCK, 5/8"

2шт.

19

25-1010

NUT,5/8"-11, G5

2шт.

17

13-1228

BOLT,Hex, 3/4" - 10 x 1-3/4", Gr 5

(Used with replacement frame and torque tube only) See 13-1028 Hex, 3/4"-10 x 1 3/4", G5

2шт.

18

92-12

LOCK WASHER,3/4"

WASHER, LOCK, 3/4"

2шт.

19

25-1012

NUT,3/4"-10, G5

2шт.

D26927

DRAWBAR - industrial, complete

1шт.

20

D26895

DRAWBAR - industrial

1шт.

21

13073

AXLE PIN

PIN - hitch

1шт.

22

13044

NUT

PIN - mounting, drawbar

1шт.

23

132-154

COTTER PIN,1/4" x 2"

Pin, Split (Cotter), 1/4" x 2"

1шт.

24

D21843

DRAWBAR - winch models only

1шт.

13109

PIN

DRAWBAR - P.T.O. models only (Similar to D21843) not shown

1шт.

Выбрано товаров: 39