Запчасти Case 420C (266) - BACKHOE MOUNTING PARTS AND STABILIZERS (18) - ATTACHMENT ACCESSORIES

Схема запчастей Case 420C - (266) - BACKHOE MOUNTING PARTS AND STABILIZERS (18) - ATTACHMENT ACCESSORIES
FIT
1:1
100%

Артикул

Название

Примечание

Количество

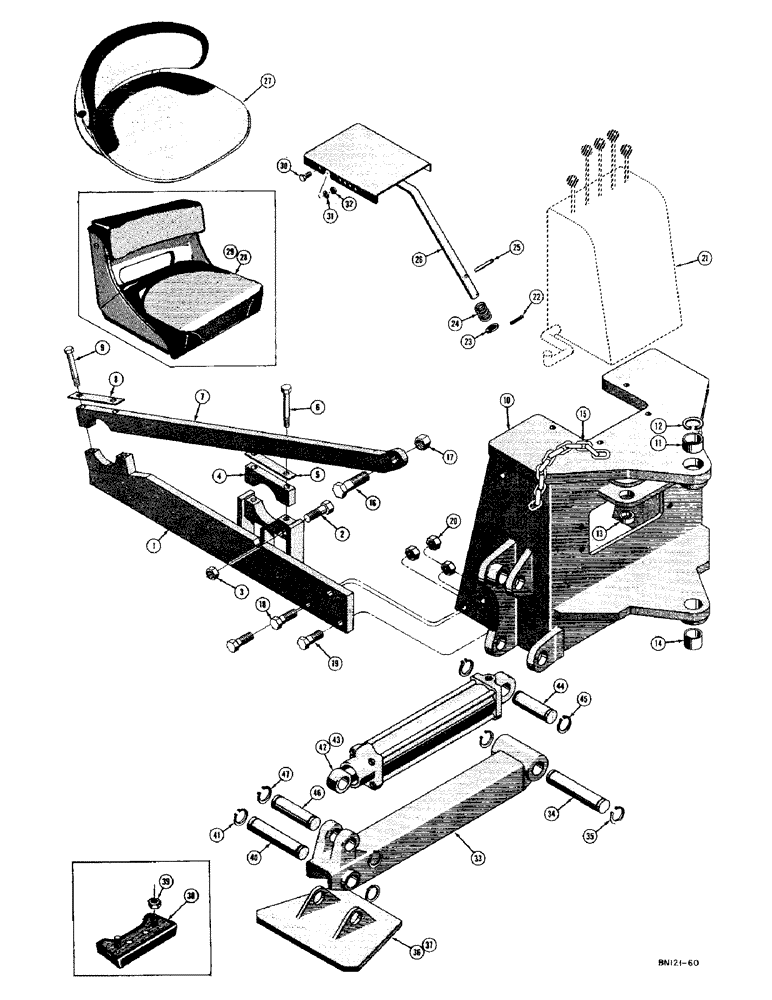
1

D27043

ARM - support, L.H.

1шт.

D27044

ARM - support, R.H.

1шт.

2

13-1052

BOLT,Hex, 5/8" - 11 x 3-1/4", Gr 5

2шт.

3

230-4117

LOCK NUT,7/16"-14, GA

NUT - lock (5/8" - 11 NC)

2шт.

4

D29511

CLAMP - support arm to final drive spacer

2шт.

5

D26238

PLATE

- locking, screw

2шт.

6

13-1488

BOLT,Hex, 7/8" - 9 x 5-1/2", Gr 5

HHCS - 7/8" - 9 NC x 5-1/2"

4шт.

7

D27041

BRACE - mounting frame to torque tube (Use D28250)

2шт.

D28250

BRACE - mounting frame to torque tube (See D27041)

2шт.

8

D26424

PLATE - locking, screw

2шт.

9

13-1280

BOLT,Hex, 3/4" - 10 x 5", Gr 5

4шт.

10

D23600

FRAME - mounting

1шт.

11

D23601

HOUSING

BEARING - self aligning, upper tower pivot

1шт.

12

D24431

RING

SNAP RING - bearing retaining

1шт.

13

30634

BUSHING,32.05mm ID x 38.18mm OD x 17.6mm L

- swing, Serial Range: cylinder-frame

4шт.

14

D21927

BUSHING,51.03mm ID x 63.45mm OD x 50.8mm L

- lower tower pivot

1шт.

15

D25741

CHAIN - safety lock (Use D28298)

2шт.

D28298

CHAIN - safety lock, heavy duty (See D25741)

2шт.

16

D24476

X

BOLT - special, brace to mounting frame (1-1/4" - 7 NC x 3-3/8")

2шт.

17

131-214

NUT - lock (1-1/4" - 7NC)

2шт.

18

13-1444

BOLT,Hex, 7/8" - 9 x 2-3/4", Gr 5

HHCS - 7/8" - 9 NC x 2-3/4"

2шт.

19

D23616

BOLT (SPREADER)

BOLT - body fit (7/8" - 9 NC x 2-1/2")

4шт.

20

131-210

NUT - lock (7/8" - 9 NC)

6шт.

21

D24958

SHIELD - control valve (See Figure 274 for breakdown)

1шт.

22

132-95

COTTER PIN,3/16" x 1 1/2"

Pin, Split (Cotter), 3/16" x 1 1/2"

1шт.

23

O124GR

WASHER

- flat (1-1/32" I.D. x 1-1/2" O.D. x 7/32" thick)

1шт.

24

D25773

SPRING

- seat, support rod

1шт.

25

138-210

LOCK PIN,1/2" x 3", Slotted

Pin, 1/2" x 3", Slotted

1шт.

26

D25693

ROD - support, seat

1шт.

27

D23119

SEAT - backhoe operator's (Use D29157) See Figure 264 for breakdown

1шт.

28

D28501

SEAT - backhoe operator's (Use D29157) See Figure 264 for breakdown

1шт.

29

D29157

X

SEAT - backhoe operator's (See D23119 and D28501) See Figure 264 for breakdown

1шт.

30

13-48

BOLT,Hex, 1/4" - 20 x 1/2", Gr 5

1шт.

31

92-4

LOCK WASHER,1/4"

WASHER, LOCK, 1/4"

1шт.

32

25-104

NUT,1/4"-20, G5

1шт.

33

D26908

SUPPORT

LEG - stabilizer, L.H.

1шт.

D26909

HOSE

LEG - stabilizer, R.H.

1шт.

34

D27187

AXLE PIN

PIN - stabilizer leg to mounting frame

2шт.

35

D25280

SNAP RING,#175, Ext

Ring, Snap, , D27187 pin #175, Ext

4шт.

36

D23313

FOOT

- stabilizer, cleat (Standard)

2шт.

37

D23326

FOOT

- stabilizer, street or cemetary (Flat bottom) See D23313 and 32838 (Optional)

2шт.

38

32838

SHOE (ASSY)

PAD - rubber, stabilizer foot (For use with D23326 street or cemetary foot only) Optional

4шт.

39

25-277

NUT - hex., high (7/16 - 20 NF) 32838 rubber pad

8шт.

40

D26104

PIN

- stabilizer, Serial Range: leg-foot

2шт.

41

D26918

SNAP RING,#125, Ext

Ring, Snap, , D26104 pin #125, Ext

2шт.

42

D25052

CYLINDER - stabilizer, hydraulic (With tie rods) When stock is exhausted, order D27754 cylinder and D27589 tube (See Figure 300 for breakdown)

2шт.

43

D27754

CYLINDER

- stabilizer, hydraulic (Without tie rods) See D25052 (See Figure 300 for breakdown)

2шт.

D27859

TUBE

- hose to stabilizer cylinder, outer port (Cylinder without tie rods only) Not shown

2шт.

44

D25079

AXLE PIN,44.45mm OD x 157.2mm L

PIN - stabilizer cylinder to mounting frame

2шт.

45

D25280

SNAP RING,#175, Ext

Ring, Snap, , D25079 pin #175, Ext

4шт.

46

D28037

AXLE PIN

PIN - stabilizer, Serial Range: cylinder-leg

2шт.

47

D25279

SNAP RING,M35, Int

- D28037 pin

4шт.

Выбрано товаров: 52