Запчасти Case 420C (090) - HOOD, EXHAUST SYSTEM, AND AIR CLEANER - GAS (01) - ENGINE

Схема запчастей Case 420C - (090) - HOOD, EXHAUST SYSTEM, AND AIR CLEANER - GAS (01) - ENGINE
FIT
1:1
100%

Артикул

Название

Примечание

Количество

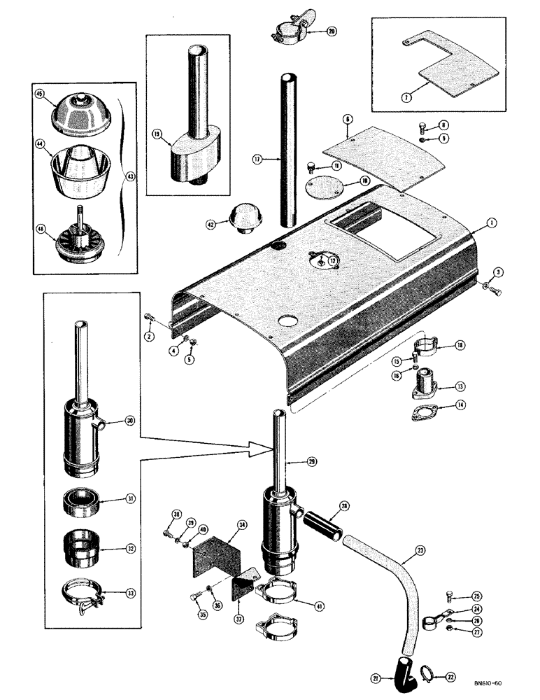
1

D27135

HOOD - engine

1шт.

2

13-612

BOLT,Hex, 3/8" - 16 x 3/4", Gr 5, Full Thd

9шт.

3

95-6

WASHER,3/8"

- standard wrot (13/32" I.D. x 13/16" O.D. x 5/64" thick)

4шт.

4

92-6

LOCK WASHER,3/8"

9шт.

5

25-106

NUT,3/8"-16, G5

- hex. (3/8" - 16 NC)

9шт.

6

33522

BUSHING

COVER - access, instrument panel back (See D20370)

1шт.

7

D20370

COVER - access, instrument panel back (Loader models only)

1шт.

8

114-2

BOLT,Hex, 1/4" - 28 x 1/2", Gr 5

HHCS - zinc plated (1/4" - 28 NF x 1/2")

2шт.

9

192-19

LOCK WASHER,Helical Spring, 0.256" ID, CST, ZND

WASHER, LOCK, 1/4"

2шт.

10

D21310

COVER - access, oil filler cap

1шт.

11

G16716

X

SCREW - knurled head

2шт.

12

131-102

SPRING NUT,Ret, 1/4"-20

Tinnerman Ret, 1/4"-20

2шт.

13

D25460

OUTLET - exhaust

1шт.

14

G46853

MANIFOLD GASKET

- exhaust outlet

1шт.

15

13-618

BOLT,Hex, 3/8" - 16 x 1-1/8", Gr 5

HHCS - 3/8" - 16 NC x 7/8"

2шт.

16

92-6

LOCK WASHER,3/8"

2шт.

17

D23127

PIPE - exhaust

1шт.

18

G13184

CLAMP

- exhaust pipe and muffler

1шт.

19

D21427

MUFFLER - exhaust, under hood (Optional)

1шт.

20

G45048

CAP

- rain

1шт.

21

D27155

ELBOW

- hose, carburetor to air cleaner (Lower section)

1шт.

22

214-258

HOSE CLAMP,#28, 1.31" - 2.25", Type F Worm

4шт.

23

D27136

PIPE - carburetor to air cleaner, center section

1шт.

24

38289

BRACKET - hanger, air cleaner pipe

1шт.

25

13-412

BOLT,Hex, 1/4" - 20 x 3/4", Gr 5, Full Thd

1шт.

26

92-4

LOCK WASHER,1/4"

WASHER, LOCK, 1/4"

1шт.

27

25-104

NUT,1/4"-20, G5

1шт.

28

VT2185

HOSE

- carburetor to air cleaner, upper section

1шт.

29

D24939

CLEANER

AIR CLEANER

1шт.

30

NSS

NOT SOLD SEPARAT

BODY - air cleaner

1шт.

31

D26377

X

CUP - oil, inner

1шт.

32

D26371

CUP - oil, outer

1шт.

33

D26370

CLAMP

- retaining, oil cup

1шт.

34

D27134

BRACKET - mounting, air cleaner

1шт.

35

13-58

BOLT,Hex, 5/16" - 18 x 1/2", Gr 5

2шт.

36

92-5

LOCK WASHER,5/16"

2шт.

37

D27133

BRACKET - support, air cleaner

1шт.

38

13-512

BOLT,Hex, 5/16" - 18 x 3/4", Gr 5

5шт.

39

92-5

LOCK WASHER,5/16"

5шт.

40

9635082

NUT,5/16" - 18, Gr 5

- hex. (5/16" - 18 NC)

5шт.

41

D27245

COLLAR CLAMP

BAND - mounting, air cleaner

2шт.

42

VT3812

X

CAP - inlet, air cleaner

1шт.

43

D20605

PRECLEANER

PRE-CLEANER - air (Optional)

1шт.

44

D30675

BODY

- pre-cleaner

1шт.

45

D30676

COVER

- pre-cleaner

1шт.

46

D30678

SLEEVE

- pre-cleaner

1шт.

Выбрано товаров: 46