Запчасти Case 420C (092) - HOOD, EXHAUST SYSTEM, AND AIR CLEANER - DIESEL (01) - ENGINE

Схема запчастей Case 420C - (092) - HOOD, EXHAUST SYSTEM, AND AIR CLEANER - DIESEL (01) - ENGINE
FIT
1:1
100%

Артикул

Название

Примечание

Количество

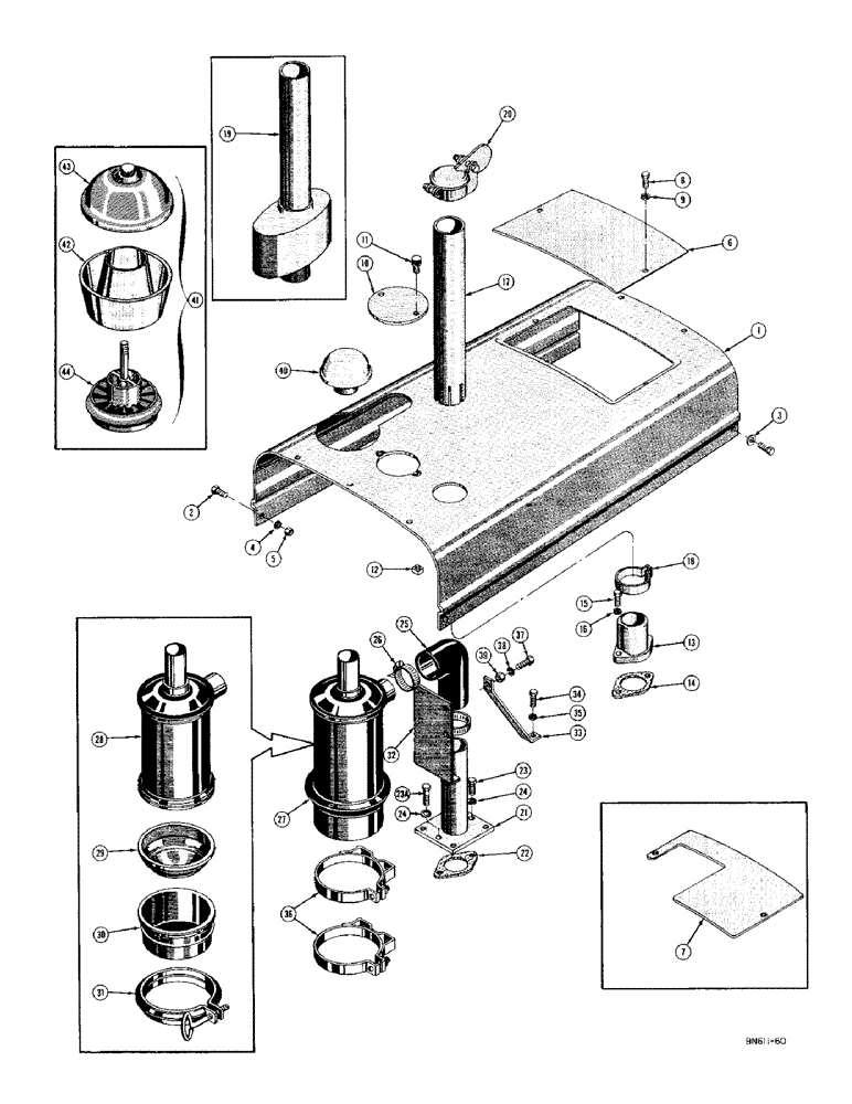
1

D26649

HOOD - engine

1шт.

2

13-612

BOLT,Hex, 3/8" - 16 x 3/4", Gr 5, Full Thd

9шт.

3

95-6

WASHER,3/8"

- standard wrot (13/32" I.D. x 13/16" O.D. x 5/64" thick)

4шт.

4

92-6

LOCK WASHER,3/8"

9шт.

5

25-106

NUT,3/8"-16, G5

- hex. (3/8" - 16 NC)

9шт.

6

GI33522

CLIP

COVER - access, instrument panel back (See D20370)

1шт.

7

D20370

COVER - access, instrument panel back (Loader models only)

1шт.

8

114-2

BOLT,Hex, 1/4" - 28 x 1/2", Gr 5

HHCS - zinc plated (1/4' - 28 NF x 1/2")

2шт.

9

192-19

LOCK WASHER,Helical Spring, 0.256" ID, CST, ZND

WASHER, LOCK, 1/4"

2шт.

10

D21310

COVER - access, oil filler cap

1шт.

11

G16716

X

SCREW - knurled head

2шт.

12

131-102

SPRING NUT,Ret, 1/4"-20

Tinnerman Ret, 1/4"-20

2шт.

13

D22864

OUTLET

- exhaust (Standard exhaust pipe or muffler) See D29308

1шт.

D29308

OUTLET

- exhaust (Spark arresting muffler only) See D22864

1шт.

14

G46853

MANIFOLD GASKET

- exhaust outlet

1шт.

15

13-620

BOLT,Hex, 3/8" - 16 x 1-1/4", Gr 5, Full Thd

2шт.

16

92-6

LOCK WASHER,3/8"

2шт.

17

D26989

PIPE - exhaust

1шт.

18

G45767

X

CLAMP - exhaust pipe and muffler

1шт.

19

D27275

MUFFLER

- exhaust, under hood (Optional)

1шт.

D29307

X

MUFFLER - exhaust, under hood (Spark arresting) optional

1шт.

20

10944

HOSE

CAP - rain (Use D28029)

1шт.

D28029

X

CAP - rain

1шт.

21

D27998

INLET - air, intake manifold

1шт.

22

D22670

GASKET

- intake manifold air inlet

1шт.

23

13-616

BOLT,Hex, 3/8" - 16 x 1", Gr 5, Full Thd

1шт.

23a

13-620

BOLT,Hex, 3/8" - 16 x 1-1/4", Gr 5, Full Thd

1шт.

24

92-6

LOCK WASHER,3/8"

2шт.

25

D28030

ELBOW UNION

ELBOW - hose, air cleaner to intake manifold air inlet

1шт.

26

D22826

X

CLAMP - hose (Use 214-260)

3шт.

214-260

HOSE CLAMP,#36, 1.81" - 2.75", Type F Worm

3шт.

27

D22671

X

AIR CLEANER - complete

1шт.

28

NSS

NOT SOLD SEPARAT

BODY - air cleaner

1шт.

29

H46324

CUP - oil, inner

1шт.

30

G46325

CUP

- oil, outer

1шт.

31

G45153

CLAMP

- retaining, oil cup

1шт.

32

D27795

BRACKET - mounting, air cleaner

1шт.

33

D27797

BRACE - air cleaner bracket

2шт.

34

13-612

BOLT,Hex, 3/8" - 16 x 3/4", Gr 5, Full Thd

4шт.

35

92-6

LOCK WASHER,3/8"

4шт.

36

D28031

BAND - mounting, air cleaner

2шт.

37

13-516

BOLT,Hex, 5/16" - 18 x 1", Gr 5

4шт.

38

92-5

LOCK WASHER,5/16"

4шт.

39

9635082

NUT,5/16" - 18, Gr 5

- hex. (5/16" - 18 NC)

4шт.

40

D22685

CAP

- inlet, air cleaner

1шт.

41

D20604

PRECLEANER

PRE-CLEANER - air (Optional)

1шт.

42

D30675

BODY

- pre-cleaner

1шт.

43

D30676

COVER

- pre-cleaner

1шт.

44

D30677

SLEEVE

- pre-cleaner

1шт.

Выбрано товаров: 49