Запчасти Case 420C (196) - MECHANICAL ANGLING DOZER (05) - UPPERSTRUCTURE CHASSIS

Схема запчастей Case 420C - (196) - MECHANICAL ANGLING DOZER (05) - UPPERSTRUCTURE CHASSIS
FIT
1:1
100%

Артикул

Название

Примечание

Количество

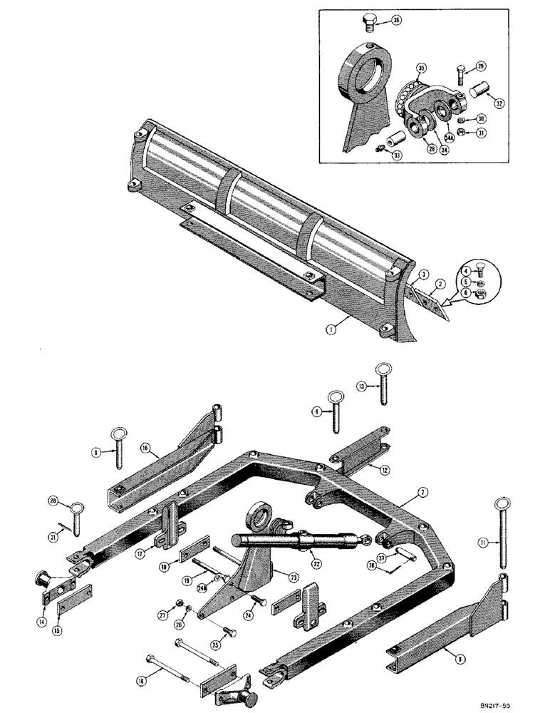
1

16741

MOLDBOARD - mechanical angling dozer

1шт.

2

16187

GUARD

BLADE - cutting, end

2шт.

3

16792

EDGE, CUTTING

BLADE - cutting, center

1шт.

4

19-828

BOLT,1/2"-13 x 1 3/4", G5

- plow (1/2" - 13 NC x 1-3/4")

22шт.

5

92-8

LOCK WASHER,1/2"

22шт.

6

25-108

NUT,1/2"-13, G5

- hex. (1/2 - 13 NC)

22шт.

7

D27628

"C" FRAME - mechanical angling dozer

1шт.

8

16720

SHROUD

PIN - moldboard and stabilizer arms to "C" frame

4шт.

9

16757

FITTING

ARM - stabilizer, R.H.

1шт.

10

16758

ARM - stabilizer, L.H.

1шт.

11

16569

BACK PLATE

PIN - stabilizer, Serial Range: arm-moldboard

2шт.

12

16798

ARM - support, angling

1шт.

13

16720

SHROUD

PIN - mounting, support arm

1шт.

14

34044

SPACER

BRACKET - pivot, dozer attaching

2шт.

15

34043

SPACER,12.95mm ID x 19.05mm OD x 17.47mm L

- pivot bracket

2шт.

16

16-12192

BOLT (MACHINE)

HHCS - 3/4 - 16 NF x 12

4шт.

17

33961

CONNECTING LINK

PLATE - rub

2шт.

18

34047

LEVER

SPACER - rub plate

2шт.

19

16-12192

BOLT (MACHINE)

HHCS - 3/4 - 16 NF x 12

4шт.

20

38679

PIN - mounting, "C" frame to pivot bracket

2шт.

21

132-154

COTTER PIN,1/4" x 2"

Pin, Split (Cotter), 1/4" x 2"

2шт.

22

D25937

CYLINDER - dozer lift, hydraulic (R.H.) with tie rods (See Figure 204 for breakdown) when stock is exhausted, order D27826 cylinder, D27783 tube, D27782 special elbow, 221-2 pipe plug, D27785 tube, and 218-5107 elbow

1шт.

22

D25936

CYLINDER - dozer lift, hydraulic (L.H.) with tie rods (See Figure 204 for breakdown) when stock is exhausted, order D27826 cylinder, D27783 tube, D27785 tube, and 218-5107 elbow

1шт.

22

D27826

CYLINDER - dozer lift, hydraulic (Without tie rods) See Figure 204 for breakdown (See D25936 and D25937)

2шт.

D27783

TUBE - hose to front lift cylinder port (Cylinder without tie rods only) not shown

2шт.

D27785

TUBE - hose to rear lift cylinder port (Cylinder without tie rods only) not shown

2шт.

D27782

X

ELBOW - special, R.H. front lift cylinder port (Cylinder without tie rods only) (5/8" JIC male x 5/8" JIC male x 1/4" NPT female) not shown

1шт.

237-6010

O-RING,0.097" Thk x 0.755" ID, -910, Cl 6, 90 Duro

SEAL - "O"ring, D27782 elbow (Not shown)

1шт.

221-2

DRAIN PLUG,Sq Hd, 1/4"-18 NPTF

PLUG - pipe, 1/4" NPT square head (Cylinder without tie rods only) not shown

1шт.

218-5107

90 ELBOW,90 Degree Elbow, 7/8" - 14 Male JIC x 7/8" - 14 Male ORB

- male, 90 degrees (Front and rear ports of L.H. lift cylinder and rear port of R.H. lift cylinder) (5/8" JIC x 5/8" JIC) cylinder without tie rods only (Not shown)

3шт.

237-6010

O-RING,0.097" Thk x 0.755" ID, -910, Cl 6, 90 Duro

SEAL - "O"ring, 218-5107 elbow (Not shown)

1шт.

23

D24502

BRACKET - cylinder, R.H.

1шт.

23

D24501

BRACKET - cylinder, L.H.

1шт.

24

13-1036

BOLT,Hex, 5/8" - 11 x 2-1/4", Gr 5

2шт.

24a

95-10

WASHER,5/8"

- standard wrot (11/16" I.D x 1-3/4" O.D. x 9/64" thick) R.H. cylinder bracket upper mounting bolts (Diesel models only)

2шт.

25

13-1024

BOLT,Hex, 5/8" - 11 x 1-1/2", Gr 5, Full Thd

8шт.

26

92-10

LOCK WASHER,5/8"

WASHER, LOCK, 5/8"

10шт.

27

25-1010

NUT,5/8"-11, G5

- hex. (5/8 - 18 NC)

10шт.

28

D24497

TRUNNION

- inner race

2шт.

219-1

LUBE NIPPLE,1/8" - 27 NPTF

FITTING - grease, straight (1/8" NPT)

2шт.

29

13-648

BOLT,Hex, 3/8" - 16 x 3", Gr 5

HHCS - 3/8 - 16 NC x 3

4шт.

30

92-6

LOCK WASHER,3/8"

4шт.

31

25-106

NUT,3/8"-16, G5

- hex. (3/8 - 16 NC)

4шт.

32

D24508

PIN,31.74mm OD x 50.8mm L

- mounting, Serial Range: cylinder-trunnion

4шт.

33

219-1

LUBE NIPPLE,1/8" - 27 NPTF

FITTING - grease, straight (1/8" NPT)

4шт.

34

D24516

WASHER

- thrust, bottom (1-9/32" I.D. x 2-1/4" O.D. x 3/16" thick)

2шт.

34a

32625

WASHER - thrust, top (1-9/32" I.D. x 2-1/2" O.D. x 11/64" thick) Use D24516

2шт.

35

211-17

BALL,3/4" Dia

- steel (.) 3/4" Dia

38шт.

36

D24506

PLUG

- special (7/8" - 14 NF)

2шт.

37

16726

PIN - lift cylinder to "C" frame

2шт.

38

132-154

COTTER PIN,1/4" x 2"

Pin, Split (Cotter), 1/4" x 2"

4шт.

Выбрано товаров: 51