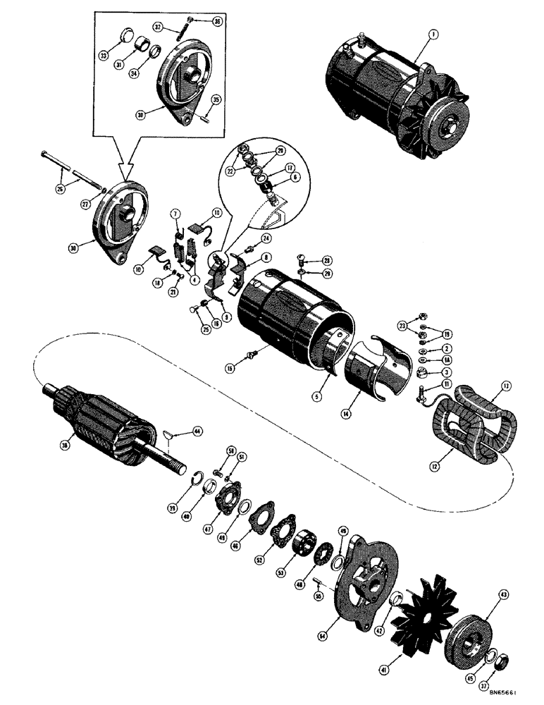
Запчасти Case 420C (034) - D22878 GENERATOR - GAS (06) - ELECTRICAL SYSTEMS

Схема запчастей Case 420C - (034) - D22878 GENERATOR - GAS (06) - ELECTRICAL SYSTEMS
FIT
1:1
100%

Артикул

Название

Примечание

Количество

1

D22878

X

GENERATOR ASS'Y - complete (Auto-Lite #GJT-7106A)

1шт.

103822A1R

REMAN-GENERATOR

Remanufactured GENERATOR - NA Only

1шт.

103822A1C

CORE-GENERATOR

Return number - For N.A. only

1шт.

GJO-2001A

FRAME AND FIELD ASS'Y

1шт.

1a

GGU-30

WASHER - insulation, field terminal

1шт.

2

GGU-31

WASHER - plain, field terminal

1шт.

3

GGU-32

BUSHING - insulation, field terminal

1шт.

4

GJC-35

ARM, brush

2шт.

5

GJC-39

INSULATION - brush holder

1шт.

6

GJC-41

BUSHING - insulation, armature terminal

1шт.

7

GJC-42

SPRING - brush

2шт.

8

GJC-1033

HOLDER - brush ground

1шт.

9

GJC-1034

HOLDER AND TERMINAL - insulation brush

1шт.

10

GJC-2012BS

BRUSH SET - service

1шт.

GJO-1005A

COIL ASS'Y - field, complete

1шт.

11

GJP-36

STUD - field terminal (#10 - 32 NF)

1шт.

12

GJO-1008

COIL - field, right

1шт.

13

GJO-1007

COIL - field, left

1шт.

14

NSS

NOT SOLD SEPARAT

SHOE - pole

2шт.

15

GK-38

SCREW - pole shoe

2шт.

16

MDF-25

BUSHING - insulation, brush holder rivet

1шт.

17

SW-634

WASHER - plain, armature terminal

1шт.

18

12X-195

WASHER - lock, brush lead screw (#8)

2шт.

19

12X-196

WASHER - lock, field terminal (#10)

2шт.

20

12X-199

WASHER - lock, armature terminal (1/4")

2шт.

21

8X-305

SCREW - round head, brush lead (#8 - 32 NC x 1/4")

2шт.

22

8X-1063

NUT - hex., armature terminal (1/4" - 28 NF)

2шт.

23

8X-1377

NUT - hex., field terminal (#10 - 32 NF)

2шт.

24

8X-3389

RIVET- ground brush holder

2шт.

25

8X-3284

RIVET - insulation brush holder

1шт.

26

MW-20A

BOLT - thru

2шт.

27

12X-199

WASHER - lock, thru bolt (1/4")

2шт.

28

8X-3381

SCREW - round head, ground (1/4" - 28 NF x 5/16")

1шт.

29

12X-199

WASHER - lock, ground screw (1/4")

1шт.

30

GJP-2044B

HEAD ASS'Y - commutator end

1шт.

31

GJC-38A

BEARING - absorbent bronze

1шт.

32

GJC-46

WICK - felt

1шт.

33

GJC-49

COVER - bearing, commutator end

1шт.

34

GJK-1020

RETAINER - oil

1шт.

35

MN-21

PIN - dowel

1шт.

36

X-3326

OILER

1шт.

37

GBM-21B

NUT - armature shaft, drive end

1шт.

38

GJT-2006FA

ARMATURE ASS'Y

1шт.

39

GAR-171

SNAP RING

1шт.

40

GR-32

RETAINER - armature shaft, drive end

1шт.

41

PU-217

FAN - ventilation

1шт.

42

PU-218

SPACER - armature shaft, drive end

1шт.

43

PU-548

PULLEY - drive

1шт.

44

X-260

KEY - #5 Woodruff

1шт.

45

12X-864

WASHER - lock, shaft (Drive end)

1шт.

GJP-1102D

HEAD ASS'Y - drive end

1шт.

46

GBM-125

RETAINER - felt washer, inner

1шт.

47

GBM-127

RETAINER - bearing

1шт.

48

GBN-128

RETAINER - felt washer, outer

1шт.

49

GG-164

WASHER - felt

2шт.

50

GGW-52

SCREW - round head, bearing retainer (#10 - 32 NF x 1/2")

3шт.

51

12X-196

WASHER - lock, bearing retainer screw (#10)

3шт.

52

GJK-9

GASKET - bearing retainer

1шт.

53

X-3380

BEARING - ball, sealed

1шт.

54

GJP-102C

HEAD - drive end

1шт.

55

MN-21

PIN - dowel

1шт.

Выбрано товаров: 61