Запчасти Case 450 (244) - G33359 DOZER LIFT CYL., 2-1/2" DIA. CYL. W/30-3/8" STROKE (07) - HYDRAULIC SYSTEM

Схема запчастей Case 450 - (244) - G33359 DOZER LIFT CYL., 2-1/2" DIA. CYL. W/30-3/8" STROKE (07) - HYDRAULIC SYSTEM
FIT
1:1
100%

Артикул

Название

Примечание

Количество

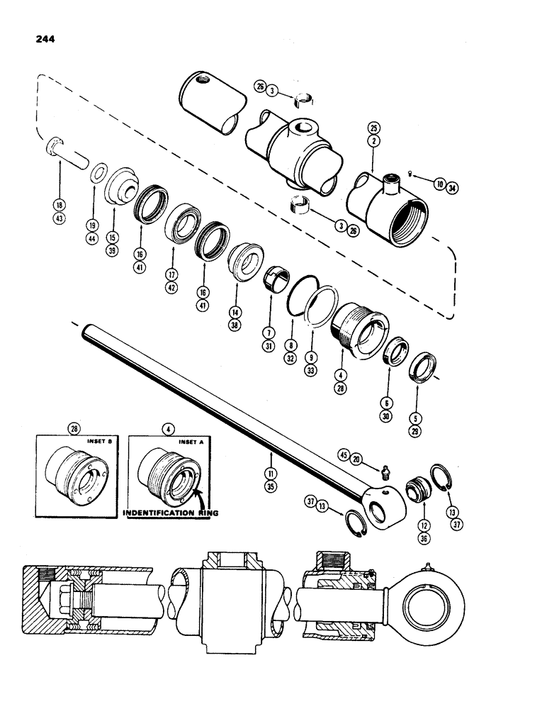
G33359

CYLINDER

ASSY. lift, Includes: Ref. 2 - 21

2шт.

2

D35093

TUBE

ASSY. - cylinder body, Includes: Ref. 3

1шт.

3

30634

BUSHING,32.05mm ID x 38.18mm OD x 17.6mm L

- tube trunnions

2шт.

4

G33578

GLAND

ASSY, Includes: Ref. 4 - 9

1шт.

4

NSS

NOT SOLD SEPARAT

GLAND - (w/identification ring) (See Inset A)

1шт.

5

D95141

WIPER SEAL

WIPER - piston rod, outer (1-1/4 x 1-3/4 x 5/16")

1шт.

Part of P/N G32295 Cylinder Repair Seal Kit

1шт.

6

D36968

SEAL,31.72mm ID x 44.58mm OD x 10.69mm Thk

- piston rod (1-1/4 x 1-3/4 x 7/16")

1шт.

Part of P/N G32295 Cylinder Repair Seal Kit

1шт.

7

D27705

WIPER

- piston rod, inner (split type)

1шт.

8

A28318

O-RING,0.139" Thk x 2.484" ID, -230, Cl 5, 75 Duro

"O"RING - gland (2-1/2 x 2-3/4 x 1/8")

1шт.

Part of P/N G32295 Cylinder Repair Seal Kit

1шт.

9

G32129

BACK-UP RING,63.25mm ID x 69.35mm OD x 1.4mm Thk

- gland "O"ring back-up

1шт.

Part of P/N G32295 Cylinder Repair Seal Kit

1шт.

10

187-1031

SELF-TAP SCREW,Pan, 0.164"-32 x 1/4"

SCREW - gland lock (#8-32 x 1/4" self-tapping)

1шт.

11

G33360

ROD

ASSY. - piston (1-1/4" dia.) (w/identification ring), Includes: Ref. 12 and 13

1шт.

12

D22200

BEARING,25.4mm ID x 36.5mm OD x 22.23mm L

BUSHING - piston rod (self-aligning)

1шт.

13

D27833

SNAP RING,1.625", Int, #162

Ring, Snap, , bushing 1.625", Int, #162

2шт.

14

G33347

PISTON ASSY.

PISTON - split (rod end) (w/identification ring)

1шт.

15

D28364

PISTON

- split (bolt end)

1шт.

16

G33193

PACKING

ASSY. - piston, Includes: Ref. 16 and 17

1шт.

Part of P/N G32295 Cylinder Repair Seal Kit

1шт.

16

NSS

NOT SOLD SEPARAT

PACKING ASSY. - ("V" type)

2шт.

17

NSS

NOT SOLD SEPARAT

RING - center bearing

1шт.

18

28-1240

BOLT,Hex, 3/4" - 16 x 2-1/2", Gr 8

- piston (3/4 x 2-1/2" N.F. hex.)

1шт.

19

G32317

WASHER,33.34mm ID x 63.5mm OD x 2.38mm Thk

- piston bolt (7/8 x 1-3/8 x 9/64")

1шт.

20

219-1

LUBE NIPPLE,1/8" - 27 NPTF

FITTING - grease (1/8" P.T str.)

1шт.

21

219-36

LUBE NIPPLE,45 Degree Elbow, 1/8" - 27 NPTF

FITTING - grease (1/8" P.T. 45 degree)

1шт.

G32295

GASKET KIT

SEAL KIT - cylinder repair, Includes: Ref. 5 - 6, 8 - 9 and P/N G33193

1шт.

G32475

CYLINDER

ASSY. lift, w/o gland id ring, Includes: Ref. 25 - 45

2шт.

25

D35093

TUBE

ASSY. - cylinder body, G32475 lift cylinder w/o gland id ring, Includes: Ref. 26

1шт.

26

30634

BUSHING,32.05mm ID x 38.18mm OD x 17.6mm L

- tube, G32475 lift cylinder w/o gland id ring

2шт.

28

G32732

GLAND

ASSY, G32475 lift cylinder w/o gland id ring, Includes: Ref. 28 - 33

1шт.

28

NSS

NOT SOLD SEPARAT

GLAND - (w/o identification ring) (See Inset B), G32475 lift cylinder w/o gland id ring

1шт.

29

D95141

WIPER SEAL

WIPER - piston rod, outer (1-1/4 x 1-3/4 x 5/16"), G32475 lift cylinder w/o gland id ring

1шт.

Part of P/N G32295 Cylinder Repair Seal Kit

1шт.

30

D36968

SEAL,31.72mm ID x 44.58mm OD x 10.69mm Thk

- piston rod (1-1/4 x 1-3/4 x 7/16"), G32475 lift cylinder w/o gland id ring

1шт.

Part of P/N G32295 Cylinder Repair Seal Kit

1шт.

31

D27705

WIPER

- piston rod, inner (split type), G32475 lift cylinder w/o gland id ring

1шт.

32

A28318

O-RING,0.139" Thk x 2.484" ID, -230, Cl 5, 75 Duro

"O"RING - gland (2-1/2 x 2-3/4 x 1/8"), G32475 lift cylinder w/o gland id ring

1шт.

Part of P/N G32295 Cylinder Repair Seal Kit

1шт.

33

G32129

BACK-UP RING,63.25mm ID x 69.35mm OD x 1.4mm Thk

- gland "O"ring back-up, G32475 lift cylinder w/o gland id ring

1шт.

Part of P/N G32295 Cylinder Repair Seal Kit

1шт.

34

187-1031

SELF-TAP SCREW,Pan, 0.164"-32 x 1/4"

SCREW - gland lock (#8-32 x 1/4" self-tapping), G32475 lift cylinder w/o gland id ring

1шт.

35

D34728

PISTON ROD

ROD ASSY. - piston (1-1/4" dia.) (w/o identification ring), G32475 lift cylinder, Includes: Ref. 36 and 37

1шт.

36

D22200

BEARING,25.4mm ID x 36.5mm OD x 22.23mm L

BUSHING - piston rod (self-aligning), G32475 lift cylinder w/o gland id ring

1шт.

37

D27833

SNAP RING,1.625", Int, #162

Ring, Snap, , bushing, G32475 lift cylinder without gland id ring 1.625", Int, #162

2шт.

38

NLS

NO LONGER SERVICED

PISTON - split (rod end) (w/o identification ring), G32475 lift cylinder

1шт.

38

D28364

PISTON

- split (bolt end), G32475 lift cylinder w/o gland id ring

1шт.

41

G33193

PACKING

ASSY. - piston, G32475 lift cylinder w/o gland id ring, Includes: Ref. 41 and 42

1шт.

Part of P/N G32295 Cylinder Repair Seal Kit

1шт.

41

NSS

NOT SOLD SEPARAT

PACKING ASSY. - ("V" type), G32475 lift cylinder w/o gland id ring

2шт.

42

NSS

NOT SOLD SEPARAT

RING - center bearing, G32475 lift cylinder w/o gland id ring

1шт.

43

28-1240

BOLT,Hex, 3/4" - 16 x 2-1/2", Gr 8

- piston retaining (3/4 x 2-1/2" N.F. hex.), G32475 lift cylinder w/o gland id ring

1шт.

44

G32317

WASHER,33.34mm ID x 63.5mm OD x 2.38mm Thk

- piston bolt (7/8 x 1-3/8 x 9/64"), G32475 lift cylinder w/o gland id ring

1шт.

45

219-1

LUBE NIPPLE,1/8" - 27 NPTF

FITTING - grease (1/8" P.T. str.), G32475 lift cylinder w/o gland id ring

1шт.

G32295

GASKET KIT

SEAL KIT - cylinder repair, Includes: Ref. 29 - 30, 32 - 33 and P/N G33193, G32475 lift cylinder w/o gland id ring

1шт.

Выбрано товаров: 57