Запчасти Case 450 (008) - CYLINDER BLOCK ASSEMBLY, (188) SPARK IGNITION ENGINE, FOR FLANG MTD. OIL FILTER (01) - ENGINE

Схема запчастей Case 450 - (008) - CYLINDER BLOCK ASSEMBLY, (188) SPARK IGNITION ENGINE, FOR FLANG MTD. OIL FILTER (01) - ENGINE
FIT
1:1
100%

Артикул

Название

Примечание

Количество

A41029

SKELETON ENGINE

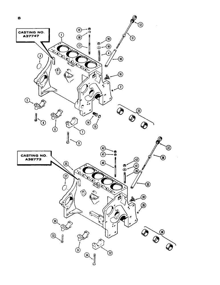
BLOCK ASSY. - cylinder, short (not illust.) (incl. stripped block, crankshaft & brgs., camshaft, timing gears, piston assy, connecting rods & brgs., & oil pump assy.) (casting #A37747), Includes: Ref. 1 - 15

1шт.

1

A41030

SKELETON ENGINE

BLOCK ASSY. - cylinder, stripped (Casting #A37747), Includes: Ref. 2 - 15

1шт.

2

217-433

PLUG,Hex Soc, 1/4" - 18 NPTF

- oil gallery (1/4" P.T., ctsk. sckt. hd.)

3шт.

3

A39241

PLUG,Exp, 2.12" dia

- rear (2-1/8" exp.) (Replaces A30033)

1шт.

4

A30057

STUD

- cyl. head (1/2" N.F. x 2")

3шт.

4

A29436

STUD

- cyl. head (1/2" N.F. x 5-7/8")

14шт.

5

G2062

CAP - main brg., rear

1шт.

6

G2060

CAP - main brg., center

1шт.

7

G2059

CAP - main brg., front

1шт.

8

G49038

BOLT - main brg. cap (1/2 x 3-3/8" N.C. spec.)

4шт.

9

G49059

BOLT

- main brg. cap (1/2 x 4-3/4" N.C. spec.)

2шт.

10

A37149

TUBE

- oil filter & dipstick support (w/bead) (see ref 35)

1шт.

11

A37148

DIPSTICK

ASSY. (guide 15/16" wide) (see ref 36), Includes: Ref. 12

1шт.

12

F62075

O-RING,0.139" Thk x 0.734" ID, -210, Cl 5, 75 Duro

"O" RING - dipstick (3/4 x 1 x 1/8")

2шт.

13

A41229

BUSHING

SET - camshaft, pre-sized (Replaced A36409)

1шт.

14

A153552

ADAPTER

- oil filter

1шт.

15

A37207

X

PLUG - oil filter hole (1" cup type)

1шт.

16

A23656

COCK, DRAIN

COCK - drain, cyl. block

1шт.

17

A36780

STUD

- cyl. head & cover

2шт.

18

G49404

WASHER

- cyl. head stud (17/32 x 27/32 x 1/16")

19шт.

19

A30021

NUT

- cyl. head stud (1/2" N.F. hex., spec.)

19шт.

A40595

X

BLOCK ASSY. - cylinder, short (not illust.) (incl. stripped block, crankshaft & brgs., camshaft, timing gears, piston assy., connecting rods & brgs. & oil pump assy.) (Casting #A36773) (Order A41029), for bracket mtd oil filter, Includes: Ref. 25 - 28

1шт.

25

A40593

BLOCK ASSY. - cylinder, stripped (Casting #A36773) (Order A41030), for bracket mtd oil filter, Includes: Ref. 26 - 38

1шт.

26

217-433

PLUG,Hex Soc, 1/4" - 18 NPTF

- oil gallery (1/4" P.T., ctsk. sckt. hd.), for bracket mtd oil filter

3шт.

27

A39241

PLUG,Exp, 2.12" dia

- rear (2-1/8" exp.) (Replaces A30033), for bracket mtd oil filter

1шт.

28

A30057

STUD

- cyl. head (1/2" N.F. x 2"), for bracket mtd oil filter

3шт.

28

A29436

STUD

- cyl. head (1/2" N.F. x 5-7/8"), for bracket mtd oil filter

14шт.

30

G2062

CAP - main brg., rear, for bracket mtd oil filter

1шт.

31

G2060

CAP - main brg., center, for bracket mtd oil filter

1шт.

32

G2059

CAP - main brg., front, for bracket mtd oil filter

1шт.

33

G49038

BOLT - main brg., cap (1/2 x 3-3/8" N.C. spec.), for bracket mtd oil filter

4шт.

34

G49059

BOLT

- main brg., cap (1/2 x 4-3/4" N.C. spec.), for bracket mtd oil filter

2шт.

35

A37149

TUBE

- oil filter & dipstick support (See ref 10), for bracket mtd

1шт.

36

A37148

DIPSTICK

ASSY. - (Guide 15/16" wide) (See ref 11), for bracket mtd oil filter, Includes: Ref. 37

1шт.

37

F62075

O-RING,0.139" Thk x 0.734" ID, -210, Cl 5, 75 Duro

"O" RING - dipstick (3/4 x 1 x1/8"), for bracket mtd oil filter

2шт.

38

A41229

BUSHING

KIT - camshaft, pre-sized (Replaces A36409), for bracket mtd oil filter

1шт.

39

A23656

COCK, DRAIN

COCK - drain, cylinder block, for bracket mtd oil filter

1шт.

40

A36780

STUD

- cyl. head & cover, for bracket mtd oil filter

2шт.

41

G49404

WASHER

- cyl. head stud (17/32 x 27/32 x 1/16"), for bracket mtd oil filter

19шт.

42

A30021

NUT

- cyl. head stud (1/2" N.F. hex, spec.), for bracket mtd oil filter

19шт.

Выбрано товаров: 40