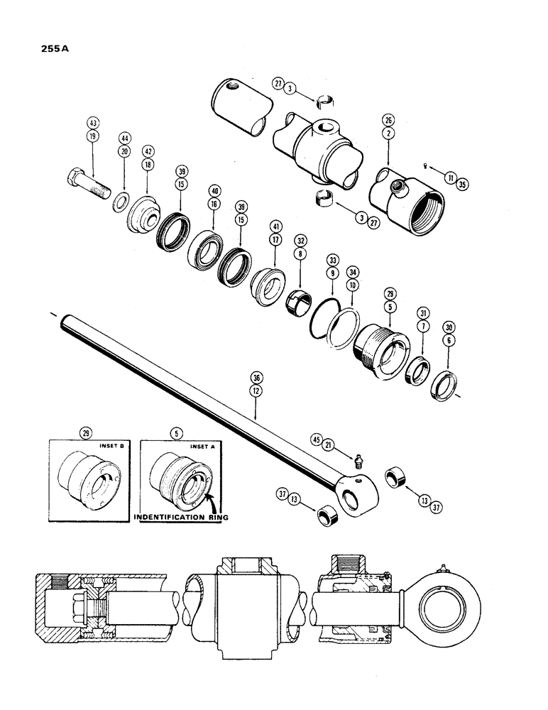
Запчасти Case 450 (255A) - G33466 RIPPER CYLINDER, 3" DIAMETER CYLINDER W/10-1/2" STROKE (07) - HYDRAULIC SYSTEM

Схема запчастей Case 450 - (255A) - G33466 RIPPER CYLINDER, 3" DIAMETER CYLINDER W/10-1/2" STROKE (07) - HYDRAULIC SYSTEM
FIT
1:1
100%

Артикул

Название

Примечание

Количество

G33466

HYDRAULIC CYLINDER

CYLINDER ASSY. - ripper, Includes: Ref. 2 - 21

1шт.

2

D35123

TUBE

ASSY. - cylinder body, Includes: Ref. 3

1шт.

3

30634

BUSHING,32.05mm ID x 38.18mm OD x 17.6mm L

- tube trunnions

2шт.

G33485

GLAND

ASSY., Includes: Ref. 5 - 10

1шт.

5

NSS

NOT SOLD SEPARAT

GLAND - (w/identification ring) (See Inset A)

1шт.

6

D95142

WIPER SEAL,1.5" ID x 2" OD x 0.31" Thk

WIPER - piston rod, outer (1-1/2 x 2 x 5/16")

1шт.

Part of P/N G32292 Cylinder Repair Seal Kit

1шт.

7

D36969

CUP

SEAL - piston rod (1-1/2 x 2 x 7/16)

1шт.

Part of P/N G32292 Cylinder Repair Seal Kit

1шт.

8

D27706

WIPER SEAL

WIPER - piston rod, inner (split type)

1шт.

Part of P/N G32292 Cylinder Repair Seal Kit

1шт.

9

A30095

O-RING,0.139" Thk x 2.984" ID, -234, Cl 5, 75 Duro

"O"RING - gland (3 x 3-1/4 x 1/8")

1шт.

Part of P/N G32292 Cylinder Repair Seal Kit

1шт.

10

G32122

BACK-UP RING,75.82mm ID x 81.92mm OD x 1.4mm Thk

- gland "O"ring back-up

1шт.

Part of P/N G32292 Cylinder Repair Seal Kit

1шт.

11

187-1031

SELF-TAP SCREW,Pan, 0.164"-32 x 1/4"

SCREW - gland lock (#8-32 1/4" self-tapping)

1шт.

12

G33467

ROD

ASSY. - piston (1-1/2" dia.) (w/identification ring), Includes: Ref. 13

1шт.

13

30634

BUSHING,32.05mm ID x 38.18mm OD x 17.6mm L

- piston rod

2шт.

G33151

PACKING

ASSY. - piston, Includes: Ref. 15 and 16

1шт.

Part of P/N G32292 Cylinder Repair Seal Kit

1шт.

15

NSS

NOT SOLD SEPARAT

PACKING ASSY. - ("V" type)

2шт.

16

NSS

NOT SOLD SEPARAT

RING - center bearing

1шт.

17

G33150

PISTON

- split (rod end) (w/identification ring)

1шт.

18

D28366

PISTON

- split (bolt end)

1шт.

19

28-1240

BOLT,Hex, 3/4" - 16 x 2-1/2", Gr 8

- piston (3/4 x 2-1/2" N.C. hex.)

1шт.

20

G32317

WASHER,33.34mm ID x 63.5mm OD x 2.38mm Thk

- piston bolt (7/8 x 1-3/8 x 9/64")

1шт.

21

219-1

LUBE NIPPLE,1/8" - 27 NPTF

FITTING - grease (1/8" P.T. str.)

1шт.

G32292

KIT

SEAL KIT cylinder repair, Includes: Ref. 6 - 10 and P/N G33151

1шт.

G32468

CYLINDER

ASSY. - ripper, w/o gland id ring, Includes: Ref. 26 - 45

1шт.

26

D35123

TUBE

ASSY. - body, G32468 ripper cylinder w/o gland id ring, Includes: Ref. 27

1шт.

27

30634

BUSHING,32.05mm ID x 38.18mm OD x 17.6mm L

- tube trunnion, G32468 ripper cylinder w/o gland id ring

2шт.

G32734

GLAND

ASSY., G32468 ripper cylinder w/o id ring, Includes: Ref. 29 - 34

1шт.

29

NSS

NOT SOLD SEPARAT

GLAND - (w/o identification ring) (See Inset B), G32468 ripper cylinder

1шт.

30

D95142

WIPER SEAL,1.5" ID x 2" OD x 0.31" Thk

WIPER - piston rod, outer (1-1/2 x 2 x 5/16"), G32468 ripper cylinder w/o id ring

1шт.

Part of P/N G32292 Cylinder Repair Seal Kit

1шт.

31

D36969

CUP

SEAL - piston rod (1-1/2 x 2 x 7/16"), G32468 ripper cylinder w/o id ring

1шт.

Part of P/N G32292 Cylinder Repair Seal Kit

1шт.

32

D27706

WIPER SEAL

WIPER - piston rod, inner (split type), G32468 ripper cylinder w/o gland id ring

1шт.

Part of P/N G32292 Cylinder Repair Seal Kit

1шт.

33

A30095

O-RING,0.139" Thk x 2.984" ID, -234, Cl 5, 75 Duro

"O"RING - gland (3 x 3-1/4 x 1/8"), G32468 ripper cylinder w/o id ring

1шт.

Part of P/N G32292 Cylinder Repair Seal Kit

1шт.

34

G32122

BACK-UP RING,75.82mm ID x 81.92mm OD x 1.4mm Thk

- gland "O"ring back-up, G32468 ripper cylinder w/o id ring

1шт.

Part of P/N G32292 Cylinder Repair Seal Kit

1шт.

35

187-1031

SELF-TAP SCREW,Pan, 0.164"-32 x 1/4"

SCREW - gland lock (#8-32 x 1/4" self-tapping), G32468 ripper cylinder w/o id ring

1шт.

36

D32143

EYE

ROD ASSY. - piston (1-1/2" dia.) (w/o identification ring), G32468 ripper cylinder, Includes: Ref. 37

1шт.

37

30634

BUSHING,32.05mm ID x 38.18mm OD x 17.6mm L

- piston rod, G32468 ripper cylinder w/o gland id ring

2шт.

G33151

PACKING

ASSY. - piston, G32468 ripper cylinder w/o gland id ring, Includes: Ref. 39 and 40

1шт.

Part of P/N G32292 Cylinder Repair Seal Kit

1шт.

39

NSS

NOT SOLD SEPARAT

PACKING ASSY. - ("V" type), G32468 ripper cylinder w/o gland id ring

2шт.

40

NSS

NOT SOLD SEPARAT

RING - center bearing, G32468 ripper cylinder w/o gland id ring

1шт.

41

D28365

PISTON

- split (rod end) (w/o identification ring), G32468 ripper cylinder

1шт.

42

D28366

PISTON

- split (bolt end), G32468 ripper cylinder w/o gland id ring

1шт.

43

28-1240

BOLT,Hex, 3/4" - 16 x 2-1/2", Gr 8

- piston (3/4 x 2-1/2" N.F hex), G32468 ripper cylinder w/o gland id ring

1шт.

44

G32317

WASHER,33.34mm ID x 63.5mm OD x 2.38mm Thk

- piston bolt (7/8 x 1-3/8 x 9/64"), G32468 ripper cylinder w/o gland id ring

1шт.

45

219-1

LUBE NIPPLE,1/8" - 27 NPTF

FITTING - grease (1/8" P.T. str.), G32468 ripper cylinder w/o gland id ring

1шт.

G32292

KIT

SEAL KIT cylinder repair, Includes: Ref. 30 - 34 and P/N G33151, G32468 ripper cylinder w/o gland id ring

1шт.

Выбрано товаров: 56