Запчасти Case 450 (027A) - CYLINDER BLOCK ASSEMBLY, (188) DIESEL ENGINE, FOR WIDE FLANGED SLEEVES, 1ST USED ENG. S.N. 2614827 (01) - ENGINE

Схема запчастей Case 450 - (027A) - CYLINDER BLOCK ASSEMBLY, (188) DIESEL ENGINE, FOR WIDE FLANGED SLEEVES, 1ST USED ENG. S.N. 2614827 (01) - ENGINE
FIT
1:1
100%

Артикул

Название

Примечание

Количество

A40817

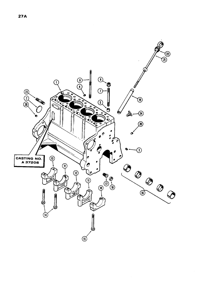
BLOCK ASSY. - short (Casting No. A37205) (incl. stripped block, crankshaft & brgs., camshaft, timing gears, piston assy., connecting rods & brgs. & oil pump assy.) (Order A42814 figure 26), Includes: Ref. 1 - 20

1шт.

1

A40818

BLOCK ASSY. - stripped (Casting #A37205) (OrderA41597), Includes: Ref. 2 - 19

1шт.

2

A39241

PLUG,Exp, 2.12" dia

- camshaft hole (2-1/8" exp.)

1шт.

3

G49070

PLUG

- oil gallery, front, drilled

1шт.

4

221-32

PLUG,Sq Soc, 3/8"-18 NPTF

- water jacket (3/8" P.T., ctsk., sckt. hd.)

1шт.

5

G49608

RING

DOWEL - ring, head locating (17/32 x 3/4 x 7/8")

2шт.

7

A36904

STUD

- cyl. head (1/2" N.C. x 4")

4шт.

7

A36902

STUD

- cyl. head (1/2" N.C. x 5-5/8")

11шт.

7

A36905

STUD

- cyl. head (1/2" N.C. x 6")

2шт.

8

A36903

STUD

- cyl. head & cover

2шт.

9

A37030

FLANGE NUT

- cyl. head stud (1/2" N.C., flanged)

19шт.

10

G2126

CAP

- main brg., front

1шт.

11

G2128

CAP

- main brg., intermediate

2шт.

12

G2127

CAP

- main bre., center

1шт.

13

G2129

CAP

- main brg., rear

1шт.

14

113-444

BOLT

- brg. caps (1/2 x 4-1/2" N.C. spec)

8шт.

15

G49077

BOLT

- frt. brg. cap (1/2 x 5-1/8" N.C. spec)

2шт.

16

A41232

KIT

BUSHING KIT - camshaft (Replaces A36317)

1шт.

17

A153552

ADAPTER

- oil filter

1шт.

18

41-1016

PLUG,Cup, 1"

- adapter (1" cup type)

1шт.

19

A37149

TUBE

- oil filter & dipstick guide

1шт.

20

217-433

PLUG,Hex Soc, 1/4" - 18 NPTF

Oil gallery Hex Soc, 1/4"-18 NPTF

2шт.

21

A37148

DIPSTICK

ASSY., Includes: Ref. 22

1шт.

22

F62075

O-RING,0.139" Thk x 0.734" ID, -210, Cl 5, 75 Duro

"O" RING - dipstick (3/4 x 1 x 1/8")

2шт.

23

A29333

STUD

- engine (5/8" N.C. x 3")

2шт.

24

A23656

COCK, DRAIN

COCK - drain, engine block

1шт.

Выбрано товаров: 26