Запчасти Case 450 (030) - CYLINDER BLOCK ASSY., (188) DIESEL ENG., FOR NARROW FLANGED SLEEVES, USED PRIOR TO ENG. S.N. 2610997 (01) - ENGINE

Схема запчастей Case 450 - (030) - CYLINDER BLOCK ASSY., (188) DIESEL ENG., FOR NARROW FLANGED SLEEVES, USED PRIOR TO ENG. S.N. 2610997 (01) - ENGINE
FIT
1:1
100%

Артикул

Название

Примечание

Количество

A40592

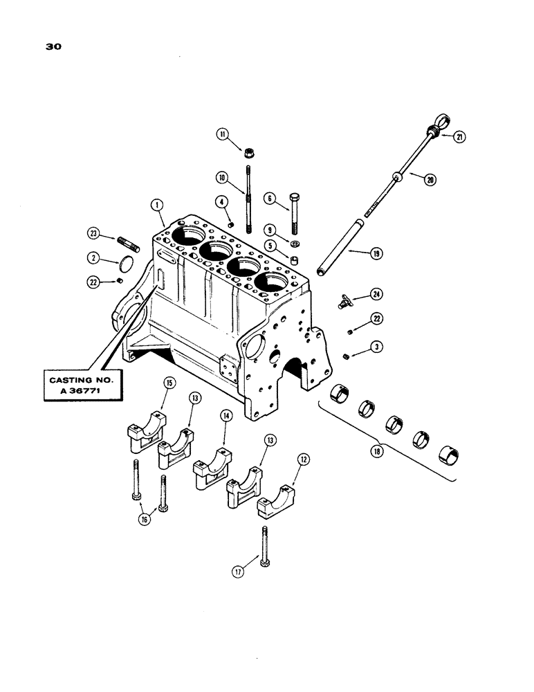
BLOCK ASSY. - short (Casting No. A37205) (incl. stripped block, crankshaft & brgs., camshaft, timing gears, piston assy., connecting rods & brgs. & oil pump assy.), Includes: Ref. 1 - 22

1шт.

Late production of A40592 short block use casting no. A37205 which is machined to use narrow or wide flanged sleeves and also eliminates the oil filter bracket see figure 34 for sleeve flange data

1шт.

1

A40590

BLOCK ASSY. - stripped (Casting No. A36771) (Order A41597, Figure 26), Includes: Ref. 2 - 21

1шт.

2

A39241

PLUG,Exp, 2.12" dia

- camshaft hole (2-1/8" exp)

1шт.

3

G49070

PLUG

- oil gallery, front, drilled

1шт.

4

221-32

PLUG,Sq Soc, 3/8"-18 NPTF

- water jacket (3/8" P.T., ctsk. sckt. hd.)

1шт.

5

G49608

RING

DOWEL - ring, head locating (17/32 x 3/4 x 7/8")

2шт.

6

A35370

BOLT

BOLT - cyl. head (1/2 x 4" N.C. hex.)

4шт.

6

A35371

BOLT

- cyl. hd. (1/2 x 5" N.C. hex)

11шт.

6

A35372

BOLT (SPREADER)

BOLT - cyl. head (1/2 x 5-1/2 " N.C. hex.)

2шт.

9

A37029

WASHER

- cyl. hd. bolts

17шт.

10

A36903

STUD

- cyl. head & cover

2шт.

11

A36906

NUT

- cyl. head stud (1/2" N.C. hex)

2шт.

12

G2126

CAP

- main brg., front

1шт.

13

G2128

CAP

- main brg., intermediate

2шт.

14

G2127

CAP

- main brg., center

1шт.

15

G2129

CAP

- main brg., rear

1шт.

16

113-444

BOLT

- brg. caps (1/2 x 4-1/2" N.C. spec.)

8шт.

17

G49077

BOLT

- frt. brg. cap (1/2 x 5-1/8" N.C. spec.)

2шт.

18

A41232

KIT

BUSHING KIT - camshaft (Replaces A36317)

1шт.

19

A37149

TUBE

- dipstick

1шт.

20

A37148

DIPSTICK

ASSY. - (Guide 15/16" wide), Includes: Ref. 21

1шт.

21

F62075

O-RING,0.139" Thk x 0.734" ID, -210, Cl 5, 75 Duro

"O" RING - dipstick (3/4 x 1 x 1/8")

2шт.

22

217-433

PLUG,Hex Soc, 1/4" - 18 NPTF

Oil gallery Hex Soc, 1/4"-18 NPTF

2шт.

23

A29333

STUD

- engine (5/8" N.C. x 3")

2шт.

24

A23656

COCK, DRAIN

COCK - drain, engine block

1шт.

Выбрано товаров: 0