Запчасти Case 450 (056) - AIR CLEANER AND MUFFLER - GAS (01) - ENGINE

Схема запчастей Case 450 - (056) - AIR CLEANER AND MUFFLER - GAS (01) - ENGINE
FIT
1:1
100%

Артикул

Название

Примечание

Количество

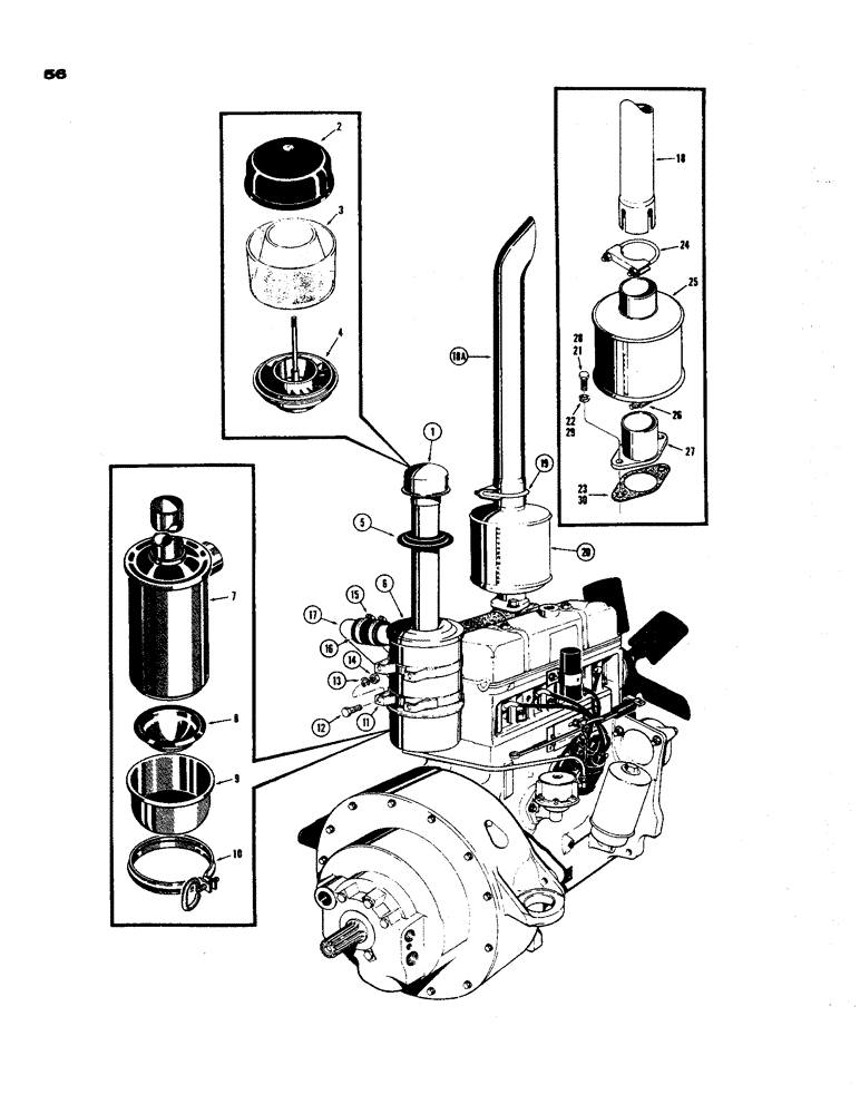
1

D22685

CAP

- inlet, air cleaner (Standard)

1шт.

D20604

PRECLEANER

PRE-CLEANER - inlet, air cleaner (Optional), Includes: Ref. 2 - 4

1шт.

2

D30676

COVER

- pre-cleaner

1шт.

3

D30675

BODY

1шт.

4

D30677

SLEEVE

1шт.

5

R14780

GROMMET

- air cleaner stack

1шт.

6

D35072

AIR CLEANER - complete, Includes: Ref. 7 - 10

1шт.

7

NSS

NOT SOLD SEPARAT

BODY - air cleaner

1шт.

8

G46324

CUP

- oil, inner

1шт.

9

G46325

CUP

- oil, outer

1шт.

10

G45153

CLAMP

- retaining, oil cup

1шт.

11

D28031

BAND - mounting

2шт.

12

13-512

BOLT,Hex, 5/16" - 18 x 3/4", Gr 5

4шт.

13

92-5

LOCK WASHER,5/16"

med sect. 5/16"

4шт.

14

9635082

NUT,5/16" - 18, Gr 5

- hex. (5/16" - 18 NC)

4шт.

15

214-260

HOSE CLAMP,#36, 1.81" - 2.75", Type F Worm

4шт.

16

G46257

HOSE - air cleaner to carburetor 2" ID x 2.375" OD

2шт.

17

D35073

TUBE - air, Serial Range: cleaner-carburetor

1шт.

18

D33535

PIPE

- exhaust, ceramic coated (Use with D29307 muffler only)

1шт.

18a

D33503

PIPE

- exhaust, ceramic coated (Use with D35016 muffler only)

1шт.

19

A13240

CLAMP,2-5/8" ID

- exhaust, Serial Range: pipe-muffler

1шт.

20

D35106

MUFFLER

- exhaust, standard

1шт.

21

13-616

BOLT,Hex, 3/8" - 16 x 1", Gr 5, Full Thd

2шт.

22

92-6

LOCK WASHER,3/8"

med. sect. 3/8"

2шт.

23

G46853

MANIFOLD GASKET

- exhaust outlet

1шт.

24

D38328

X

CLAMP - exhaust, Serial Range: pipe-muffler

1шт.

25

D29307

X

MUFFLER - exhaust, spark arresting (Optional) When stock is exhausted, use D45256 muffler

1шт.

D45256

MUFFLER,W/ Spark Arrester

- exhaust, spark arresting (Optional)

1шт.

26

A13240

CLAMP,2-5/8" ID

-, Serial Range: muffler-outlet

1шт.

27

D29308

OUTLET

- exhaust

1шт.

28

13-616

BOLT,Hex, 3/8" - 16 x 1", Gr 5, Full Thd

2шт.

29

92-6

LOCK WASHER,3/8"

med. sect. 3/8"

2шт.

30

G46853

MANIFOLD GASKET

- exhaust outlet

1шт.

Выбрано товаров: 33