Запчасти Case 450 (112) - FINAL DRIVE, 1ST USED TRANS. SER. NO. 2626054 (03) - TRANSMISSION

Схема запчастей Case 450 - (112) - FINAL DRIVE, 1ST USED TRANS. SER. NO. 2626054 (03) - TRANSMISSION
FIT
1:1
100%

Артикул

Название

Примечание

Количество

A54115

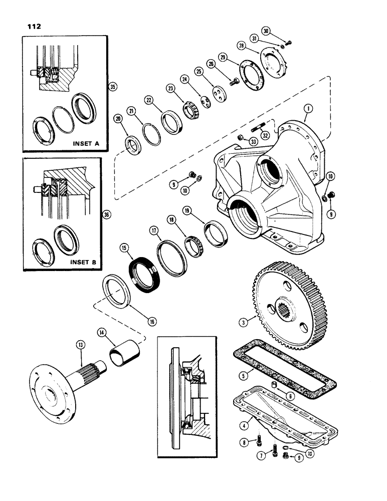
TRANS. & FINAL DRIVE ASSY. - comp. (for Loader) (Replaces A50180), Includes: Ref. 1 - 33

1шт.

A54116

NO LONGER SERVICED

TRANS. & FINAL DRIVE ASSY. - comp. (for Dozer) (Replaces A50245), Includes: Ref. 1 - 33

1шт.

A50396

DRIVE ASSY. - final, R.H. (for Loader), Includes: Ref. 1 - 31

1шт.

A50401

NO LONGER SERVICED

DRIVE ASSY. - final, L.H. (for Dozer), Includes: Ref. 1 - 31

1шт.

A50397

DRIVE ASSY.

- final, L.H. (for Loader), Includes: Ref. 1 - 31

1шт.

A50400

NO LONGER SERVICED

DRIVE ASSY. - final, R.H. (for Dozer), Includes: Ref. 1 - 31

1шт.

1

A50398

FUNNEL

HOUSING - final drive, R.H. (for Loader)

1шт.

1

A50402

HOUSING

- final drive. L.H. (for Dozer)

1шт.

1

A50399

HOUSING

- final drive, L.H. (for Loader)

1шт.

1

A50403

HOUSING

- final drive, R.H. (for Dozer)

1шт.

3

A50214

GEAR

- ball, final drive

1шт.

4

A50405

COVER

- drop, final drive

1шт.

5

A50218

GASKET

- drop cover

1шт.

6

A50011

SLEEVE

- dowel

2шт.

7

166-88

12 PT SCREW,Flg, 1/2" - 13 x 1 3/4", Gr 8

SCREW - ferry cap, 1/2 x 1-1/2" N.C., 12 pt. hd. 1 3/4" long

2шт.

8

166-86

12 PT SCREW,Flg, 1/2" - 13 x 1 1/4", Gr 8

SCREW - ferry cap, 1/2 x 1-1/4" N.C., 12 pt. hd.

10шт.

9

A50014

PLUG

- drain and fill

4шт.

10

A58608

GASKET

- fill & drain plug

2шт.

13

A50484

SHAFT

- output (Replaces A50212)

1шт.

14

A50213

SPACER

SLEEVE - output shaft

1шт.

A50555

SEAL

KIT - shaft (Replaces old seals in sets), Includes: Ref. 15 - 17

1шт.

15

A50552

SEAL

- face

1шт.

16

A50553

SEAL

SEAT - face seal

1шт.

17

A50554

SPACER

-, Serial Range: seal-housing

1шт.

18

A50100

ROLLER BEARING,82.55mm ID x 25.4mm W

CONE - bearing, output shaft (3-1/4" I.D.)

1шт.

19

A27146

BEARING, CUP,125.41mm OD x 19.84mm W

CUP - bearing, outer (4-15/16" O.D.)

1шт.

20

A50215

RING

SPACER - output shaft

1шт.

21

A30504

RING

- snap, bearing

1шт.

22

A50179

BEARING CUP

CUP - bearing, output shaft

1шт.

23

G10414

ROLLER BEARING

CONE - bearing, outer output shaft

1шт.

24

A50216

SHIM

- bearing (.005")

1шт.

24

A50224

SHIM,.007" Thk

Bearing .007" Thk

1шт.

25

A50217

PLATE

- retainer

1шт.

26

A31107

BOLT

- 1/2 x 1-1/4 " N.C. hex., drilled hd.

3шт.

28

A50140

COVER

- output shaft

1шт.

29

A50139

GASKET

- cover

1шт.

30

13-620

BOLT,Hex, 3/8" - 16 x 1-1/4", Gr 5, Full Thd

5шт.

31

92-6

LOCK WASHER,3/8"

5шт.

32

A50021

STUD

- mtg., final drive, 1/2" N.C. x 3"

28шт.

33

131-10

NUT,1/2"-13, GB

NUT, LOCK, 1/2"-13, GB

28шт.

35

A50545

KIT

SEAL KIT - see inset A (Order A50555)

2шт.

36

A50244

SEAL

KIT - see inset B (Order A50555)

2шт.

Выбрано товаров: 42