Запчасти Case 450 (188) - LOGGING FORK AND GRAPPLE ATTACHMENT (05) - UPPERSTRUCTURE CHASSIS

Схема запчастей Case 450 - (188) - LOGGING FORK AND GRAPPLE ATTACHMENT (05) - UPPERSTRUCTURE CHASSIS
FIT
1:1
100%

Артикул

Название

Примечание

Количество

D39513

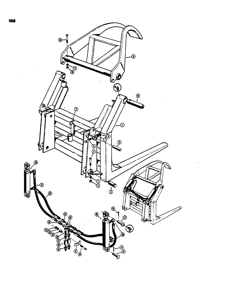
LOGGING FORK ASSEMBLY - machinery item, Includes: Ref. 1 - 3

1шт.

1

NSS

NOT SOLD SEPARAT

FORK - logging

1шт.

2

D40173

BRACKET - hydraulic fittings

1шт.

3

D40174

PIN - mounting, fork to loader arm

2шт.

4

13-856

BOLT,Hex, 1/2" - 13 x 3-1/2", Gr 5

Includes: Ref. 5 - 8 Hex, 1/2"-13 x 3 1/2", G5

2шт.

5

D40175

PIN - mounting, fork to dump link

2шт.

6

13-848

BOLT,Hex, 1/2" - 13 x 3", Gr 5

HHCS - 1/2" - 13 NC x 3"

2шт.

7

92-8

LOCK WASHER,1/2"

med. sect. 1/2"

4шт.

8

25-108

NUT,1/2"-13, G5

- hex., (1/2" - 13 NC)

4шт.

D39514

GRAPPLE ATTACHMENT ASSEMBLY - machinery item (Use with D39513 Logging Fork Assembly only), Includes: Ref. 9 - 34

1шт.

9

D39969

HOOK

- grapple

1шт.

10

D39720

CYLINDER - hydraulic, grapple (See Figure 226 for cylinders)

2шт.

11

D40179

PIN - cylinder to grapple hook, Includes: Ref. 12

2шт.

12

219-1

LUBE NIPPLE,1/8" - 27 NPTF

FITTING - grease, straight (1/8" NPT)

2шт.

13

D40180

PIN -, Serial Range: cylinder-fork

2шт.

14

132-150

COTTER PIN,1/4" x 1 1/2"

Pin, Split (Cotter), 1/4" x 1 1/2"

4шт.

15

D40178

PIN - fork to grapple hook

2шт.

16

13-864

BOLT,Hex, 1/2" - 13 x 4", Gr 5

2шт.

17

92-8

LOCK WASHER,1/2"

med. sect. 1/2"

2шт.

18

25-108

NUT,1/2"-13, G5

- hex. (1/2" - 13 NC)

2шт.

19

219-1

LUBE NIPPLE,1/8" - 27 NPTF

FITTING - grease, straight (1/8" NPT)

2шт.

20

D33746

X

ELBOW - 90 degree special

4шт.

21

T31063

HOSE ASSY.

HOSE - upper cyl. port to hyd. control valve (30" long), Includes: Ref. 22

2шт.

22

218-902

HYD CONNECTOR,3/8" NPT x 3/8" - 18 ORFS

ADAPTER - swivel, female

1шт.

23

D40186

HOSE ASSY.

HOSE - lower cyl. port to hyd. control valve (18" long), Includes: Ref. 24

2шт.

24

218-902

HYD CONNECTOR,3/8" NPT x 3/8" - 18 ORFS

ADAPTOR - swivel, female

1шт.

25

D40181

X

TEE - special

2шт.

26

221-161

PIPE,Nipple, 3/8" NPT x 1 1/2"

NIPPLE - 3/8" NPT

2шт.

27

221-56

BUSHING - reducing (1/2" NPT x 3/8" NPT)

2шт.

28

221-338

COUPLING,Pipe, 1/2" NPT

- 1/2" NPT

2шт.

29

218-445

HYD CONNECTOR,7/8" - 14 Male JIC x 1/2" - 14 Male NPTF

CONNECTOR - straight

2шт.

30

413-632

BOLT,Hex, 3/8" - 16 x 2", Gr 5

1шт.

31

D40183

CLAMP

1шт.

32

D40182

SPACER - clamp

1шт.

33

92-6

LOCK WASHER,3/8"

med. sect. 3/8"

1шт.

34

25-106

NUT,3/8"-16, G5

- hex. (3/8" - 16 NC)

1шт.

Выбрано товаров: 36