Запчасти Case 450 (244) - LOGGING FORK AND GRAPPLE ATTACHMENT (05) - UPPERSTRUCTURE CHASSIS

Схема запчастей Case 450 - (244) - LOGGING FORK AND GRAPPLE ATTACHMENT (05) - UPPERSTRUCTURE CHASSIS
FIT
1:1
100%

Артикул

Название

Примечание

Количество

D39513

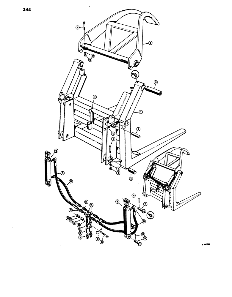
LOGGING FORK ASSEMBLY - machinery item, Includes: Ref.#1 - 8

1шт.

1

NSS

NOT SOLD SEPARAT

FORK - logging

1шт.

2

D40173

BRACKET - hydraulic fittings

1шт.

3

D40174

PIN - mounting, fork to loader arm

2шт.

4

13-856

BOLT,Hex, 1/2" - 13 x 3-1/2", Gr 5

2шт.

5

D40175

PIN - mounting, fork to dump link

2шт.

6

130848

HHCS - 1/2" - 13 NC x 3"

2шт.

7

92-8

LOCK WASHER,1/2"

4шт.

8

25-108

NUT,1/2"-13, G5

- hex. (1/2" - 13 NC)

4шт.

D39514

GRAPPLE ATTACHMENT ASSEMBLY - machinery item, Includes: Ref.#9 - 34

1шт.

9

D39969

HOOK

- grapple

1шт.

10

D39720

CYLINDER - hydraulic, grapple hook (Parts list Fig. 336)

2шт.

11

D40179

PIN - cylinder to grapple hook

2шт.

12

219-1

LUBE NIPPLE,1/8" - 27 NPTF

FITTING - grease, straight (1/8" NPT)

2шт.

13

D40180

PIN -, Serial Range: cylinder-fork

2шт.

14

132-159

COTTER PIN,1/4" x 3"

Pin, Split (Cotter), 1/4" x 3"

4шт.

15

D40178

PIN - fork to grapple hook

2шт.

16

13-864

BOLT,Hex, 1/2" - 13 x 4", Gr 5

2шт.

17

92-8

LOCK WASHER,1/2"

2шт.

18

129-105

NUT,Hex, 1/2" - 13, Gr 5

(Replaces 25-108) 1/2"-13, G5

2шт.

19

219-1

LUBE NIPPLE,1/8" - 27 NPTF

FITTING - grease, straight (1/8" NPT)

2шт.

20

218-923

ELBOW,90 Degree, 1/2" NPTF Male x 3/8" NPSM Fem Sw

- 90 degree, swivel

4шт.

21

T31063

HOSE ASSY.

HOSE - upper cyl, port to hyd. control valve (30" long), Includes: Ref.#22

2шт.

22

218-902

HYD CONNECTOR,3/8" NPT x 3/8" - 18 ORFS

ADAPTER - swivel

1шт.

23

D40186

HOSE ASSY.

HOSE - lower cyl. port to hyd. control valve (18" long), Includes: Ref.#24

2шт.

24

218-902

HYD CONNECTOR,3/8" NPT x 3/8" - 18 ORFS

ADAPTER - swivel

1шт.

25

217-1162

TEE,3/8"-18 Female

- special (Replaces D40181)

2шт.

26

221-161

PIPE,Nipple, 3/8" NPT x 1 1/2"

NIPPLE - 3/8" NPT

2шт.

27

221-56

BUSHING - reducing (1/2" NPT x 3/8" NPT)

2шт.

28

221-338

COUPLING,Pipe, 1/2" NPT

- 1/2" NPT

2шт.

29

218-445

HYD CONNECTOR,7/8" - 14 Male JIC x 1/2" - 14 Male NPTF

CONNECTOR - straight

2шт.

30

113-219

BOLT,Hex, 3/8" - 16 x 2", Gr 5

(Replaces 13-632) Hex, 3/8"-16 x 2", G5

1шт.

31

D40183

CLAMP

1шт.

32

D40182

SPACER - clamp

1шт.

33

92-6

LOCK WASHER,3/8"

WASHER - lock, 3/8"

1шт.

34

129-103

NUT,Hex, 3/8" - 16, Gr 5

NUT, (Replaces 25-106) 3/8"-16, G5

1шт.

Выбрано товаров: 36