Запчасти Case 450 (056) - D34009 GENERATOR, (188) DIESEL ENGINE, ENCLOSED TYPE (06) - ELECTRICAL SYSTEMS

Схема запчастей Case 450 - (056) - D34009 GENERATOR, (188) DIESEL ENGINE, ENCLOSED TYPE (06) - ELECTRICAL SYSTEMS
FIT
1:1
100%

Артикул

Название

Примечание

Количество

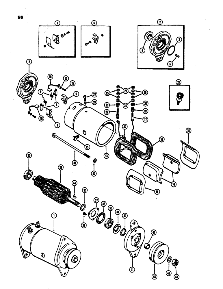
1

D34009

GENERATOR

GENERATOR ASSY. - (Delco #1102339), Includes: Ref.#2 - 45

1шт.

103822A1R

REMAN-GENERATOR

Remanufactured GENERATOR - NA Only

1шт.

103822A1C

CORE-GENERATOR

Return number - For N.A. only

1шт.

2

A25416

SPARE PART FRAME ASSY. - commutator end, Includes: Ref.#3 - 5

1шт.

3

R15087

SPARE PART CLAMP - bearing

1шт.

4

A42032

SPARE PART PLUG - oil & bearin well

1шт.

5

R15095

SPARE PART PIN - dowel, frame locating

1шт.

6

A40703

NOZZLE HOLDER

HOLDER ASSY. - brush (grounded)

1шт.

7

A40704

NOZZLE HOLDER

HOLDER ASSY. - brush (insulated)

1шт.

8

R15090

ARM

ARM - brush pressure

2шт.

9

R16161

VALVE SPRING

SPRING - brush arm (Replaces A25423)

2шт.

10

R4286

BRUSH, COMMUTATOR

BRUSH BRUSH

2шт.

11

173-223

SCREW,Sl Rnd Hd, #6 - 32 x 1/4"

SCREW - brush lead (#6 x 1/4" N.C., rd. hd.)

2шт.

12

192-15

LOCK WASHER,Helical Spring, #6, 0.145" ID, CST, ZND

Washer, Lock, #6

2шт.

13

NSS

NOT SOLD SEPARAT

FRAME - generator body

1шт.

14

A40736

SPARE PART SHOE - pole

2шт.

15

74-610

SCREW,3/8" - 24 x 5/8"

SCREW - pole shoes (3/8 x 5/8" N.F., flat hd.)

2шт.

16

A40698

COIL

COIL ASSY. - field, Includes: Ref. 17 and 18

1шт.

17

NSS

NOT SOLD SEPARAT

STUD - field terminal (Order ref. 21)

1шт.

18

A25447

ISOLATOR

INSULATION - field coil

2шт.

19

NSS

NOT SOLD SEPARAT

BUSHING - insulation, field stud (Order ref. 21)

1шт.

20

NSS

NOT SOLD SEPARAT

WASHER - insulation, field stud (Order ref. 21)

1шт.

21

A40702

STUD

STUD KIT - field terminal

1шт.

22

A40701

STUD

STUD - armature terminal

1шт.

23

R16147

BUSHING

BUSHING - armature terminal, insulating

1шт.

24

A41927

WASHER

WASHER - terminal studs, plain

2шт.

25

192-17

LOCK WASHER,#12

Washer, Lock, #12

4шт.

26

129-18

NUT,#12-24

NUT - terminal studs (#12 N.C. hex.)

4шт.

27

174-217

SCREW - coil to frame (1/4 x 5/16" rd. hd.)

1шт.

28

192-19

LOCK WASHER,Helical Spring, 0.256" ID, CST, ZND

WASHER, LOCK, 1/4"

1шт.

29

A25545

SPARE PART ARMATURE

1шт.

30

R15100

SPARE PART WASHER - spacer, drive end

1шт.

31

A25444

SPARE PART FRAME - drive end

1шт.

32

R15041

SPARE PART PIN - dowel, drive end locating

1шт.

33

R16168

WASHER

WASHER - felt seal, drive end bearing

1шт.

34

R16169

LARGE PLATE

PLATE, LARGE PLATE - felt washer retaining

1шт.

35

R15094

BALL BEARING,0.6693" ID x 1.5748" OD x 0.4724"

BEARING - ball, drive end & comm. end

2шт.

36

R16170

GASKET

GASKET - bearing retainer plate

1шт.

37

R15101

PLATE

PLATE - bearing retainer

1шт.

38

A41959

SCREW,#10 - 32 x 3/8"

SCREW - bearing retainer plate

3шт.

39

R15106

BOLT

BOLT - thru

2шт.

40

92-5

LOCK WASHER,5/16"

WASHER - 1/4" lock

2шт.

41

R15099

SPARE PART COLLAR - spacer, pulley

1шт.

42

R16171

SPRING WASHER

WASHER - lock, pulley nut

1шт.

43

A25546

NUT

NUT - pulley retaining

1шт.

44

126-111

WOODRUFF KEY,#5, 1/8" x 5/8", HT

WOODRUFF KEY, , Pulley #5, 1/8" x 5/8", HT

1шт.

45

A25454

PULLEY

PULLEY - generator drive

1шт.

Выбрано товаров: 0