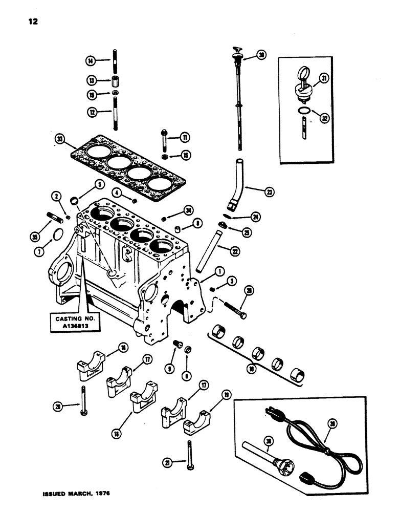
Запчасти Case 450 (012) - CYLINDER BLOCK ASSY., (188) DIESEL ENGINE, WITH CYLINDER HEAD BOLTS, 1ST USED ENG. S.N. 2711005 (01) - ENGINE

Схема запчастей Case 450 - (012) - CYLINDER BLOCK ASSY., (188) DIESEL ENGINE, WITH CYLINDER HEAD BOLTS, 1ST USED ENG. S.N. 2711005 (01) - ENGINE
FIT
1:1
100%

Артикул

Название

Примечание

Количество

A44703

BLOCK

ASSY. - short (Replaces A42814) (incl. crankshaft & brgs., connecting rods & brgs., camshaft, piston assy., oil pump & timing gears), Includes: Ref.#1 - 26

1шт.

1

A44702

BLOCK

ASSY. - stripped (Casting No. A136813) (Replaces A41597), Includes: Ref.#2 - 26

1шт.

2

217-433

PLUG,Hex Soc, 1/4" - 18 NPTF

Rear oil gallery Hex Soc, 1/4"-18 NPTF

2шт.

3

G49070

PLUG

- front oil gallery (1/4" P.T. drilled)

1шт.

4

221-1032

DRAIN PLUG,Sq Soc, 3/8"-18 NPTF

PLUG - (3/8" P.T. sckt. hd.)

1шт.

5

A38534

PLUG

- tach. drive hole (1-1/16" cup type)

1шт.

6

41-1016

PLUG,Cup, 1"

- adapter hole (1" cup type)

1шт.

7

A39241

PLUG,Exp, 2.12" dia

- camshaft hole (2-1/8" expansion)

1шт.

8

G49608

RING

- dowel, head locating

2шт.

9

A153552

ADAPTER

- oil filter

1шт.

10

A42746

CAM

BUSHING SET - camshaft

1шт.

11

A39047

12 PT SCREW

BOLT - cyl. head (1/2 x 3-1/2" N.C.,12 pt. hd.)

4шт.

11

A39048

12 PT SCREW

BOLT - cyl. head (1/2 x 5-1/8" N.C.,12 pt. hd.)

11шт.

11

A39049

12 PT SCREW

BOLT - cyl. head (1/2 x 5-5/8" N.C.,12 pt. hd.)

2шт.

12

A36902

STUD

- cyl. head, lower (1/2" N.C. x 5-5/8")

2шт.

13

A51114

NUT

- head studs (1/2" N.C. & 3/8" N.C.)

2шт.

14

A51271

STUD

- cyl. head cover (3/8" N.C. x 3-3/4")

2шт.

15

A39046

WASHER,13.11mm ID x 22.23mm OD x 3.34mm Thk

- cyl. head bolts (1/2 x 7/8 x 1/8")

19шт.

16

A50157

X

CAP - main bearing, rear

1шт.

17

A51055

CAP

- main bearing, intermediate

2шт.

18

A51056

CAP

- main bearing, center

1шт.

19

A51054

CAP

- main bearing, front

1шт.

20

26-872

BOLT,Hex, 1/2" - 13 x 4-1/2", Gr 8

- brg. caps. (1/2 x 4-1/2" N.C. hex. sltd.)

8шт.

21

26-882

BOLT,Hex, 1/2" - 13 x 5-1/8", Gr 8

- brg. caps, front (1/2 x 5-1/8" N.C. hex. sltd.)

2шт.

22

A37149

TUBE

- oil filler & dipstick

1шт.

23

A37407

TUBE

EXTENSION - oil filler tube

1шт.

24

A27342

O-RING,1.109" ID x 1.387" OD x 0.139"

"O" RING - extension tube (1-1/8 x 1-3/8 x 1/8")

1шт.

25

214-256

HOSE CLAMP,#20, 0.81" - 1.75", Type F Worm

CLAMP - tube (1-3/16" to 1-3/4")

1шт.

26

A38303

BOLT

BOLT - front support (5/8 x 3-3/16" N.C. hex.)

1шт.

30

A39936

DIPSTICK

VALVE ASSY. - drain, cylinder block

1шт.

31

A37148

DIPSTICK

DISPSTICK ASSY. - eng. oil level ("O" ring type) , Includes: Ref.#32, Serial Range: -2718147

1шт.

32

F62075

O-RING,0.139" Thk x 0.734" ID, -210, Cl 5, 75 Duro

"O" RING - dipstick (3/4 x 1 x 1/8")

2шт.

33

A39279

GASKET

- cyl., Serial Range: head-block

1шт.

34

221-662

PLUG,Hex Hd, 1/4"-18

- drain, cyl. block (1/4" P.T. sq. hd.)

1шт.

35

A29363

STUD

- eng. to hsg. (5/8" N.C. - N.F. x 2-1/4")

2шт.

38

A44815

HEATER

ASSY. - w/cord (Replaces A40637), block, Includes: Ref.#39

1шт.

39

A44814

ELECTRIC CABLE

CORD - heater (12" long) (Replaces A40477), block

1шт.

Выбрано товаров: 37