Запчасти Case 450 (018) - CYLINDER BLOCK ASSEMBLY, (188) DIESEL ENGINE, USED PRIOR TO ENG. S.N. 2656844 (01) - ENGINE

Схема запчастей Case 450 - (018) - CYLINDER BLOCK ASSEMBLY, (188) DIESEL ENGINE, USED PRIOR TO ENG. S.N. 2656844 (01) - ENGINE
FIT
1:1
100%

Артикул

Название

Примечание

Количество

A41596

ENGINE ASSEMBLY

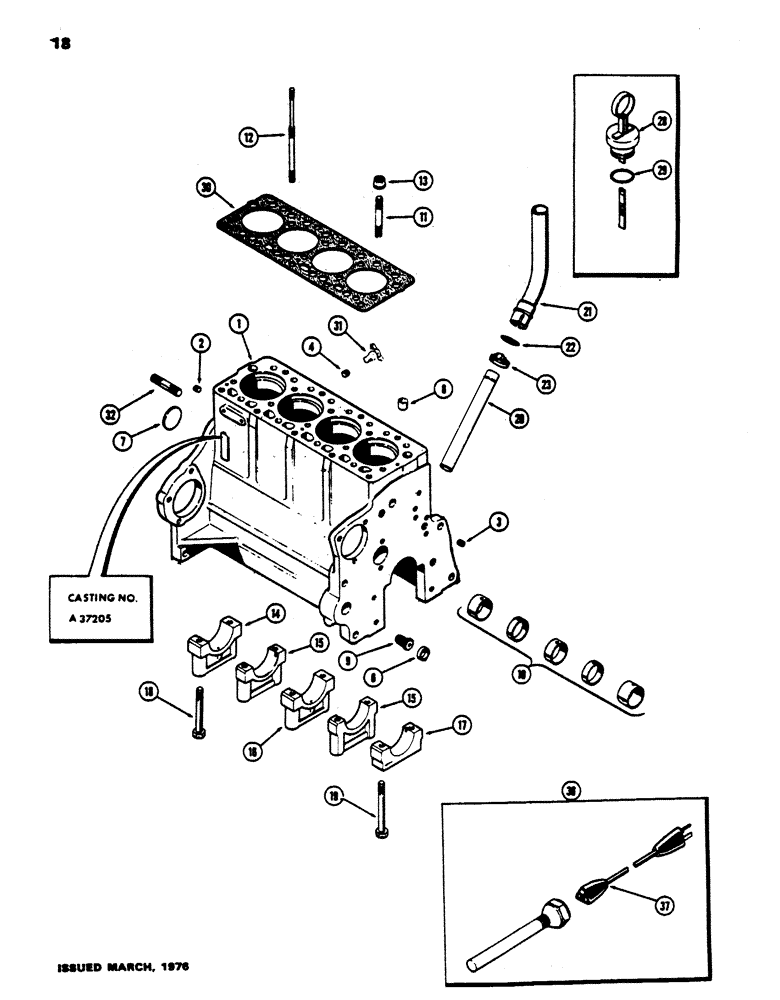
BLOCK ASSY. - short (Order A44703) (See Fig. 12) (incl. crankshaft & brgs., connecting rods & brgs., camshaft, piston assy., oil pump & timing gears), Includes: Ref.#1 - 23

1шт.

1

A41597

SKELETON ENGINE

BLOCK ASSY. - stripped (Casting No. A37205) (Order A44702) (See Fig. 12), Includes: Ref.#2 - 23

1шт.

2

217-433

PLUG,Hex Soc, 1/4" - 18 NPTF

Rear oil gallery Hex Soc, 1/4"-18 NPTF

2шт.

3

G49070

PLUG

- front oil gallery (1/4" P.T. drilled)

1шт.

4

221-1032

DRAIN PLUG,Sq Soc, 3/8"-18 NPTF

PLUG - (3/8" P.T., sckt. hd.)

1шт.

6

41-1016

PLUG,Cup, 1"

- adapter hole, (1" cup type)

1шт.

7

A39241

PLUG,Exp, 2.12" dia

- camshaft hole (2-1/8" expansion)

1шт.

8

G49608

RING

- dowel, head locating

2шт.

9

A153552

ADAPTER

- oil filter

1шт.

10

A42746

CAM

BUSHING SET - camshaft

1шт.

11

A36902

STUD

- cylinder head (1/2" N.C. x 5-5/8")

11шт.

11

A36905

STUD

- cylinder head (1/2" N.C. x 6-1/8")

2шт.

11

A36904

STUD

- cylinder head (1/2" N.C. x 4")

4шт.

12

A36903

STUD

- cylinder head & cover

2шт.

13

A37030

FLANGE NUT

- cylinder head studs (1/2" N.C. flanged)

19шт.

14

A38385

CAP

- main bearing, rear

1шт.

15

G2128

CAP

- main bearing, intermediate

2шт.

16

G2127

CAP

- main bearing, center

1шт.

17

G2126

CAP

- main bearing, front

1шт.

18

113-444

BOLT

- bearing cups, (1/2 x 4-1/2" N.C. hex.)

8шт.

19

113-445

BOLT

- front brg. cap (1/2 x 5-1/8" N.C. hex.)

2шт.

20

A37149

TUBE

- oil filter & dipstick

1шт.

21

A37407

TUBE

EXTENSION - oil filler tube

1шт.

22

A27342

O-RING,1.109" ID x 1.387" OD x 0.139"

"O" RING - extension tube (1-1/8 x 1-3/8 x 1/8")

1шт.

23

214-256

HOSE CLAMP,#20, 0.81" - 1.75", Type F Worm

CLAMP - tube (1-3/16" to 1-3/4")

1шт.

28

A37148

DIPSTICK

ASSY. - oil level, Includes: Ref.#29

1шт.

29

F62075

O-RING,0.139" Thk x 0.734" ID, -210, Cl 5, 75 Duro

"O" RING - dipstick (3/4 x 1 x 1/8")

2шт.

30

A36877

GASKET

- cyl. head to block (takes fire ring, See Fig. 22)

1шт.

31

A23656

COCK, DRAIN

VALVE ASSY. - drain, block water

1шт.

32

A29363

STUD

- engine to housing (5/8" N.C./N.F. x 2-1/4")

2шт.

36

A44815

HEATER

ASSY. - (w/cord) (Replaces A40637), block, Includes: Ref.#37

1шт.

37

A44814

ELECTRIC CABLE

CORD - block heater (12" long) (Replaces A40477)

1шт.

Выбрано товаров: 32