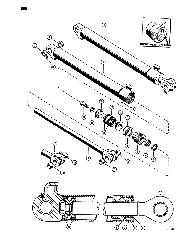
Запчасти Case 450 (350) - G33599, G33602 AND G33603 LOADER LIFT CYLINDERS, GLAND HAS IDENTIFICATION RING (07) - HYDRAULIC SYSTEM

Схема запчастей Case 450 - (350) - G33599, G33602 AND G33603 LOADER LIFT CYLINDERS, GLAND HAS IDENTIFICATION RING (07) - HYDRAULIC SYSTEM
FIT
1:1
100%

Артикул

Название

Примечание

Количество

1

G33603

CYLINDER

- lift, L.H. (3-1/2" dia. 31" stroke)

1шт.

1

G33602

CYLINDER

- lift, R.H. (3-1/2" dia. x 31" stroke) Models without anti-rollback feature

1шт.

1

G33599

CYLINDER

- lift, R.H. (3-1/2" dia. 31" stroke) Models with anti-rollback features, Includes: Ref.#s2 - 20

1шт.

2

D35064

TUBE

ASSY. - cylinder body, right hand

1шт.

2

D35063

TUBE

ASSY. - cylinder body, left hand

1шт.

3

D35071

BUSHING

- tube

2шт.

4

G33191

GLAND

ASSY. - w/bushing (w/identification ring), Includes: Ref.#5 - 8

1шт.

5

D95144

WIPER SEAL,50.77mm ID x 63.52mm OD x 7.92mm Thk

Wiper - piston rod, outer (2 x 2-1/2 x 5/16")

1шт.

Part of seal kit P/N G33638

1шт.

6

D36971

RING

SEAL - piston rod (2 x 2-1/2 x 7/16")

1шт.

Part of seal kit P/N G33638

1шт.

7

G15457

O-RING,0.139" Thk x 3.484" ID, -238, Cl 5, 75 Duro

"O" RING - gland (3-1/2 x 3-3/4 x 1/8")

1шт.

Part of seal kit P/N G33638

1шт.

8

G32126

BACK-UP RING,89.28mm ID x 95.38mm OD x 1.4mm Thk

- gland "O" ring back-up

1шт.

Part of seal kit P/N G33638

1шт.

9

187-1031

SELF-TAP SCREW,Pan, 0.164"-32 x 1/4"

SCREW - gland lock (#8-32 x 1/4" self tapping)

1шт.

10

G33604

ROD

- piston (2" dia.) G33602 and G33603 cylinders, Includes: Ref.#11

1шт.

11

D33047

BUSHING,44.68mm ID x 53.98mm OD x 22.23mm L

- piston rod

2шт.

12

G33600

ROD

PISTON - split (rod end) (w/identification ring), Includes: Ref.#13

1шт.

13

D33047

BUSHING,44.68mm ID x 53.98mm OD x 22.23mm L

- piston rod

2шт.

14

G33167

PISTON

- split (rod end) (w/identification ring)

1шт.

15

D28367

PISTON

- split (bolt end)

1шт.

G33237

PACKING

ASSY. - piston, Includes: Ref.#16 & 17

1шт.

Part of seal kit P/N G33638

1шт.

16

NSS

NOT SOLD SEPARAT

PACKING ASSY. - "V" type

2шт.

17

NSS

NOT SOLD SEPARAT

RING - center bearing

1шт.

18

28-1640

BOLT,Hex, 1" - 14 x 2-1/2", Gr 8

Piston Hex, 1"-14 x 2 1/2", G8, Full Thd

1шт.

19

G32303

WASHER,26.97mm ID x 47.63mm OD x 3.58mm Thk

- piston bolt (1-7/64 x 1-7/8 x 9/64")

1шт.

20

219-1

LUBE NIPPLE,1/8" - 27 NPTF

FITTING - grease (1/8" P.T. str.)

1шт.

G33638

KIT

SEAL KIT - cylinder repair, Includes Refs. 5, 6, 7, 8 and G33237

1шт.

Выбрано товаров: 0