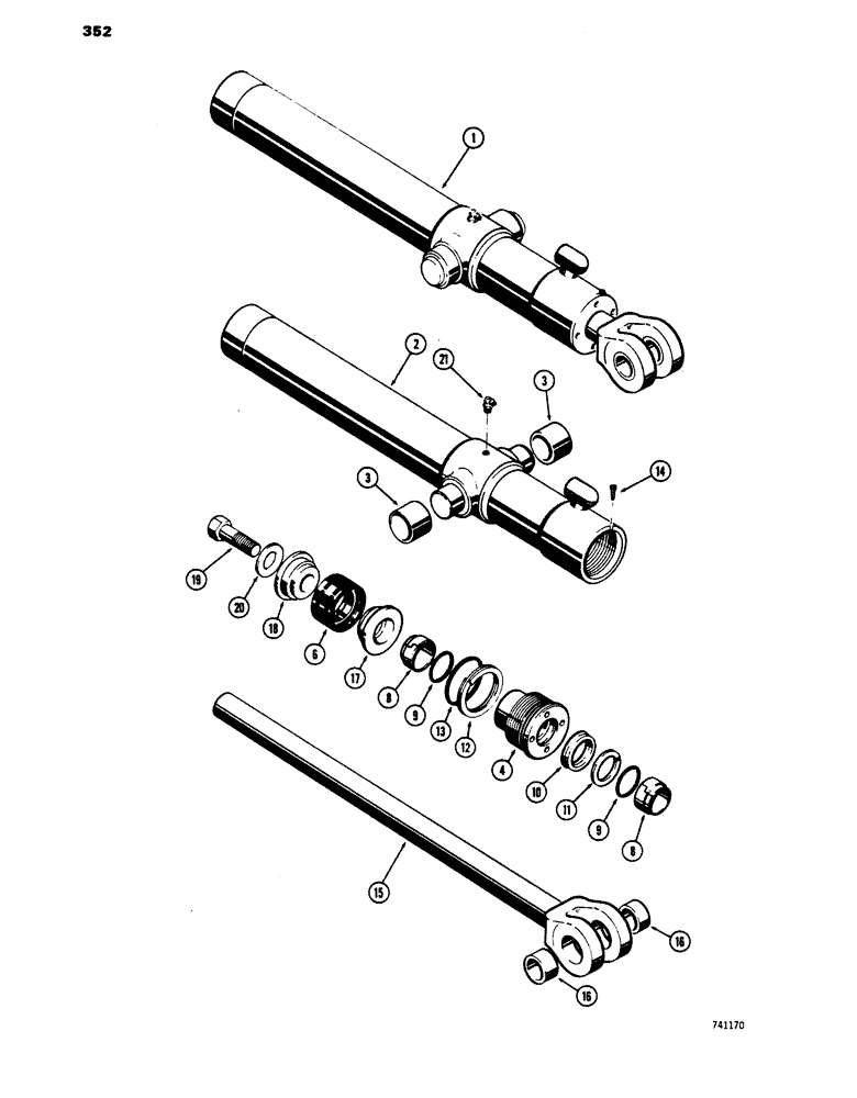
Запчасти Case 450 (352) - D34739 AND D34740 LOADER DUMP CYLINDERS, GLAND HAS SPLIT OUTER ROD WIPER (07) - HYDRAULIC SYSTEM

Схема запчастей Case 450 - (352) - D34739 AND D34740 LOADER DUMP CYLINDERS, GLAND HAS SPLIT OUTER ROD WIPER (07) - HYDRAULIC SYSTEM
FIT
1:1
100%

Артикул

Название

Примечание

Количество

1

D34739

HYDRAULIC CYLINDER

CYLINDER - dump, R.H. (3" dia. x 23-1/2" stroke)

1шт.

1

D34740

HYDRAULIC CYLINDER

CYLINDER - dump, L.H. (3" dia. x 23-1/2" stroke), Includes: Ref.#2 - 21

1шт.

2

D35102

TUBE

ASSY. - cylinder body, right hand

1шт.

2

D35103

TUBE

ASSY. - cylinder body, left hand, Includes: Ref.#3

1шт.

3

D31511

BUSHING

- tube

2шт.

4

D45068

GLAND

- cylinder (Service with G32735 gland assembly - parts list Fig. 354)

1шт.

D42872

GLAND

KIT - packing, Includes: Ref.#6

1шт.

6

G33151

PACKING

ASSY. - piston (Replaces D28374)

1шт.

D42872

GLAND

KIT - gland repair, Includes: Ref.#8 - 14

1шт.

8

D27432

SHIM

- piston rod, inner & outer (split type)

2шт.

9

A14515

O-RING,0.139" Thk x 1.859" ID, -225, Cl 5, 75 Duro

"O" RING - wiper seal (1-7/8 x 2-1/8 x 1/8")

2шт.

10

D36970

CUP

SEAL - piston rod (1-3/4 x 2-1/4 x 7/16")

1шт.

11

D28499

RING

- piston seal back-up

1шт.

12

D28049

RING

- gland "O" ring back-up

1шт.

13

A30095

O-RING,0.139" Thk x 2.984" ID, -234, Cl 5, 75 Duro

"O" RING - gland (3 x 3-1/4 x 1/8")

1шт.

14

187-1031

SELF-TAP SCREW,Pan, 0.164"-32 x 1/4"

SCREW - gland lock (#8-32 x 1/4" self tapping)

1шт.

15

D35098

PISTON

ROD ASSY. - piston (1-3/4" dia.)(w/o identification ring), Includes: Ref.#16

1шт.

16

D32865

BUSHING,38.33mm ID x 47.63mm OD x 22.35mm L

- piston rod

2шт.

17

D28897

PISTON

- split (rod end)(w/o identification ring)

1шт.

18

D28896

PISTON

- split (bolt end)

1шт.

19

28-1640

BOLT,Hex, 1" - 14 x 2-1/2", Gr 8

Piston, retaining (Replaces 12-1640) Hex, 1"-14 x 2 1/2", G8, Full Thd

1шт.

20

G32303

WASHER,26.97mm ID x 47.63mm OD x 3.58mm Thk

- piston bolt (1-7/64 x 1-7/8 x 9/64")

1шт.

21

219-36

LUBE NIPPLE,45 Degree Elbow, 1/8" - 27 NPTF

FITTING - grease (1/8" P.T., 45 degree)

1шт.

Выбрано товаров: 0