Запчасти Case 450 (354) - G32137 AND G32140 LOADER DUMP CYLINDERS, GLAND HAS SOLID OUTER ROD WIPER - NO IDENTIFICATION RING (07) - HYDRAULIC SYSTEM

Схема запчастей Case 450 - (354) - G32137 AND G32140 LOADER DUMP CYLINDERS, GLAND HAS SOLID OUTER ROD WIPER - NO IDENTIFICATION RING (07) - HYDRAULIC SYSTEM
FIT
1:1
100%

Артикул

Название

Примечание

Количество

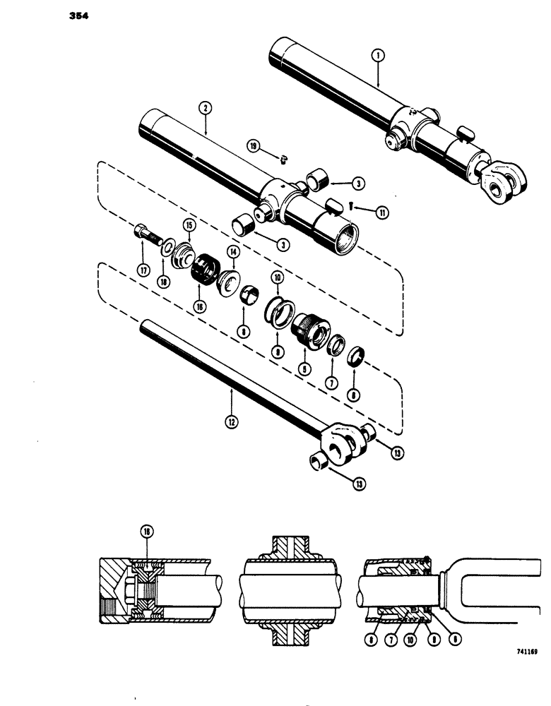
1

G32137

CYLINDER

- dump, L.H. (3" dia. x 23-1/2" stroke)

1шт.

1

G32140

CYLINDER

- dump, R.H. (3" dia. x 23-1/2" stroke), Includes: Ref.#2 - 19

1шт.

2

D35103

TUBE

ASSY. - cylinder body, left hand

1шт.

2

D35102

TUBE

ASSY. - cylinder body, right hand, Includes: Ref.#3

1шт.

3

D31511

BUSHING

- tube trunnion

2шт.

NLS

NO LONGER SERVICED

ASSY. - (w/o identification ring), Includes: Ref.#5 - 10

1шт.

5

NSS

NOT SOLD SEPARAT

GLAND

1шт.

6

D95143

WIPER SEAL,44.42mm ID x 57.17mm OD x 7.92mm Thk

WIPER - piston rod, outer (1-3/4 x 2-1/4 x 5/16")

1шт.

Part of seal kit P/N G32289

1шт.

7

D36970

CUP

SEAL - piston rod (1-3/4 x 2-1/4 x 7/16")

1шт.

Part of seal kit P/N G32289

1шт.

8

D27432

SHIM

- piston rod, inner (split type)

1шт.

Part of seal kit P/N G32289

1шт.

9

G32122

BACK-UP RING,75.82mm ID x 81.92mm OD x 1.4mm Thk

- gland "O"ring back-up

1шт.

Part of seal kit P/N G32289

1шт.

10

A30095

O-RING,0.139" Thk x 2.984" ID, -234, Cl 5, 75 Duro

"O" RING - gland (3 x 3-1/4 x 1/8")

1шт.

Part of seal kit P/N G32289

1шт.

11

187-1031

SELF-TAP SCREW,Pan, 0.164"-32 x 1/4"

SCREW - gland lock (#8-32 x 1/4 self tapping)

1шт.

12

D35098

PISTON

ROD ASSY. - piston (1-3/4" dia.)(w/o identification ring), Includes: Ref.#13

1шт.

13

D32865

BUSHING,38.33mm ID x 47.63mm OD x 22.35mm L

- piston rod

2шт.

14

D28897

PISTON

- split (rod end)(w/o identification ring)

1шт.

15

D28896

PISTON

- split (bolt end)

1шт.

16

G33151

PACKING

ASSY. - piston ("V" type)

1шт.

Par of seal kit P/N G32289

1шт.

17

28-1640

BOLT,Hex, 1" - 14 x 2-1/2", Gr 8

Piston, retaining Hex, 1"-14 x 2 1/2", G8, Full Thd

1шт.

18

G32303

WASHER,26.97mm ID x 47.63mm OD x 3.58mm Thk

- piston bolt (1-7/64 x 1-7/8 x 9/64")

1шт.

19

219-36

LUBE NIPPLE,45 Degree Elbow, 1/8" - 27 NPTF

FITTING - grease (1/8" P.T., 45 degree)

1шт.

G32289

SEAL

KIT - cylinder repair, Includes Refs. 6, 7, 8, 9, 10 and 16

1шт.

Выбрано товаров: 0