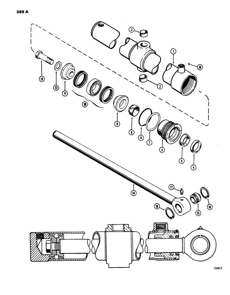
Запчасти Case 450 (369A) - G33359 LIFT CYLINDER - ANGLE DOZER, GLAND IS STAMPED WITH CYLINDER PART NUMBER (07) - HYDRAULIC SYSTEM

Схема запчастей Case 450 - (369A) - G33359 LIFT CYLINDER - ANGLE DOZER, GLAND IS STAMPED WITH CYLINDER PART NUMBER (07) - HYDRAULIC SYSTEM
FIT
1:1
100%

Артикул

Название

Примечание

Количество

G33359

CYLINDER

- lift, 2-1/2" dia. x 30-3/8" stroke, Includes: Ref.#1 - 18

2шт.

1

D35093

TUBE

- cylinder, Includes: Ref.#2

1шт.

2

30634

BUSHING,32.05mm ID x 38.18mm OD x 17.6mm L

- trunnion

2шт.

3

G33578

GLAND

ASSEMBLY, Includes: Ref.#3 - 8

1шт.

3

NSS

NOT SOLD SEPARAT

GLAND AND BEARING

1шт.

4

D95141

WIPER SEAL

WIPER - rod, outer

1шт.

Part of seal kit P/N G32295

1шт.

5

D36968

SEAL,31.72mm ID x 44.58mm OD x 10.69mm Thk

- rod

1шт.

Part of seal kit P/N G32295

1шт.

Part of seal kit P/N G100775

1шт.

6

D27705

WIPER

- rod, inner

1шт.

7

G32129

BACK-UP RING,63.25mm ID x 69.35mm OD x 1.4mm Thk

- backup

1шт.

Part of seal kit P/N G32295

1шт.

8

A28318

O-RING,0.139" Thk x 2.484" ID, -230, Cl 5, 75 Duro

SEAL - "O"ring

1шт.

Part of seal kit P/N G32295

1шт.

9

G33347

PISTON ASSY.

PISTON - split, rod end

1шт.

10

G33193

PACKING

ASSEMBLY - piston

1шт.

Part of seal kit P/N G32295

1шт.

11

D28364

PISTON

- split, bolt end

1шт.

12

G32317

WASHER,33.34mm ID x 63.5mm OD x 2.38mm Thk

- hardened

1шт.

13

28-1240

BOLT,Hex, 3/4" - 16 x 2-1/2", Gr 8

HHCS - 3/4" - 16 NF x 2-1/2"

1шт.

14

G33360

ROD

- piston, 1-1/4" dia., Includes: Ref.#15 & 16

1шт.

15

D22200

BEARING,25.4mm ID x 36.5mm OD x 22.23mm L

BUSHING - self aligning

1шт.

16

D27833

SNAP RING,1.625", Int, #162

RING, Snap, 1.625", Int, #162

1шт.

17

219-1

LUBE NIPPLE,1/8" - 27 NPTF

FITTING - grease, straight (1/8" NPT)

1шт.

18

187-1031

SELF-TAP SCREW,Pan, 0.164"-32 x 1/4"

SCREW - self tapping, #8 - 32 NC x 1/4"

1шт.

G32295

GASKET KIT

KIT - seal, Includes Refs. 4, 5, 7, 8 and 10

1шт.

G100775

SEAL

- rod (Service option - extreme heat or cold)

1шт.

Выбрано товаров: 0