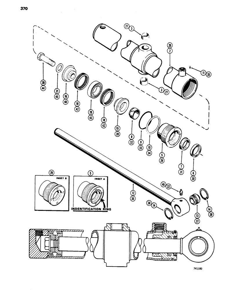
Запчасти Case 450 (370) - G33346 LIFT CYLINDER - ANGLE TILT DOZER, GLAND HAS ID RING (07) - HYDRAULIC SYSTEM

Схема запчастей Case 450 - (370) - G33346 LIFT CYLINDER - ANGLE TILT DOZER, GLAND HAS ID RING (07) - HYDRAULIC SYSTEM
FIT
1:1
100%

Артикул

Название

Примечание

Количество

1

G33346

CYLINDER BLOCK

CYLINDER - lift, 2-1/2" dia. x 27-3/8" stroke (Not shown), Includes: Ref.#2 - 22

2шт.

2

D36215

TUBE

ASSY. - cylinder body, Includes: Ref.#3

1шт.

3

30634

BUSHING,32.05mm ID x 38.18mm OD x 17.6mm L

- tube

2шт.

4

G33578

GLAND

ASSEMBLY - cylinder (Not shown), Includes: Ref.#5 - 10

1шт.

5

NSS

NOT SOLD SEPARAT

GLAND - (w/identification ring) (See Inset A)

1шт.

6

D95141

WIPER SEAL

WIPER - piston rod, outer (1-1/4 x 1-3/4 x 5/16")

1шт.

Part of seal kit P/N G32295

1шт.

7

D36968

SEAL,31.72mm ID x 44.58mm OD x 10.69mm Thk

- piston rod (1-1/4 x 1-3/4 x 7/16")

1шт.

Part of seal kit P/N G32295

1шт.

8

D27705

WIPER

- piston rod, inner (split type)

1шт.

9

A28318

O-RING,0.139" Thk x 2.484" ID, -230, Cl 5, 75 Duro

"O" RING - gland (2-1/2 x 2-3/4 x 1/8")

1шт.

Part of seal kit P/N G32295

1шт.

10

G32129

BACK-UP RING,63.25mm ID x 69.35mm OD x 1.4mm Thk

- gland "O" ring back-up

1шт.

Part of seal kit P/N G32295

1шт.

11

187-1031

SELF-TAP SCREW,Pan, 0.164"-32 x 1/4"

SCREW - gland lock (#8-32 x 1/4" self tapping)

1шт.

12

G33348

ROD

ASSY. - piston (1-1/4" dia.)(w/identification ring), Includes: Ref.#13 & 14

1шт.

13

D22200

BEARING,25.4mm ID x 36.5mm OD x 22.23mm L

BUSHING - piston rod (self aligning)

1шт.

14

D27833

SNAP RING,1.625", Int, #162

RING, Snap, , bushing 1.625", Int, #162

2шт.

15

G33347

PISTON ASSY.

PISTON - split (rod end) (w/identification ring)

1шт.

16

D28364

PISTON

- split (bolt end)

1шт.

17

G33193

PACKING

ASSEMBLY - piston (Not shown), Includes: Ref.#18 & 19

1шт.

Part of seal kit P/N G32295

1шт.

18

NSS

NOT SOLD SEPARAT

PACKING ASSY. - ("V" type)

2шт.

19

NSS

NOT SOLD SEPARAT

RING - center bearing

1шт.

20

28-1240

BOLT,Hex, 3/4" - 16 x 2-1/2", Gr 8

- piston (3/4 x 2-1/2" N.F. hex)

1шт.

21

G32317

WASHER,33.34mm ID x 63.5mm OD x 2.38mm Thk

- piston bolt (7/8 x 1-3/8 x 9/64")

1шт.

22

219-1

LUBE NIPPLE,1/8" - 27 NPTF

FITTING - grease (1/8" P.T. str.)

1шт.

G32295

GASKET KIT

SEAL KIT - cylinder repair, Includes Refs. 6, 7, 8, 9, 10, 17, 30, 31, 32, 33, 34 and 41

1шт.

25

G32172

CYLINDER - lift 2-1/2" dia. x 27-3/8" stroke (Not shown), G32172 lift cylinder-angle tilt dozer gland has solid outer rod wiper - no id ring, Includes: Ref.#26 - 46

2шт.

26

D36215

TUBE

ASSY. - cylinder body, G32172 lift cylinder-angle tilt dozer gland has solid outer rod wiper - no id ring, Includes: Ref.#27

1шт.

27

30634

BUSHING,32.05mm ID x 38.18mm OD x 17.6mm L

- tube, G32172 lift cylinder-angle tilt dozer gland has solid outer rod wiper - no id ring

2шт.

28

G32732

GLAND

ASSEMBLY - (Not shown), G32172 lift cylinder-angle tilt dozer gland has solid outer rod wiper - no id ring, Includes: Ref.#29 - 34

1шт.

29

NSS

NOT SOLD SEPARAT

GLAND - (w/o identification ring)(See Inset B), G32172 lift cylinder-angle tilt dozer gland has solid outer rod wiper

1шт.

30

D95141

WIPER SEAL

WIPER - piston rod, outer (1-1/4 x 1-3/4 x 5/16"), G32172 lift cylinder-angle tilt dozer gland has solid outer wiper - no id ring

1шт.

Part of seal kit P/N G32295

1шт.

31

D36968

SEAL,31.72mm ID x 44.58mm OD x 10.69mm Thk

- piston rod (1-1/4 x 1-3/4 x 5/16"), G32172 lift cylinder-angle tilt dozer gland has solid outer wiper - no id ring

1шт.

Part of seal kit P/N G32295

1шт.

32

D27705

WIPER

- piston rod, inner (split type), G32172 lift cylinder-angle tilt dozer gland has solid outer wiper - no id ring

1шт.

33

A28318

O-RING,0.139" Thk x 2.484" ID, -230, Cl 5, 75 Duro

"O" RING - gland (2-1/2 x 2-3/4 x 1/8"), G32172 lift cylinder-angle tilt dozer has solid outer rod wiper - no id ring

1шт.

Part of seal kit P/N G32295

1шт.

34

G32129

BACK-UP RING,63.25mm ID x 69.35mm OD x 1.4mm Thk

- gland "O" ring back-up, G32172 lift cylinder-angle tilt dozer has solid outer rod wiper - no id

1шт.

Part of seal kit P/N G32295

1шт.

35

187-1031

SELF-TAP SCREW,Pan, 0.164"-32 x 1/4"

SCREW - gland lock (#8-32 x 1/4" self tapping), G32172 lift cylinder-angle tilt dozer has solid outer rod wiper - no id ring

1шт.

36

D36214

PISTON ROD

ROD ASSY. - piston (1-1/4" dia.)(w/o identification ring), G32172 lift cylinder-angle tilt dozer gland has solid outer wiper - no id ring, Includes: Ref.#37 & 38

1шт.

37

D22200

BEARING,25.4mm ID x 36.5mm OD x 22.23mm L

BUSHING - piston rod (self aligning), G32172 lift cylinder-angle tilt dozer gland has solid outer wiper - no id ring

1шт.

38

D27833

SNAP RING,1.625", Int, #162

Ring, Snap, , bushing, G32172 lift cylinder-angle tilt dozer gland has solid outer rod wiper - no id 1.625", Int, #162

2шт.

39

NLS

NO LONGER SERVICED

PISTON - split (rod end)(w/o identification ring), G32172 lift cylinder-angle tilt dozer gland has solid outer rod wiper

1шт.

40

D28364

PISTON

- split (bolt end), G32172 lift cylinder-angle tilt dozer gland has solid outer rod wiper - no id ring

1шт.

41

G33193

PACKING

ASSEMBLY - piston (Not shown), G32172 lift cylinder-angle tilt dozer gland has solid outer rod wiper - no id ring, Includes: Ref.#42 & 43

1шт.

Part of seal kit P/N G32295

1шт.

42

NSS

NOT SOLD SEPARAT

PACKING ASSY. - ("V" type), G32172 lift cylinder-angle tilt dozer gland has solid outer rod wiper - no id ring

2шт.

43

NSS

NOT SOLD SEPARAT

RING - center bearing, G32172 lift cylinder-angle tilt dozer gland has solid outer rod wiper - no id ring

1шт.

44

28-1240

BOLT,Hex, 3/4" - 16 x 2-1/2", Gr 8

- piston bearing (3/4 x 2-1/2" N.F. hex.), G32172 lift cylinder-angle tilt dozer gland has solid outer rod wiper - no id ring

1шт.

45

G32317

WASHER,33.34mm ID x 63.5mm OD x 2.38mm Thk

- piston bolt (7/8 x 1-3/8 x 9/64"), G32172 lift cylinder-angle tilt dozer gland has solid outer rod wiper - no id ring

1шт.

46

219-1

LUBE NIPPLE,1/8" - 27 NPTF

FITTING - grease (1/8" P.T. str.), G32172 lift cylinder-angle tilt dozer gland has solid outer rod wiper - no id ring

1шт.

G32295

GASKET KIT

SEAL KIT - repair, Includes Refs. 6, 7, 9, 10, 17, 30, 31, 33, 34 and 41, G32172 lift cylinder-angle tilt dozer gland has solid outer rod wiper - no id ring

1шт.

Выбрано товаров: 0