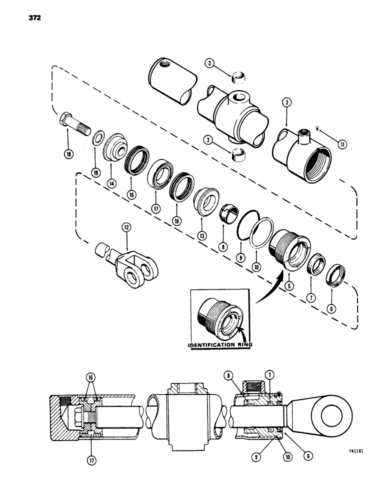
Запчасти Case 450 (372) - G34344 LIFT CYLINDER - ANGLE TILT DOZER, GLAND HAS IDENTIFICATION RING (07) - HYDRAULIC SYSTEM

Схема запчастей Case 450 - (372) - G34344 LIFT CYLINDER - ANGLE TILT DOZER, GLAND HAS IDENTIFICATION RING (07) - HYDRAULIC SYSTEM
FIT
1:1
100%

Артикул

Название

Примечание

Количество

1

G34344

CYLINDER

- lift, 2-1/2" dia. x 28" stroke (Not shown), Includes: Ref.#2 - 19

2шт.

2

G34346

CYLINDER ASSY.,2.5" ID x 35" L

TUBE ASSY. - cylinder body, Includes: Ref.#3

1шт.

3

30634

BUSHING,32.05mm ID x 38.18mm OD x 17.6mm L

- tube

2шт.

5

G33578

GLAND

ASSY. - Includes: Ref.#5 - 10

1шт.

5

NSS

NOT SOLD SEPARAT

GLAND - (w/identification ring)

1шт.

6

D95141

WIPER SEAL

WIPER - piston rod, inner (split type)

1шт.

Part of seal kit P/N G32295

1шт.

7

D36968

SEAL,31.72mm ID x 44.58mm OD x 10.69mm Thk

- piston rod (1-1/4 x 1-3/4 x 5/16")

1шт.

Part of seal kit P/N G32295

1шт.

8

D27705

WIPER

- piston rod, inner (split type)

1шт.

9

A28318

O-RING,0.139" Thk x 2.484" ID, -230, Cl 5, 75 Duro

"O" RING - gland 92-1/2 x 2-3/4 x 7/16")

1шт.

Part of seal kit P/N G32295

1шт.

10

G32129

BACK-UP RING,63.25mm ID x 69.35mm OD x 1.4mm Thk

- gland "O" ring back-up

1шт.

Part of seal kit P/N G32295

1шт.

11

187-1031

SELF-TAP SCREW,Pan, 0.164"-32 x 1/4"

SCREW - gland loci (#8-32 x 1/4" self tapping)

1шт.

12

G34348

ROD

ASSY. - piston (1-1/4" dia.) (w/identification ring)

1шт.

13

G33347

PISTON ASSY.

PISTON - split (rod end) (w/identification ring)

1шт.

14

D28364

PISTON

- split (bolt end)

1шт.

16

G33193

PACKING

ASSY. - piston, Includes: Ref.#16 & 17

1шт.

Part of seal kit P/N G32295

1шт.

16

NSS

NOT SOLD SEPARAT

PACKING ASSY. - ("V" type)

2шт.

17

NSS

NOT SOLD SEPARAT

RING - center bearing

1шт.

18

28-1240

BOLT,Hex, 3/4" - 16 x 2-1/2", Gr 8

- piston (3/4 x 2-1/2" N.F. hex.)

1шт.

19

G32317

WASHER,33.34mm ID x 63.5mm OD x 2.38mm Thk

- piston bolt (7/8 x 1-3/8 x 9/64")

1шт.

G32295

GASKET KIT

SEAL KIT - cylinder repair, Includes Refs. 6, 7, 9, 10 and G33193

1шт.

Выбрано товаров: 0