Запчасти Case 450 (072) - MUFFLER AND OIL BATH TYPE AIR CLEANER, VERTICAL STYLE MUFFLER (01) - ENGINE

Схема запчастей Case 450 - (072) - MUFFLER AND OIL BATH TYPE AIR CLEANER, VERTICAL STYLE MUFFLER (01) - ENGINE
FIT
1:1
100%

Артикул

Название

Примечание

Количество

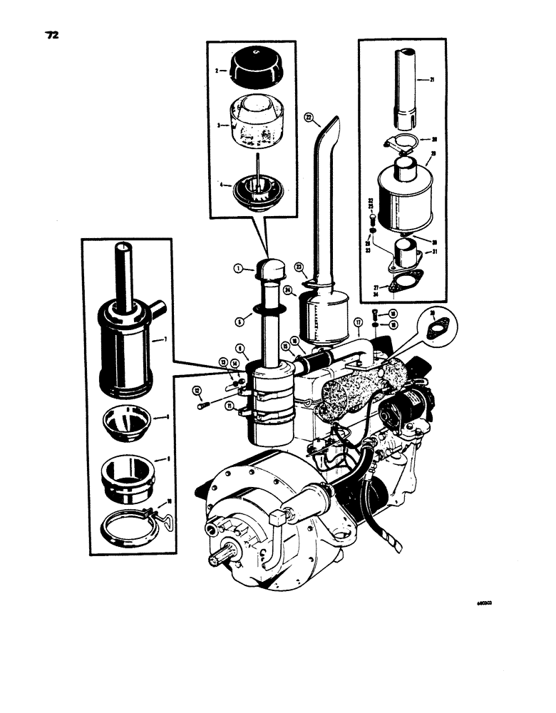
1

A21430

CAP

- inlet, air cleaner (Standard)

1шт.

A24439

CLEANER

PRE-CLEANER - inlet, air cleaner (Optional), Includes: Ref.#2 - 4

1шт.

2

73187

COVER

- pre-cleaner

1шт.

3

NLS

NO LONGER SERVICED

BODY - pre-cleaner

1шт.

4

NSS

NOT SOLD SEPARAT

SLEEVE - pre-cleaner

1шт.

5

R14780

GROMMET

- air cleaner stack

1шт.

6

G45473

AIR CLEANER - complete, Includes: Ref.#7 - 10

1шт.

7

NSS

NOT SOLD SEPARAT

BODY - air cleaner

1шт.

8

R15280

CUP

- oil, inner

1шт.

9

R15279

CUP ASSY.

CUP - oil, outer

1шт.

10

A8297

CLAMP

- air cleaner

1шт.

11

D35074

BAND

- air cleaner mounting

2шт.

12

13-512

BOLT,Hex, 5/16" - 18 x 3/4", Gr 5

4шт.

13

92-5

LOCK WASHER,5/16"

WASHER - lock, 5/16"

4шт.

14

9635082

NUT,5/16" - 18, Gr 5

- hex. (5/16" - 18 NC)

4шт.

15

214-260

HOSE CLAMP,#36, 1.81" - 2.75", Type F Worm

2шт.

16

A31130

HOSE,1.50" ID x 5.75", SAE 20R2 OR SAE 20R4

RADIATOR HOSE, , Air Cleaner to Manifold 1.50" ID x 5.75", SAE 20R2 OR SAE 20R4

1шт.

17

D35077

TUBE

ELBOW - air, Serial Range: cleaner-manifold

1шт.

18

13-616

BOLT,Hex, 3/8" - 16 x 1", Gr 5, Full Thd

2шт.

19

92-6

LOCK WASHER,3/8"

WASHER - lock, 3/8"

2шт.

20

D22670

GASKET

- air cleaner, Serial Range: elbow-manifold

1шт.

21

D33535

PIPE

- exhaust, ceramic coated (Used with D29307 muffler only)

1шт.

22

D33503

PIPE

- exhaust, ceramic coated (Used with D35106 muffler only)

1шт.

23

A13240

CLAMP,2-5/8" ID

- exhaust, Serial Range: pipe-muffler

1шт.

24

D35106

MUFFLER

- exhaust, standard

1шт.

25

13-616

BOLT,Hex, 3/8" - 16 x 1", Gr 5, Full Thd

2шт.

26

92-6

LOCK WASHER,3/8"

WASHER - lock, 3/8"

2шт.

27

G46853

MANIFOLD GASKET

- exhaust outlet

1шт.

28

A27115

CLAMP

- exhaust, Serial Range: pipe-muffler

1шт.

29

D29307

X

MUFFLER - exhaust, spark arresting (Optional) For service use D45256 muffler

1шт.

29

D45256

MUFFLER,W/ Spark Arrester

- exhaust, spark arresting (Optional)

1шт.

30

A13240

CLAMP,2-5/8" ID

-, Serial Range: muffler-outlet

1шт.

31

D29308

OUTLET

- exhaust

1шт.

32

13-616

BOLT,Hex, 3/8" - 16 x 1", Gr 5, Full Thd

2шт.

33

92-6

LOCK WASHER,3/8"

WASHER - lock, 3/8"

2шт.

Выбрано товаров: 35