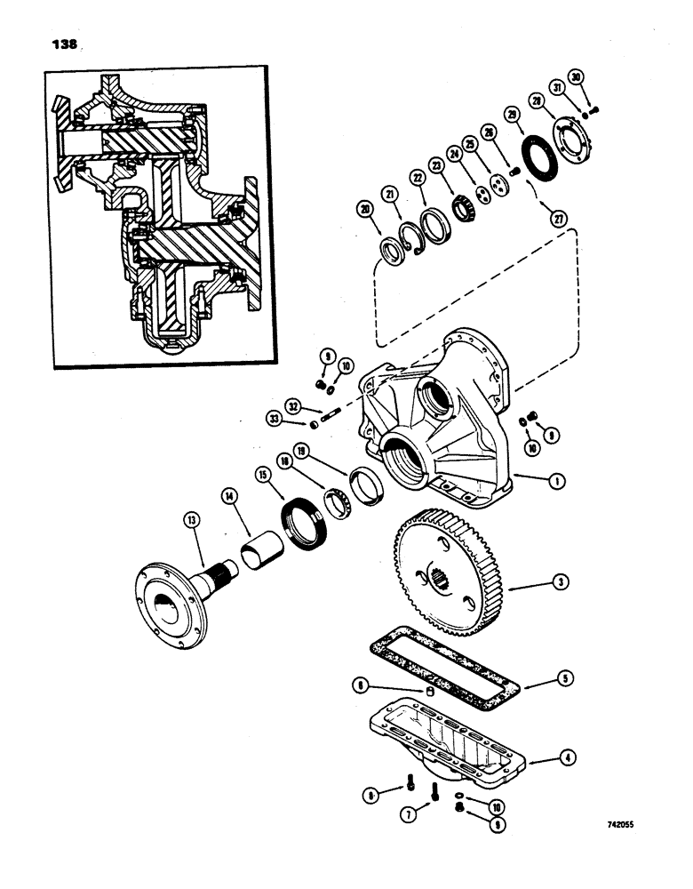
Запчасти Case 450 (138) - TRANSMISSION FINAL DRIVE & HOUSING, 50" AND 52" GAUGE MODELS, USED LOADER TRANS. SN 2682386 & AFTER (03) - TRANSMISSION

Схема запчастей Case 450 - (138) - TRANSMISSION FINAL DRIVE & HOUSING, 50" AND 52" GAUGE MODELS, USED LOADER TRANS. SN 2682386 & AFTER (03) - TRANSMISSION
FIT
1:1
100%

Артикул

Название

Примечание

Количество

A50560

DRIVE

ASSY. - final, right hand (Loader), Includes: Ref.#1 - 31

1шт.

A50558

NO LONGER SERVICED

DRIVE ASSY. - final, right hand (Dozer), Includes: Ref.#1 - 31

1шт.

A50561

DRIVE

ASSY. - final, left hand (Loader), Includes: Ref.#1 - 31

1шт.

A50559

DRIVE ASSY.

- final, left hand (Dozer), Includes: Ref.#1 - 31

1шт.

1

A50564

HOUSING

- right hand (Loader )

1шт.

1

A50563

HOUSING

- left hand (Dozer)

1шт.

1

A50565

HOUSING

- left hand (Loader)

1шт.

1

A50562

HOUSING - right hand (Dozer)

1шт.

3

A50214

GEAR

- bull, final drive

1шт.

4

A50405

COVER

- drop, final drive

1шт.

5

A50218

GASKET

- drop cover

1шт.

6

A50011

SLEEVE

- dowel, drop cover locating

2шт.

7

166-88

12 PT SCREW,Flg, 1/2" - 13 x 1 3/4", Gr 8

SCREW - cover to housing (1/2 x 1-3/4" N.C. Ferry hd.,12 pt.)

2шт.

8

166-86

12 PT SCREW,Flg, 1/2" - 13 x 1 1/4", Gr 8

SCREW - cover to housing (1/2 x 1-1/4" N.C. Ferry hd.,12 pt.)

10шт.

9

A50014

PLUG

- housing, drain & fill

3шт.

10

A58608

GASKET

- fill & drain plugs

3шт.

13

A51737

SHAFT

- output (Replaces A50568)

1шт.

14

A50566

SPACER

SLEEVE - output shaft

1шт.

15

A50567

SEAL

KIT - oil, final drive shaft

1шт.

18

A50100

ROLLER BEARING,82.55mm ID x 25.4mm W

CONE - bearing, outer (3-1/4" I.D.)

1шт.

19

A27146

BEARING, CUP,125.41mm OD x 19.84mm W

CUP - bearing, outer (4-15/16" O.D.)

1шт.

20

A50215

RING

SPACER - output shaft

1шт.

21

A30504

RING

- snap (Replaces A50546)

1шт.

22

A50179

BEARING CUP

CUP - bearing inner, (3-13/16" O.D.)

1шт.

23

G10414

ROLLER BEARING

CONE - bearing, inner (2-17/62" I.D.)

1шт.

24

A50216

SHIM

- bearing (.005")

1шт.

24

A50224

SHIM,.007" Thk

Bearing .007" Thk

1шт.

25

A50588

PLATE

- retainer (Replaces A50217)

1шт.

26

A31107

BOLT

- plate to shaft (1/2 x 1-1/4" N.C. hex.)

3шт.

27

R10831

ELECTRICAL WIRE

WIRE - lock

1шт.

28

A50140

COVER

- output shaft

1шт.

29

A50139

GASKET

- cover

1шт.

30

13-620

BOLT,Hex, 3/8" - 16 x 1-1/4", Gr 5, Full Thd

5шт.

31

92-6

LOCK WASHER,3/8"

WASHER - lock, 3/8"

5шт.

32

A50021

STUD

- drive housing to transmission case (1/2" - 13 NC x 3")

30шт.

33

230-4618

LOCK NUT,1/2"-20, GA

NUT - hex., lock (1/2" - 13 NC)

30шт.

Выбрано товаров: 36