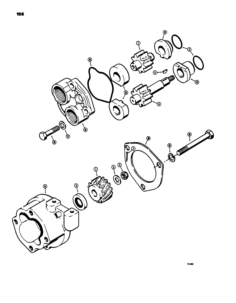
Запчасти Case 450 (156) - TORQUE CONVERTER PUMP AND MOUNTING (03) - TRANSMISSION

Схема запчастей Case 450 - (156) - TORQUE CONVERTER PUMP AND MOUNTING (03) - TRANSMISSION
FIT
1:1
100%

Артикул

Название

Примечание

Количество

D35016

PUMP

- torque converter, complete, Includes: Ref.#1 - 17

1шт.

1

A25594

GEAR

- pinion

1шт.

2

F18390

NUT

- special

1шт.

3

132-5

COTTER PIN,1/16" x 1/2"

Pin, Split (Cotter), 1/16" x 1/2"

1шт.

4

195-25

WASHER,3/8"

- plain

1шт.

5

126-109

WOODRUFF KEY,#3, 1/8" x 1/2", HT

1шт.

D37157

GEAR

SET - gear, drive and driven, Includes: Ref.#6 & 7

1шт.

6

NSS

NOT SOLD SEPARAT

GEAR - drive

1шт.

7

NSS

NOT SOLD SEPARAT

GEAR - driven

1шт.

D37172

SEAL

KIT - seal repair, Includes: Ref.#8 & 10

1шт.

8

G13827

OIL SEAL

SEAL - shaft

1шт.

9

A35958

O-RING,0.103" Thk x 1.049" ID, -121, Cl 5, 75 Duro

SEAL - "O"ring, bearing

2шт.

10

D37173

O-RING

SEAL - "O"ring, body

1шт.

11

D37174

BUSHING

BEARING - drive gear front

1шт.

12

A35955

BEARING

- idler gear front

1шт.

13

D37175

BALL BEARING,0.75" ID x 1.5385" OD x 0.532"

BEARING - rear

2шт.

14

D37046

HOUSING

BODY - pump

1шт.

15

D37047

COVER

- pump

1шт.

16

13-624

BOLT,Hex, 3/8" - 16 x 1-1/2", Gr 5

HHCS - 3/8" - 16 NC x 1-1/2"

4шт.

17

195-2028

WASHER,.391" x 5/8" x .065"

- flat (3/8")

4шт.

18

13-652

BOLT,Hex, 3/8" - 16 x 3-1/4", Gr 5

HHCS - 3/8" - 16 NC x 3-1/4"

3шт.

19

92-6

LOCK WASHER,3/8"

WASHER - med. sect. lock, 3/8"

3шт.

20

A30042

GASKET

-, Serial Range: pump-engine

1шт.

Выбрано товаров: 23