Запчасти Case 450 (208) - TRACK CHAINS, TRACTOR SN 3050801 AND AFTER (04) - UNDERCARRIAGE

Схема запчастей Case 450 - (208) - TRACK CHAINS, TRACTOR SN 3050801 AND AFTER (04) - UNDERCARRIAGE
FIT
1:1
100%

Артикул

Название

Примечание

Количество

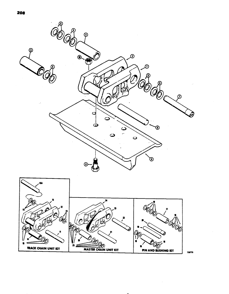
R24571

CHAIN (AG)

CHAIN ASSEMBLY - 36 unit, Includes: Ref.#1 - 7

2шт.

1

R24573

LINK

- track chain (R.H.)

36шт.

2

R24572

LINK

- track chain (L.H.)

36шт.

3

R24576

BUSHING

- track, standard

35шт.

4

R24577

BUSHING

- track, master

1шт.

5

R24694

WASHER

- seal

148шт.

6

R24575

PIN

- track standard

35шт.

7

R24574

PIN

- track, master

1шт.

8

REF

INSTRUCTION

SHOE - track (See Fig. 214 - 215A for options)

72шт.

9

R24688

FLANGE BOLT

BOLT - special 1/2-20 NF-3a---1.56in length

288шт.

10

R24578

NUT

- special

288шт.

R24742

KIT

- track chain unit, Includes: Ref.#11 - 15A

70шт.

11

R24575

PIN

- track, standard, track chain unit kit

1шт.

12

R24573

LINK

- track chain (R.H.), unit kit

1шт.

13

R24572

LINK

- track chain (L.H.), unit kit

1шт.

14

R24576

BUSHING

- track, standard, chain unit kit

1шт.

15

R24694

WASHER

- seal, track chain unit kit

8шт.

15a

R24616

PIN,31.83mm OD x 166.12mm L

- track, standard (.003" oversize), chain unit kit

1шт.

R24743

KIT

- pin and bushing, Includes: Ref.#16 - 20

1шт.

16

R24576

BUSHING

- track (D48011 chain only), used on backhoe models & all w/ trac. s/n 3039110 & aft

70шт.

17

R24577

BUSHING

- track, master, pin and bushing kit

2шт.

18

R24694

WASHER

- seal, pin and bushing kit

296шт.

19

R24616

PIN,31.83mm OD x 166.12mm L

- track, .003" oversize, pin and bushing kit

70шт.

20

R24617

PIN

- track, master (.003" oversize), pin and bushing kit

2шт.

R24741

DRAG LINK

KIT - master chain unit, Includes: Ref.#21 - 26

2шт.

21

R24575

PIN

- track, standard, master chain unit

1шт.

22

R24574

PIN

- track, master, chain unit

1шт.

23

R24573

LINK

- track chain (R.H.), master unit

1шт.

24

R24572

LINK

- track chain (L.H.), master unit

1шт.

25

R24694

WASHER

- seal, master chain unit

8шт.

26

R24577

BUSHING

- master, chain unit

1шт.

Выбрано товаров: 31