Запчасти Case 450 (168) - DUAL PULL BEHIND HYDRAULIC CIRCUIT (07) - HYDRAULIC SYSTEM

Схема запчастей Case 450 - (168) - DUAL PULL BEHIND HYDRAULIC CIRCUIT (07) - HYDRAULIC SYSTEM
FIT
1:1
100%

Артикул

Название

Примечание

Количество

1

REF

INSTRUCTION

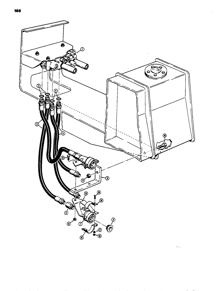
VALVE - control, hydraulic, see Figure 220 for proper valve

1шт.

2

D40257

HOSE

- valve to equipment, 41" (1041 mm) long, If used

2шт.

2

D40258

HOSE

- valve to equipment, 37" (940 mm) if used, Includes: Ref. 3

2шт.

3

237-6010

O-RING,0.097" Thk x 0.755" ID, -910, Cl 6, 90 Duro

1шт.

4

D40258

HOSE

- valve to equipment, 37" (940 mm) long, Includes: Ref. 5

2шт.

5

237-6010

O-RING,0.097" Thk x 0.755" ID, -910, Cl 6, 90 Duro

1шт.

6

A27744

ADAPTER,7/8" - 18 x 1/2" NPT

- coupling

4шт.

7

A28542

COUPLING, QUICK, FEM

COUPLING - female, parts list Figure 170

4шт.

A28541

COUPLING, BREAK AWAY

COUPLING - male, parts list Figure 170 (1), not shown

4шт.

8

A22768

PLUG

- dust

4шт.

9

D48070

BRACKET - mounting

1шт.

10

13-820

BOLT,Hex, 1/2" - 13 x 1-1/4", Gr 5, Full Thd

1шт.

11

131-10

NUT,1/2"-13, GB

NUT, LOCK, 1/2"-13, GB

1шт.

12

A27360

BRACKET

- coupling

4шт.

13

13-516

BOLT,Hex, 5/16" - 18 x 1", Gr 5

2шт.

14

131-4

LOCK NUT,5/16"-18, GB

NUT - hex, self lock, 5/16" - 18 NC

2шт.

15

A27423

CLAMP

- coupling

8шт.

16

173-79

SCREW,Sl Rnd Hd, #8 - 32 x 5/8"

RHMS - no. 8 - 32 NC x 5/8"

8шт.

17

192-6

LOCK WASHER,#8

WASHER, LOCK, #8

8шт.

18

129-6

NUT,#8-32

8шт.

Выбрано товаров: 20